电脑桌面
添加小米粒文库到电脑桌面
安装后可以在桌面快捷访问

某产业园地下室防水工程监理细则VIP专享VIP免费

某产业园地下室防水工程监理细则_第1页
1/16
某产业园地下室防水工程监理细则_第2页
2/16
某产业园地下室防水工程监理细则_第3页
3/16
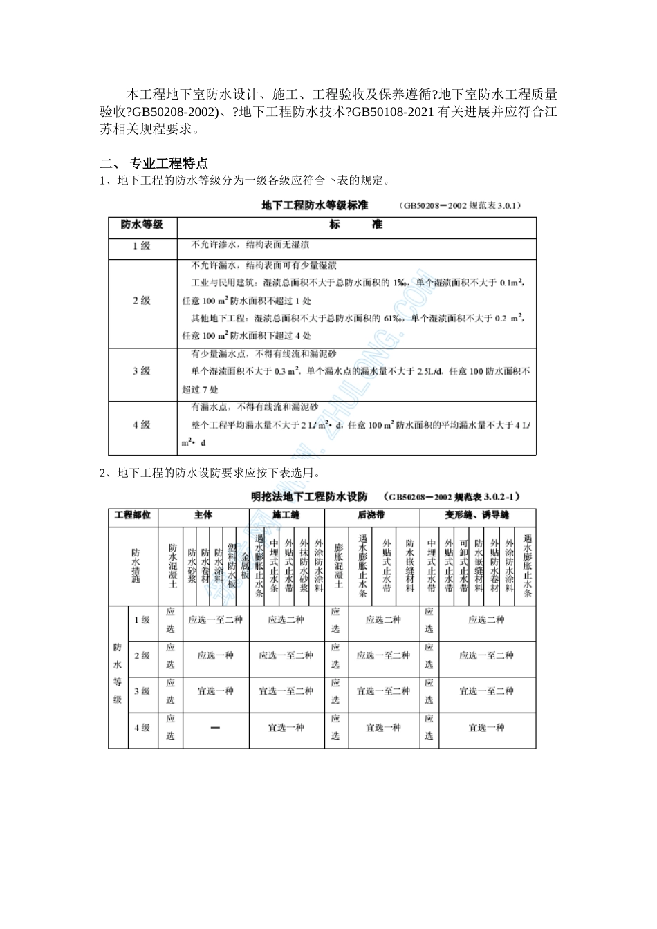
CC1313无锡创意产业园三工程监理细那么监理细那么〔地下室防水工程〕内容提要:专业工程特点监理工作流程监理工作控制目的及控制要点监理工作及措施工程监理机构〔章〕:总监理工程师:日:2021.01江苏建立建立监理处监制地下防水工程施工质量监理施行细那么一、工程概况工程位于无锡蠡园开发区交通非常便利。三规划拟建研发用房3栋塔楼及三栋裙房建筑面积205971㎡其中地下建筑面积58400㎡地上146294㎡。本工程建筑抗震设防烈度为6度建筑设防分类为丙类建筑。地下防水等级为二级建筑构造平安等级为二级;底板和侧壁及顶板均采用构造自防水混凝土和SB高聚物改性沥青防水卷材防水混凝土抗渗登记未0.6Mpa。本工程构造设计使用年限为50年构造设计使用年限50年。框架的抗震等级为二、三、四级。本工程构造类型为框架、剪力墙构造。本工程地下室防水设计、施工、工程验收及保养遵循?地下室防水工程质量验收?GB50208-2002)、?地下工程防水技术?GB50108-2021有关进展并应符合江苏相关规程要求。二、专业工程特点1、地下工程的防水等级分为一级各级应符合下表的规定。2、地下工程的防水设防要求应按下表选用。3、地下防水工程施工前施工应进展图纸会审掌握工程主体及细部构造的防水技术要求并编制防水工程的施工方案。4、地下防水工程必须由相应资质的专业防水队伍进展施工;主要施工人员应持有建立行政主部门或其指定颁发的执业书。5、地下防水工程所使用的防水材料应有的合格证书各性能检测材料的品种、规格、性能等应符合现行和设计要求。对进场的防水材料应按GB50208-2002附录A和附录B的规定抽样复验并提出试验;不合格的材料不得在工程中使用。6、地下防水工程施工间明挖法的基坑以及暗挖法的竖井、洞口、必须保持地下水位稳定在基底0.5m以下必要时应采取降水措施。7、地下防水工程的防水层严禁在雨天、雪天和五级风及其以上时施工其施工环境气温条件宜符合下表的规定。8、地下防水工程是一个子分部工程其分项工程的划分应符合下表要求。三、监理工作流程防水工程质量监理工作程序框图不同意修改后重报申报施工方案承包审批施工方案监理工程师原材料报验承包应附:材料质量合格证防伪标志复试报告等审核监理工程师面层施工同意不合格清退另进不合格合格不合格合格四、监理工作的控制目的及控制要点1、对承包的资质及承包的理人员和技术操作人员进展审查和认定;对施工方案及技术交底进展审核并执行样板引路。2、对防水工程使用的主要材料、辅助材料要进展质量预控要有出厂合格证书或质量鉴定。〔1〕对防水材料出厂质量合格证书的验收消费厂家提供的合格证书应包括:品种、标或型及该批各项性能试验指标数据合格证的编批、出厂日和消费厂检验部门的;卷材或包装的合格证上应有北京建筑防水材料使用认证及防伪标志;〔2〕进入施工现场的防水材料要进展复试和外观检查。卷材进入施工现场后应抽样检验检验的内容是不透水性、拉力、柔度和耐热度其它防水材料也应按要求做试件进展耐热度粘结力和柔韧性试验。外观检查主要是防水材料外型尺寸、厚度等问题每批抽检一定数量〔例如10卷〕进展称重检验不合格应清退出厂。〔3〕防水材料批数的划分根据有关规定进展;〔4〕对防水材料的质量有异议时监理工程师可以进展取样复验严格把住材料使用的质量关确保不合格材料不能进场不合格材料不能用于施工工程。〔5〕对进场的合格材料要催促施工做好保存工作。对不允许曝晒、超高堆放或堆压其它的材料要严禁不符合存放要求的现象产生。3、对要进展防水的部位基层进展质量验收。对基层的标高、坡度、外表平整度、外表清理、清扫均应对照图纸及已施工部位的关系进展校验并通过施工进展做好校正处理。基层施工防水层施工检测试验其它分工序自检承包填报工程报验单承包监理工程师现场检验监理工程师签发质量认可书进展下一道工序施工有关部门对防水工程出现渗漏现象分析结果说明渗漏原因中由于材料不良造成的占20—33由于施工粗糙造成的约占45—48由于设计存在问题造成的占18—26建筑防水工程质量所谓“四漏〞〔屋面漏、厕浴间漏、外墙体渗漏和地下室漏〕问题已成为常见的质统统病应引起注意监理工程师针对本...

1、当您付费下载文档后,您只拥有了使用权限,并不意味着购买了版权,文档只能用于自身使用,不得用于其他商业用途(如 [转卖]进行直接盈利或[编辑后售卖]进行间接盈利)。
2、本站所有内容均由合作方或网友上传,本站不对文档的完整性、权威性及其观点立场正确性做任何保证或承诺!文档内容仅供研究参考,付费前请自行鉴别。
3、如文档内容存在违规,或者侵犯商业秘密、侵犯著作权等,请点击“违规举报”。

碎片内容

某产业园地下室防水工程监理细则

确认删除?
VIP
微信客服
  • 扫码咨询
会员Q群
  • 会员专属群点击这里加入QQ群
客服邮箱
回到顶部