电脑桌面
添加小米粒文库到电脑桌面
安装后可以在桌面快捷访问

打头模具标准VIP免费

打头模具标准_第1页
1/9
打头模具标准_第2页
2/9
打头模具标准_第3页
3/9
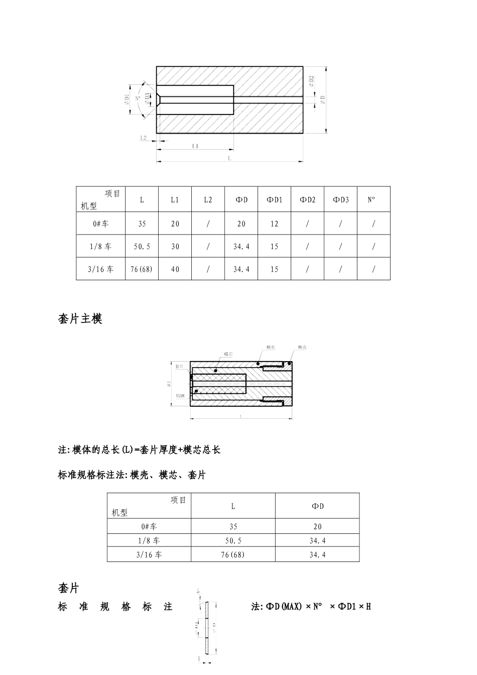
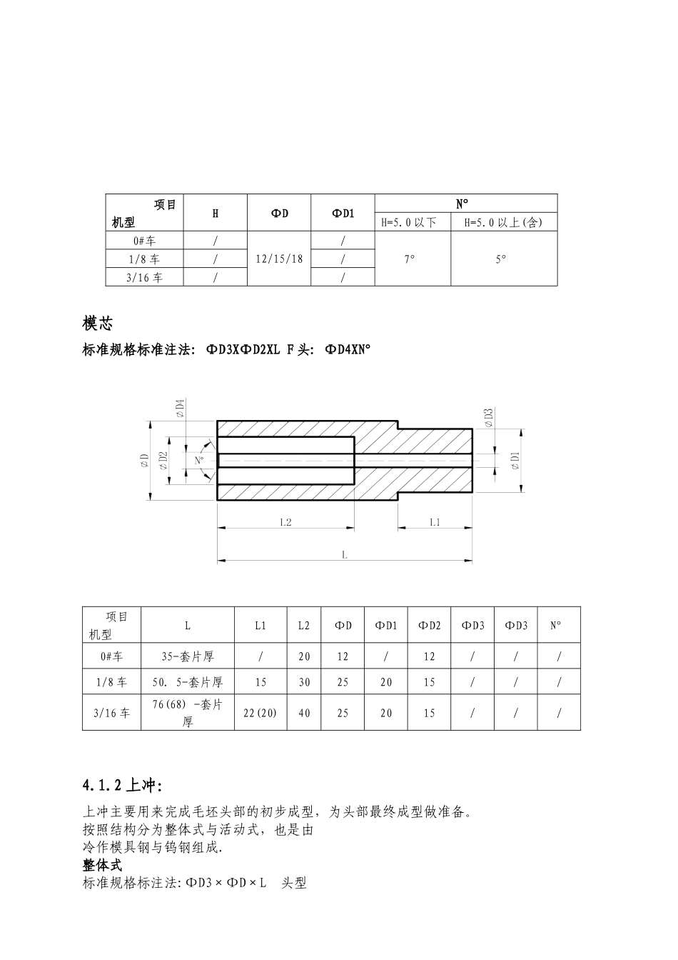
机型一、目的:通过规范打头模具尺寸,使打头模具之尺寸标准化.二、范围:鸿益进螺丝机所有模具均适用之.三、引用标准:四、内容:4.1模具简介:对于一模两冲机来说,其模具主要包括:主模、一冲(固定一冲和全钨一冲)、二冲(下冲套和冲头)、一冲套、顶针、剪刀线模等;两模四冲冷墩机的模具大致包括:一模、二模、一冲、三冲、四冲、剪刀、线模及顶针。其实一套完整的模具还有一些附属配件,如弹簧、弹簧座、垫片等,下面分别对之认识。4.1.1:主模主模是产生毛坯的主要腔体,如图所示:一般由冷作模具钢(如日标SKD11\SKD61)和钨钢(硬质合金)组成。线材被剪断后送入主模腔体,冲头冲击留在主模外面的材料,使之变形成为毛坯。按照主模的结构不同分为普通模、套片模。普通模是指模具是一个整体,用机械(如扳手)的方法不能再拆开的模具,用于成型比较简单的产品,套片模是指组合起来的模具,可以拆开,主要用于成型螺丝头部结构比较复杂的产品,每种模具的型号都与其对应的设备的模座相一致,鸿益进目前存在的模具的规格和所对应的机器的规格如下表。项目模体尺寸钨钢尺寸(一般)剪刀螺纹孔尺寸0#车Φ20×35Φ12×205/16″1/8车Φ34.4×50.5Φ15×303/8″3/16车Φ34.4×76(68)Φ15×50(40)M102415车Φ46×85(50)Φ15×50(30)7/16″2420车Φ50×97(50)Φ15×60(30)1/2″模体/钨钢/剪刀螺纹孔普通主模标准规格标注法:ΦD2×ΦD1×L1×ΦD×LF头:ΦD3×N°项目机型LL1L2ΦDΦD1ΦD2ΦD3N°0#车3520/2012///1/8车50.530/34.415///3/16车76(68)40/34.415///套片主模注:模体的总长(L)=套片厚度+模芯总长标准规格标注法:模壳、模芯、套片项目机型LΦD0#车35201/8车50.534.43/16车76(68)34.4套片标准规格标注法:ΦD(MAX)×N°×ΦD1×H项目机型HΦDΦD1N°H=5.0以下H=5.0以上(含)0#车/12/15/18/7°5°1/8车//3/16车//模芯标准规格标准注法:ΦD3XΦD2XLF头:ΦD4XN°项目机型LL1L2ΦDΦD1ΦD2ΦD3ΦD3N°0#车35-套片厚/2012/12///1/8车50.5-套片厚1530252015///3/16车76(68)-套片厚22(20)40252015///4.1.2上冲:上冲主要用来完成毛坯头部的初步成型,为头部最终成型做准备。按照结构分为整体式与活动式,也是由冷作模具钢与钨钢组成.整体式标准规格标注法:ΦD3×ΦD×L头型项目机型LL1L2ΦDΦD1ΦD2ΦD30#车45251018138/1/8车523015251610/3/16车7045153119.512/24157045153119.512/24207045203119.515/全钨上冲标准规格标注法:ΦD3×ΦD1/ΦD×L×L1项目机型LL1L2ΦDΦD1ΦD2ΦD30#车30551312//1/8车40551615//3/16车40552019//2415车40552019//2420车40552019//上冲套标准规格标注法:L×ΦD1×ΦD2×ΦD3项目机型LL1L2ΦDΦD1ΦD2ΦD3M0#车451212221813.512M41/8车521515282518.515M63/16车701717343120.519M62415701717343120.519M62420701717343120.519M64.1.3下冲套:下冲套是用来固定冲头或冲针、冲棒等用的,与相应的冲头、冲针等配合在一起共同完成毛坯的头部形状(如盘头、F头、六角头等),下冲套一般也是由冷作模具钢材料制作。标准规格标注法:ΦD2项目机型LL1L2ΦDΦD1ΦD2ΦD30#车4524.8122218/61/8车5224.8152825/73/16车7024.8183431/824157024.8183431/824207024.8183431/8圆孔下冲套标准规格标注法:ΦD5×ΦD2×L2项目机型LL1L2L3ΦDΦD1ΦD2ΦD3ΦD4ΦD50#车4512122022181213//1/8车5215152728251516//3/16车7018154534311519.5//24157018154534311519.5//24207018154534311519.5//六角下冲套标准规格标注法:HEX×ΦD2×L2项目机型LL1L2L3ΦDΦD1ΦD2ΦD3ΦD4HEX0#车4512122022181213//1/8车5215152728251516//3/16车7018154534311519.5//24157018154534311519.5//24207018154534311519.5//4.1.4线模标准规格标注法:ΦD2×D×L项目机型LL1ΦDΦD1ΦD20#车251013.58/1/8车30151510/3/16车30151912/241540151912/242040202815/4.1.5剪刀标准规格标注法:ΦD×H×W×L攻牙M项目机型DLL1L2WHMW1L30#车/42/10.52465/16″10101/8车/60/12.73083/8″12123/16车/65/12.7329M1012122415/805114.5329.57/16″13132420/88551838121/2″15154.1.6主模顶针标准规格标注法:ΦD2项目机型LL2ΦD2ΦD30#车355//1/8车50.55//3/16车76(68)5//2415车85(50)5//2420车97(50)5//注:以上是我们最常用的主要的模具配件,在我们的生产中,根据产品的不同,相关的模具、模芯、冲套、冲针的形状不尽一致,因此有些模具目前无法标准化,随着我司生产规模的不断扩大以及品质要求和技术水平的不断提高,此方面的标准化工作会日趋完善。五、标准的起草及会签5.1、标准起草人:苏柏权张红军5.2、标准批准人:

1、当您付费下载文档后,您只拥有了使用权限,并不意味着购买了版权,文档只能用于自身使用,不得用于其他商业用途(如 [转卖]进行直接盈利或[编辑后售卖]进行间接盈利)。
2、本站所有内容均由合作方或网友上传,本站不对文档的完整性、权威性及其观点立场正确性做任何保证或承诺!文档内容仅供研究参考,付费前请自行鉴别。
3、如文档内容存在违规,或者侵犯商业秘密、侵犯著作权等,请点击“违规举报”。

碎片内容

打头模具标准

您可能关注的文档

确认删除?
VIP
微信客服
  • 扫码咨询
会员Q群
  • 会员专属群点击这里加入QQ群
客服邮箱
回到顶部