电脑桌面
添加小米粒文库到电脑桌面
安装后可以在桌面快捷访问

单片机IO口模拟串口实现数据通信设计和实现 通信工程专业VIP免费

单片机IO口模拟串口实现数据通信设计和实现  通信工程专业_第1页
1/16
单片机IO口模拟串口实现数据通信设计和实现  通信工程专业_第2页
2/16
单片机IO口模拟串口实现数据通信设计和实现  通信工程专业_第3页
3/16
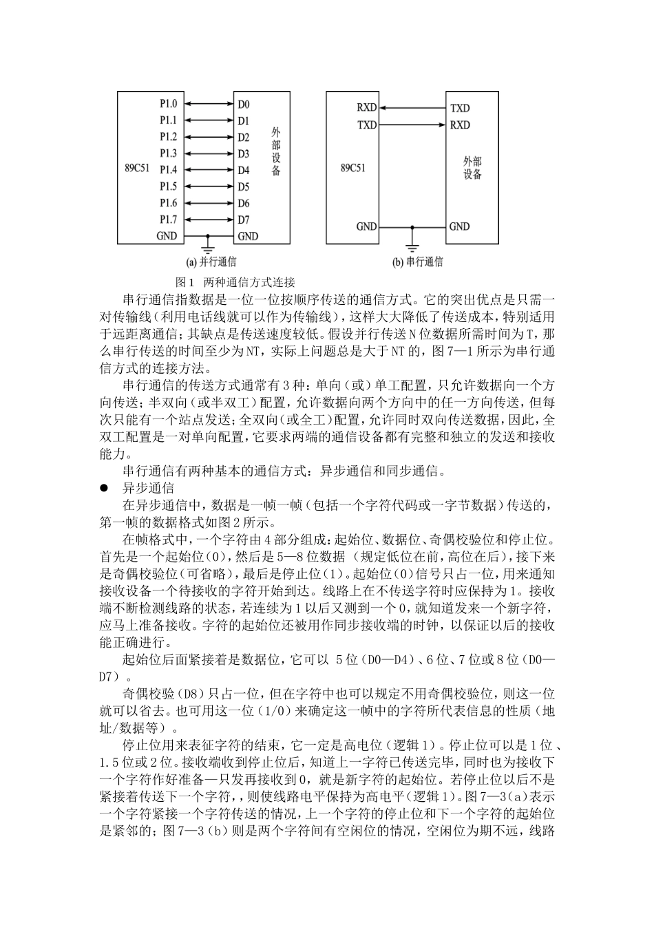
单片机IO口模拟串口实现数据通信1设计任务与要求本设计为单片机IO口模拟串口实现数据通信,它可以用单片机的IO口实现单片机RX和TX的功能。具体要求如下:用单片机的P3.4和P3.5分别模拟RX和TX的串行通信功能,能够接收和发送数据。通过PC机的键盘输入字符,并传送给单片机,由单片机接收后,发达给PC机,由PC机加以显示。单片机接收由键盘输入的数据后,如果是数字,则由数码管显示,并由LED灯表示其ASCII码,如果是其他字符,则由仅由LED灯显示其ASCII码。2总体方案设计2.1串行通信的方式设计本设计要求用单片机的IO口来模拟串口的串行通信,因此有必要先简要介绍一下单片机的IO和通信的基本原理与串行口P3.0和P3.1。2.1.1并行I/O口MCS-51单片机共有4个双向的8位并行I/O端口(Port),分别记作P0-P3,共有32根口线,各口的每一位均由锁存器、输出驱动器和输入缓冲器所组成。实际上P0-P3已被归入特殊功能寄存器之列。这四个口除了按字节寻址以外,还可以按位寻址。由于它们在结构上有一些差异,故各口的性质和功能有一些差异。P0口是双向8位三态I/O口,此口为地址总线(低8位)及数据总线分时复用口,可驱动8个LS型TTL负载。P1口是8位准双向I/O口,可驱动4个LS型负载P2口是8位准双向I/O口,与地址总线(高8位)复用,可驱动4个LS型TTL负载。P3口是8位准双向I/O口,是双功能复用口,可驱动4个LS型TTL负载。P1口、P2口、P3口各I/O口线片内均有固定的上拉电阻,当这3个准双向I/O口做输入口使用时,要向该口先写“1”,另外准双向I/O口无高阻的“浮空”状态,故称为双向三态I/O口。2.1.2通信的基本原理串行通信只用一位数据线传送数据的位信号,即使加上几条通信联络控制线也用不了很多电缆线。因此串行通信适合远距离数据传送。,如大型主机与其远程终端之间、处于两地的计算机之间采用串行通信就非常经济。当然串行通信要求有转换数据格式、时间控制等逻辑电路,这些电路目前已被集成在大规模集成电路(称为可编程串行通信控制器),使用很方便。通信方式有两种:并行通信和串行通信。通常根据传送的的距离决定采用哪种通信方式。例如,在IBM—PC机与外部设备(如打印机等)通信时,距离小于30m,则可采用并行通信方式,当距离大于30m时,则要采用串行通信方式。89C51单片机具有并行和串行两种基本通信方式。并行通信是指数据的各位同时进行传送(发送或接收)的通信方式。其优点是传送速度高;缺点是数据有多少位,就需要多少根传送线。例如,89C51单片机与打印机之间的数据传送就属于并行通信。图1所示为89C51单片机与外设之间8位数据并行通信的连接方法。并行通信在位数多、传送距离又远时就不太合适了图1两种通信方式连接串行通信指数据是一位一位按顺序传送的通信方式。它的突出优点是只需一对传输线(利用电话线就可以作为传输线),这样大大降低了传送成本,特别适用于远距离通信;其缺点是传送速度较低。假设并行传送N位数据所需时间为T,那么串行传送的时间至少为NT,实际上问题总是大于NT的,图7—1所示为串行通信方式的连接方法。串行通信的传送方式通常有3种:单向(或)单工配置,只允许数据向一个方向传送;半双向(或半双工)配置,允许数据向两个方向中的任一方向传送,但每次只能有一个站点发送;全双向(或全工)配置,允许同时双向传送数据,因此,全双工配置是一对单向配置,它要求两端的通信设备都有完整和独立的发送和接收能力。串行通信有两种基本的通信方式:异步通信和同步通信。异步通信在异步通信中,数据是一帧一帧(包括一个字符代码或一字节数据)传送的,第一帧的数据格式如图2所示。在帧格式中,一个字符由4部分组成:起始位、数据位、奇偶校验位和停止位。首先是一个起始位(0),然后是5—8位数据(规定低位在前,高位在后),接下来是奇偶校验位(可省略),最后是停止位(1)。起始位(0)信号只占一位,用来通知接收设备一个待接收的字符开始到达。线路上在不传送字符时应保持为1。接收端不断检测线路的状态,若连续为1以后又测到一个0,就知道发来一个新字符,应马上准备接收。字符的起始位还被用作同步接收端的时钟,以保证以后的接...

1、当您付费下载文档后,您只拥有了使用权限,并不意味着购买了版权,文档只能用于自身使用,不得用于其他商业用途(如 [转卖]进行直接盈利或[编辑后售卖]进行间接盈利)。
2、本站所有内容均由合作方或网友上传,本站不对文档的完整性、权威性及其观点立场正确性做任何保证或承诺!文档内容仅供研究参考,付费前请自行鉴别。
3、如文档内容存在违规,或者侵犯商业秘密、侵犯著作权等,请点击“违规举报”。

碎片内容

单片机IO口模拟串口实现数据通信设计和实现 通信工程专业

文章天下+ 关注
实名认证
内容提供者

各种文档应有尽有

确认删除?
VIP
微信客服
  • 扫码咨询
会员Q群
  • 会员专属群点击这里加入QQ群
客服邮箱
回到顶部