电脑桌面
添加小米粒文库到电脑桌面
安装后可以在桌面快捷访问

工程签证 模板VIP免费

工程签证 模板_第1页
1/12
工程签证 模板_第2页
2/12
工程签证 模板_第3页
3/12
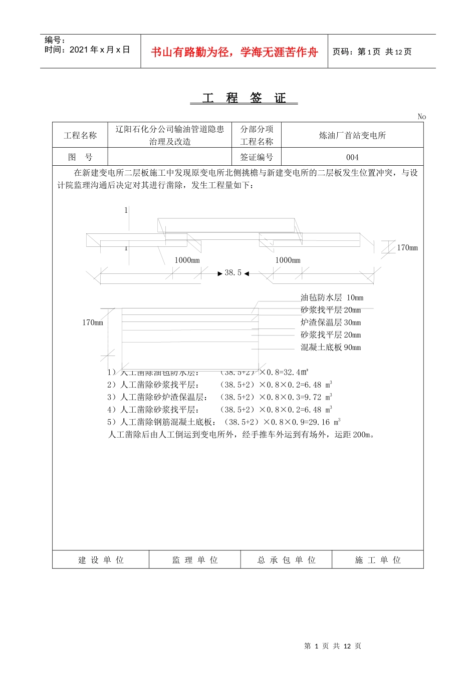
第1页共12页编号:时间:2021年x月x日书山有路勤为径,学海无涯苦作舟页码:第1页共12页工程签证No工程名称辽阳石化分公司输油管道隐患治理及改造分部分项工程名称炼油厂首站变电所图号签证编号004在新建变电所二层板施工中发现原变电所北侧挑檐与新建变电所的二层板发生位置冲突,与设计院监理沟通后决定对其进行凿除,发生工程量如下:11170mm1000mm1000mm38.5油毡防水层10mm砂浆找平层20mm170mm炉渣保温层30mm砂浆找平层20mm混凝土底板90mm800mm1)人工凿除油毡防水层:(38.5+2)×0.8=32.4㎡2)人工凿除砂浆找平层:(38.5+2)×0.8×0.2=6.48m33)人工凿除砂炉渣保温层:(38.5+2)×0.8×0.3=9.72m34)人工凿除砂浆找平层:(38.5+2)×0.8×0.2=6.48m35)人工凿除钢筋混凝土底板:(38.5+2)×0.8×0.9=29.16m3人工凿除后由人工倒运到变电所外,经手推车外运到有场外,运距200m。建设单位监理单位总承包单位施工单位第2页共12页第1页共12页编号:时间:2021年x月x日书山有路勤为径,学海无涯苦作舟页码:第2页共12页现场代表:年月日监理工程师:年月日现场代表:年月日现场代表:2010年04月05日工程签证No工程名称辽阳石化分公司输油管道隐患治理及改造分部分项工程名称炼油厂首站管墩图号签证编号第3页共12页第2页共12页编号:时间:2021年x月x日书山有路勤为径,学海无涯苦作舟页码:第3页共12页建设单位监理单位总承包单位施工单位现场代表:年月日监理工程师:年月日现场代表:年月日现场代表:年月日工程签证No工程名称辽阳石化分公司输油管道隐患治理及改造分部分项工程名称炼油厂首站管墩图号签证编号第4页共12页第3页共12页编号:时间:2021年x月x日书山有路勤为径,学海无涯苦作舟页码:第4页共12页5、GS258内含毛石砌块(尺寸见图)1300100023003000凿除毛石砌块工程量:0.8m高×1m宽×2.3m=1.84m3采用手推车外运30m到围墙外,经小托倒运2km.6、S250内含钢筋混凝土过梁(尺寸见图)7001500钢筋混凝土过梁2200凿除钢筋混凝土过梁工程量:0.4m×0.7宽×1.5长=0.42m3采用手推车外运30m到围墙外,经小托倒运2km.7、S249内含毛石墙(尺寸见图)6501700毛石墙1200建设单位监理单位总承包单位施工单位现场代表:年月日监理工程师:年月日现场代表:年月日现场代表:年月日工程签证No第5页共12页第4页共12页编号:时间:2021年x月x日书山有路勤为径,学海无涯苦作舟页码:第5页共12页工程名称辽阳石化分公司输油管道隐患治理及改造分部分项工程名称炼油厂首站管墩图号签证编号凿除毛石墙工程量:0.8m高×1.2m×0.65m=0.624m3采用手推车外运30m到围墙外,经小托倒运2km。8、S247内含毛石块(尺寸见图)900毛石块9001500凿除毛石块工程量如下:0.8m高×0.9m宽×0.9m长=0.648m3采用手推车外运20m到围墙外,经小托倒运2km。9、S245内含毛石砌块(尺寸见图)毛石砌块11003502200凿除毛石砌块工程量如下:0.86m高×0.18m长×1.1m宽=0.17m3采用手推车外运20m到围墙外,经小托倒运2km。建设单位监理单位总承包单位施工单位现场代表:年月日监理工程师:年月日现场代表:年月日现场代表:年月日第6页共12页第5页共12页编号:时间:2021年x月x日书山有路勤为径,学海无涯苦作舟页码:第6页共12页工程签证No工程名称辽阳石化分公司输油管道隐患治理及改造分部分项工程名称炼油厂首站管墩图号签证编号10、S203a内含毛石混凝土(尺寸见图)毛石砼9006001200凿除毛石混凝土工程量如下:0.9m高×0.9长m×0.3m宽=0.243m3采用手推车外运35m到围墙外,经小托倒运2km。建设单位监理单位总承包单位施工单位第7页共12页第6页共12页编号:时间:2021年x月x日书山有路勤为径,学海无涯苦作舟页码:第7页共12页现场代表:年月日监理工程师:年月日现场代表:年月日现场代表:年月日工程签证No工程名称辽阳石化分公司输油管道隐患治理及改造分部分项工程名称炼油厂首站管墩图号签证编号第8页共12页第7页共12页编号:时间:2021年x月x日书山有路勤为径,学海无涯苦作舟页码:第8页共12页我单位在施工辽阳石化分公司输油管道隐患治理及改造工程炼油厂首站管区内管墩时,2#-4#罐内地面均为砼地面,平...

1、当您付费下载文档后,您只拥有了使用权限,并不意味着购买了版权,文档只能用于自身使用,不得用于其他商业用途(如 [转卖]进行直接盈利或[编辑后售卖]进行间接盈利)。
2、本站所有内容均由合作方或网友上传,本站不对文档的完整性、权威性及其观点立场正确性做任何保证或承诺!文档内容仅供研究参考,付费前请自行鉴别。
3、如文档内容存在违规,或者侵犯商业秘密、侵犯著作权等,请点击“违规举报”。

碎片内容

工程签证 模板

确认删除?
VIP
微信客服
  • 扫码咨询
会员Q群
  • 会员专属群点击这里加入QQ群
客服邮箱
回到顶部