电脑桌面
添加小米粒文库到电脑桌面
安装后可以在桌面快捷访问

G物联网数据采集器报告书-孔宁VIP免费

G物联网数据采集器报告书-孔宁_第1页
1/10
G物联网数据采集器报告书-孔宁_第2页
2/10
G物联网数据采集器报告书-孔宁_第3页
3/10
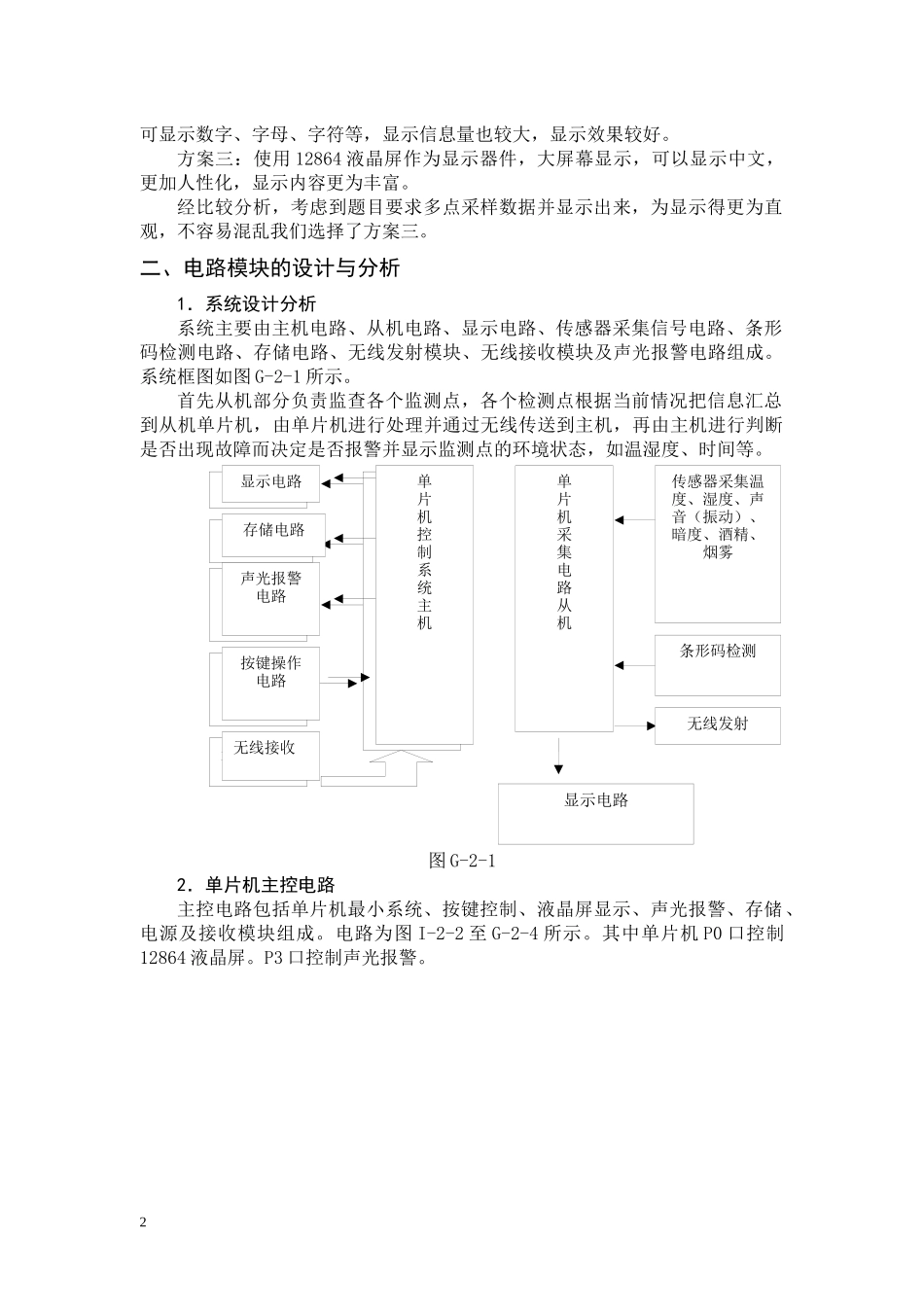
摘要本系统为物联网数据采集器,由按键、显示电路、采集报警电路、无线模块、条形码检测模块及主机电路组成,采用AT89S52单片机为核心,通过传感器对温度、湿度、声音或震动、酒精、煤气及暗光的采集并利用无线进行数据传输,由主机接收显示并进行判断及控制报警电路的工作。该系统还具有条形码检测及存储功能,传输距离≤600米。AbstractThesystemdatacollectorfortheInternetofthings,frombuttons,displaycircuit,collectingalarmcircuit,wirelessmodules,barcodedetectionmoduleandthehostcircuit,usingAT89S52microcontrollercore,throughthesensorsoftemperature,humidity,soundorvibration,alcohol,gasandthedarklightoftheacquisitionanduseofwirelessdatatransmission,receivedbythehostdisplayandalarmcircuittojudgeandcontrolthework.Thesystemalsohasabarcodedetectionandstoragecapabilities;transmissiondistanceof600metersandtheoreticalaccuracy.一、系统方案论证与比较1.主控电路选择方案一:由FPGA构成主控电路,系统板体积小,运算速度快,稳定性强,而且功能强大,可以提供丰富的逻辑单元和I/O口资源,但是成本较高,不符合节能、环保的要求。方案二:采用AT89S52单片机构成的主控电路,支持ISP下载技术,控制操作简单,价格低廉,通用性强。经比较分析,考虑到传统的51单片机就可以满足题目的需要,而且价格低廉,性价比高,因此选择方案二。2.无线传输电路选择方案一:利用2262及2272无线模块进行数据传输,价格实惠,但传输距离较短并且不够稳定并且处理数据比较麻烦。方案二:采用较为专业的KYL-1020U微功率无线数据传输模块,它是一种远距离无线数据传输产品,虽然成本较高,但它体积小,功耗低,稳定性及可靠性极高,传输距离长(理论600m)并能方便为用户提供双向的数据信号传输、检测和控制。处理也较为简便,实用效果非常可观。经比较分析和我们所了解的,我们采用了方案二。3.温湿度电路选择方案一:HSM-20G温湿度模块,采用电阻式传感元件成本低、互换性好、湿滞小、耐高湿、抗污染、微型化温湿度一体线性电压信号输出。方案二:采用高温型数字温湿度传感器AM2303,AM2303数字温湿度传感器是一款含有已校准数字信号输出的温湿度复合传感器。它应用专用的数字模块采集技术和温湿度传感技术,确保产品具有极高的可靠性与卓越的长期稳定性经比较分析,选取方案一来实现湿度检测功能。4.显示电路选择方案一:用数码管作为显示器件,数码管直接连接到单片机的I/O口进行控制,电路简单,成本较低,但是占用I/O口太多,显示内容较少,而且功耗也比较大。方案二:用液晶1602作为显示器件,功耗较低,而且显示的内容比较丰富,1单片机控制系统主机显示电路存储电路声光报警电路按键操作电路无线接收单片机采集电路从机传感器采集温度、湿度、声音(振动)、暗度、酒精、烟雾条形码检测无线发射单片机控制系统主机显示电路存储电路声光报警电路按键操作电路无线接收可显示数字、字母、字符等,显示信息量也较大,显示效果较好。方案三:使用12864液晶屏作为显示器件,大屏幕显示,可以显示中文,更加人性化,显示内容更为丰富。经比较分析,考虑到题目要求多点采样数据并显示出来,为显示得更为直观,不容易混乱我们选择了方案三。二、电路模块的设计与分析1.系统设计分析系统主要由主机电路、从机电路、显示电路、传感器采集信号电路、条形码检测电路、存储电路、无线发射模块、无线接收模块及声光报警电路组成。系统框图如图G-2-1所示。首先从机部分负责监查各个监测点,各个检测点根据当前情况把信息汇总到从机单片机,由单片机进行处理并通过无线传送到主机,再由主机进行判断是否出现故障而决定是否报警并显示监测点的环境状态,如温湿度、时间等。图G-2-12.单片机主控电路主控电路包括单片机最小系统、按键控制、液晶屏显示、声光报警、存储、电源及接收模块组成。电路为图I-2-2至G-2-4所示。其中单片机P0口控制12864液晶屏。P3口控制声光报警。2显示电路图G-2-2单片机系统版电路图G-2-3存储、电源及无线接收电路主机上部分设计了无线接收接口,用来接...

1、当您付费下载文档后,您只拥有了使用权限,并不意味着购买了版权,文档只能用于自身使用,不得用于其他商业用途(如 [转卖]进行直接盈利或[编辑后售卖]进行间接盈利)。
2、本站所有内容均由合作方或网友上传,本站不对文档的完整性、权威性及其观点立场正确性做任何保证或承诺!文档内容仅供研究参考,付费前请自行鉴别。
3、如文档内容存在违规,或者侵犯商业秘密、侵犯著作权等,请点击“违规举报”。

碎片内容

G物联网数据采集器报告书-孔宁

状元书阁+ 关注
实名认证
内容提供者

爱好英语教学和互联网行业,热爱教育事业,兢兢业业

确认删除?
VIP
微信客服
  • 扫码咨询
会员Q群
  • 会员专属群点击这里加入QQ群
客服邮箱
回到顶部