电脑桌面
添加小米粒文库到电脑桌面
安装后可以在桌面快捷访问

公路赛ROADVIP免费

公路赛ROAD_第1页
1/91
公路赛ROAD_第2页
2/91
公路赛ROAD_第3页
3/91
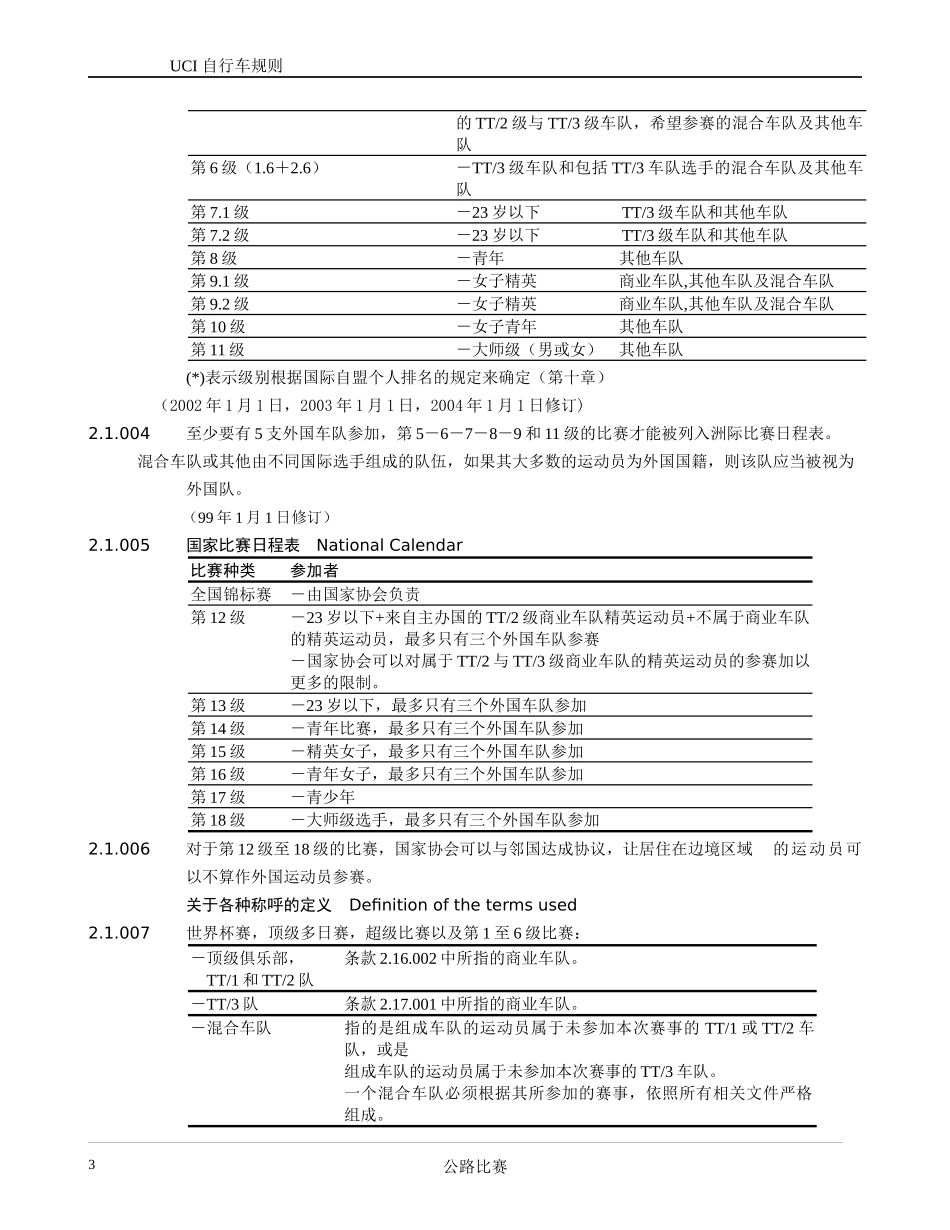
UCI自行车规则公路赛ROADRACES目录页码第一章日程第二章总则第一节参赛第二节组织第三节比赛程序第四节新闻采访规定第五节比赛期间的驾驶第三章一日赛第四章个人计时赛第五章团体计时赛第六章多日赛第七章绕圈赛第八章公路个人赛第九章其他比赛第十章个人排名第十一章世界杯公路赛第十二章世界杯23岁以下级挑战赛第十三章国际自盟世界杯青年男子挑战赛第十四章国际自盟精英女子个人排名第十五章世界杯精英女子公路赛第十六章商业车队第十七章TT3级商业车队第十八章女子商业车队共同协议公路比赛1UCI自行车规则第二部分公路ROADRACES第一章日程CALENDAR2.1.0011、公路比赛应根据2.1.002,2.1.003和2.1.005中所规定的级别划分列入日程表。通常由国际自盟管理委员会、四级以上的比赛由职业自行车委员会根据一定的准则来确定每个比赛的级别。2、以下级别的比赛最多可以有的场次如下表:1.HC(一日顶级赛)52.HC(多日顶级赛)71.1(一日一级赛)152.1(多日顶级赛)73、对于按照2.1.002和2.1.003的规定被列为顶级或1至6级的比赛,在同时遵守条款1.2.014的前提下,还须遵守以下规定:如果一个比赛在某一年中中断举行,其在下一年度中将被降为下一级的比赛。除非该比赛目前的级别是3,5或6级。如果一个比赛连续两年或更多时间中断举行,该赛将被降为最低的级别。3级及3级以上的比赛例外,这些比赛将被列为3级。(2002年1月1日修订)2.1.002世界比赛日程表WorldCalendar比赛种类参加者世界锦标赛-遵照世界锦标赛规则执行奥运会-遵照奥运会自行车比赛规则执行世界杯-遵照条款2.1.006和2.15.004执行顶级环多日赛-遵照条款2.6.003附则执行超级比赛(1.HC和2.HC)(*)―1.HC:-须邀请顶级俱乐部—邀请TT/1级与TT/2级队伍―2.HC:-遵照条款2.6.003附则执行(2002年1月1日修订)2.1.003洲际比赛日程表ContinentalCalendars比赛种类参加者洲际锦标赛地区运动会-遵照特殊规则执行S级-遵照条款2.1.010执行第1级(1.1+2.1)(*)―1.1:-须邀请顶级俱乐部-邀请TT/1级与TT/2级队伍―2.1:-遵照条款2.6.003附则执行第2级(1.2+2.2)(*)-邀请TT/1、TT/2和TT/3车队,也可-任选国家队第3级(1.3+2.3)(*)-邀请TT/1、TT/2和TT3车队以及混合车队参加,也可-任选国家队-其他车队(欧洲比赛除外)第5级(1.5+2.5)(*)-主办国的TT/1级车队、(顶级车队除外)和其他国家公路比赛2UCI自行车规则的TT/2级与TT/3级车队,希望参赛的混合车队及其他车队第6级(1.6+2.6)-TT/3级车队和包括TT/3车队选手的混合车队及其他车队第7.1级-23岁以下TT/3级车队和其他车队第7.2级-23岁以下TT/3级车队和其他车队第8级-青年其他车队第9.1级-女子精英商业车队,其他车队及混合车队第9.2级-女子精英商业车队,其他车队及混合车队第10级-女子青年其他车队第11级-大师级(男或女)其他车队(*)表示级别根据国际自盟个人排名的规定来确定(第十章)(2002年1月1日,2003年1月1日,2004年1月1日修订)2.1.004至少要有5支外国车队参加,第5-6-7-8-9和11级的比赛才能被列入洲际比赛日程表。混合车队或其他由不同国际选手组成的队伍,如果其大多数的运动员为外国国籍,则该队应当被视为外国队。(99年1月1日修订)2.1.005国家比赛日程表NationalCalendar比赛种类参加者全国锦标赛-由国家协会负责第12级-23岁以下+来自主办国的TT/2级商业车队精英运动员+不属于商业车队的精英运动员,最多只有三个外国车队参赛-国家协会可以对属于TT/2与TT/3级商业车队的精英运动员的参赛加以更多的限制。第13级-23岁以下,最多只有三个外国车队参加第14级-青年比赛,最多只有三个外国车队参加第15级-精英女子,最多只有三个外国车队参加第16级-青年女子,最多只有三个外国车队参加第17级-青少年第18级-大师级选手,最多只有三个外国车队参加2.1.006对于第12级至18级的比赛,国家协会可以与邻国达成协议,让居住在边境区域的运动员可以不算作外国运动员参赛。关于各种称呼的定义Definitionofthetermsused2.1.007世界杯赛,顶级多日赛,超级比赛以及第1至6级比赛:-顶级俱乐部,TT/1和TT/2队条款2.16.002中所指的商业车队。-TT/3队条款2.17.001中所指的...

1、当您付费下载文档后,您只拥有了使用权限,并不意味着购买了版权,文档只能用于自身使用,不得用于其他商业用途(如 [转卖]进行直接盈利或[编辑后售卖]进行间接盈利)。
2、本站所有内容均由合作方或网友上传,本站不对文档的完整性、权威性及其观点立场正确性做任何保证或承诺!文档内容仅供研究参考,付费前请自行鉴别。
3、如文档内容存在违规,或者侵犯商业秘密、侵犯著作权等,请点击“违规举报”。

碎片内容

您可能关注的文档

确认删除?
VIP
微信客服
  • 扫码咨询
会员Q群
  • 会员专属群点击这里加入QQ群
客服邮箱
回到顶部