电脑桌面
添加小米粒文库到电脑桌面
安装后可以在桌面快捷访问

电气自动化专业人才培养方案VIP免费

电气自动化专业人才培养方案_第1页
1/26
电气自动化专业人才培养方案_第2页
2/26
电气自动化专业人才培养方案_第3页
3/26
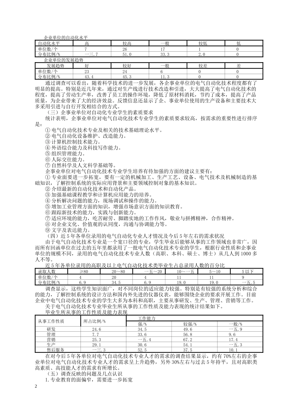
电气自动化专业人才培养方案专业代码:580202适用年级:20一三级专业负责人:杨一平制定时间:20一三年5月20日业务主任审批:专业建设指导委员会审定:系主任审批:教务处审批:主管院长审批:审批时间:20一三年5月20日20一三级电气自动化专业人才培养方案(专业代码:580202)一、招生对象及学制1.招生对象:普通高中生、中等职业学校毕业生。2.学制:三年二、专业培养目标本专业培养拥护党的基本路线,德、智、体、美等全面发展,具有良好的科学、文化素养和职业道德,掌握扎实的电气自动化专业的必备知识,具备电气自动化设备的生产管理、安装调试、运行、维护、产品销售和售后服务等专业能力,具有新产品初步开发能力和较强的创新能力,服务于自动化设备、自动化控制等行业的生产和管理第一线的高素质高级技能应用型人才。三、人才培养需求分析为了使我院电气自动化专业的毕业生能很快的适应社会的需求,进一步能适应地方经济建设和社会发展所需的生产、建设、管理和服务第一线具有熟练技能的高素质技术应用型人才的要求,进一步推动高等教育体制改革,结合行业现状和我院实际情况,为明确人才培养定位及人才培养目标,我们走访了一些企业和兄弟院校进行调研工作。(一)电气自动化专业人才培养方案调研背景2011年9月至20一三年3月,电气自动化专业老师先后到宇通客车、天煌科技、郑州污水处理厂、奥的斯电梯河南公司、同济大学、深圳职业技术学院深入调查,了解了企业对专业人才的需求现状,听取了企业对专业人才的培养意见及建议。20一三年3月至20一三年6月,我们对往届的毕业生进行调查与回防,收到的61份反馈调查表。其中有国有企事业单位、股份制企业、民营企业、私营企业、有限责任公司,涉及的行业有电子电气、制造加工、电力系统等。(二)对调查结果的分析企业中具有高职及以上学历的职工比例比例范围/%100~8080~5050~3030~55以下有硕士有博士单位数/个一八11171024625分布比例/%31.019.029.317.23.579.343.11企业单位的自动化水平自动化水平高较高一般较低低单位数/个7261710分布比例/%一三.751.033.32.00企业单位的发展趋势发展趋势好较好一般较差差单位数/个2324600分布比例/%43.445.311.300通过调查可以看出,随着科学技术的进一步发展,各企事业单位的电气自动化技术程度都有了明显的提高。特别是近几年来,通过对生产线进行技术改造和引进,大大提高了电气自动化技术的程度,提高了劳动生产率,改善了员工的操作环境,降低了原材料消耗,节约了成本,提高了产品质量,为企业带来了大的经济效益。反馈信息还显示了企、事业单位使用的生产设备和主要技术大多采用引进与自行开发相结合的方式。(三)企事业单位对自动化专业学生的素质要求统计表明,企事业单位对电气自动化技术专业学生的素质要求较高,按需求的重要性进行排序是:①电气自动化技术专业及相关的技术基础理论水平。②电气自动化设备维护、改造能力。③计算机控制技术能力。④外语综合能力及科技写作能力。⑤组织管理能力。⑥人际交往能力。⑦自然科学及人文科学基础等。企事业单位对电气自动化技术专业学生培养有待加强的方面的建议主要有:①专业面要进一步拓宽,要有一定的机械加工、生产工艺、设备、电气技术及机械制造的基础知识,了解控制系统的实际应用背景和主要领域控制对象的基本知识。②介绍最新的自动化技术和自动化产品。③加强基础课程教学和计算机应用能力的培养。④分析解决问题的能力,现场调试和操作的能力。⑤增加工业管理方面的知识,增强市场意识方面的知识教育。⑥跟踪新技术的能力,实践与创新能力。⑦适应环境的能力,吃苦耐劳、脚踏实地的工作作风,敬业与拼搏精神,合作精神。⑧对企业文化、价值观的认同度,沟通与协调能力等。⑨文字及表达能力。(四)近5年各单位录用的电气自动化专业人才情况及今后5年左右的需求状况由于电气自动化技术专业是一个宽口径的专业,学生毕业后能够从事的工作领域也非常广,因而所有回函单位在过去的五年里都录用了一批电气自动化技术专业的学生,根据行业性质和企事业单位的规模不同,录用的电气自动化技术专业人数(高职、本科、...

1、当您付费下载文档后,您只拥有了使用权限,并不意味着购买了版权,文档只能用于自身使用,不得用于其他商业用途(如 [转卖]进行直接盈利或[编辑后售卖]进行间接盈利)。
2、本站所有内容均由合作方或网友上传,本站不对文档的完整性、权威性及其观点立场正确性做任何保证或承诺!文档内容仅供研究参考,付费前请自行鉴别。
3、如文档内容存在违规,或者侵犯商业秘密、侵犯著作权等,请点击“违规举报”。

碎片内容

电气自动化专业人才培养方案

您可能关注的文档

确认删除?
VIP
微信客服
  • 扫码咨询
会员Q群
  • 会员专属群点击这里加入QQ群
客服邮箱
回到顶部