电脑桌面
添加小米粒文库到电脑桌面
安装后可以在桌面快捷访问

机械行业知识管理工程材料VIP免费

机械行业知识管理工程材料_第1页
1/11
机械行业知识管理工程材料_第2页
2/11
机械行业知识管理工程材料_第3页
3/11
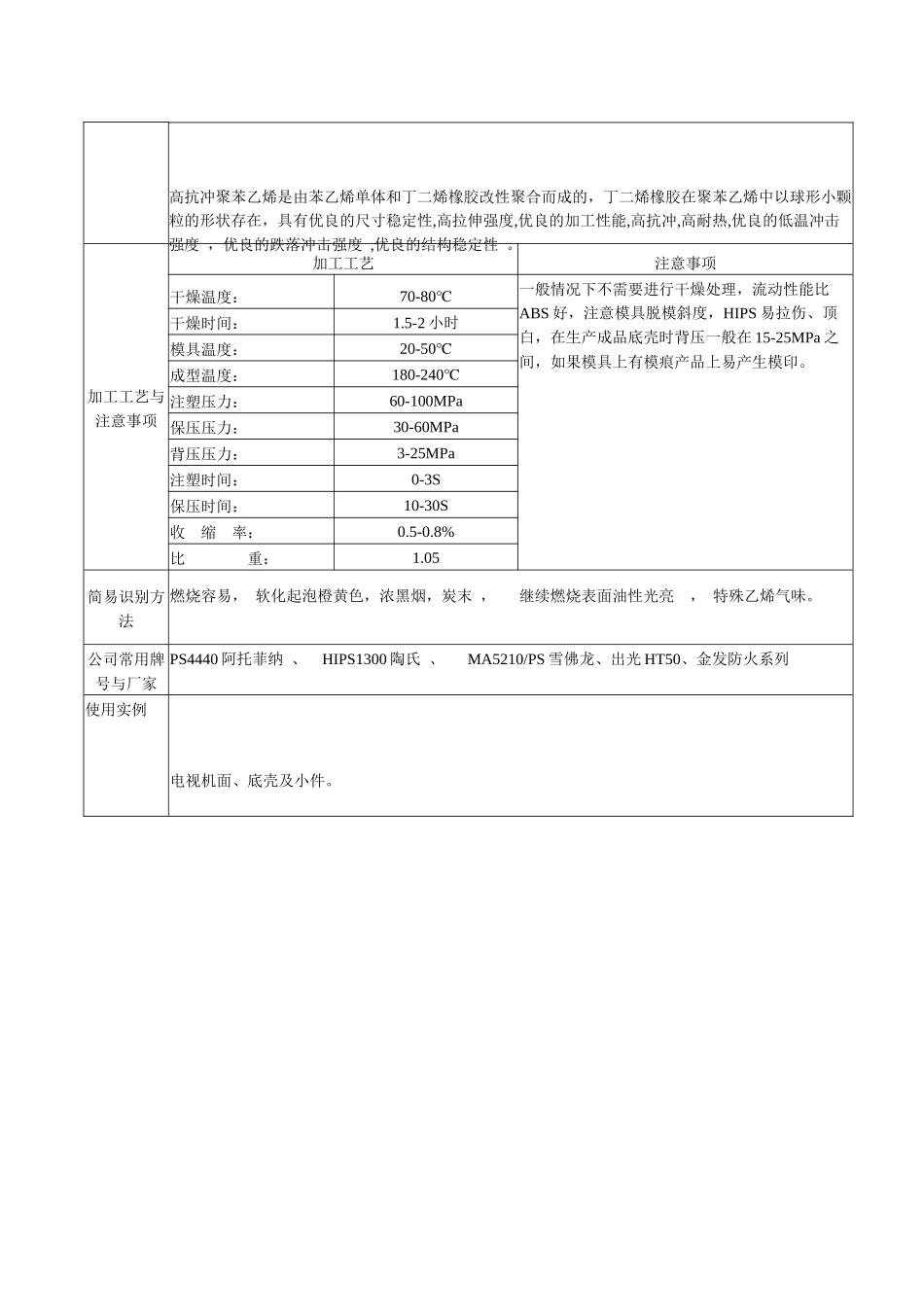
材料篇高冲聚苯乙烯(HIPS)中文名称:高抗冲聚苯乙烯英文名称:Highimpactpolystyrene俗名:不碎硬胶材料性能介绍材料篇ABS中文名称:丙烯晴-丁二烯-苯乙烯共聚物英文名称:Acrylonitrile-butadiene-styrene俗名:材料性能介绍ABS是由丙烯腈、丁二烯和苯乙烯三种化学单体合成。每种单体都具有不同特性:丙烯腈有高强度、热稳定性及化学稳定性;丁二烯具有坚韧性、抗冲击特性;苯乙烯具有易加工、高光洁度及高强度。从形态上看,ABS是非结晶性材料。三中单体的聚合产生了具有两相的三元共聚物,一个是苯乙烯-丙烯腈的连续相,另一个是聚丁二烯橡胶分散相。ABS的特性主要取决于三种单体的比率以及两相中的分子结构。这就可以在产品设计上具有很大的灵活性,并且由此产生了市场上百种不同品质的ABS材料。这些不同品质的材料提供了不同的特性,例如从中等到高等的抗冲击性,从低到高的光洁度和高温扭曲特性等。ABS材料具有超强的易加工性,外观特性,低蠕变性和优异的尺寸稳定性以及很高的抗冲击强度。优点1、坚硬,易押出,2、易染色,3、难燃,4、耐冲击,5、表面性佳。缺点1、耐溶剂性差,2、低介电强度,3、低拉伸率。加工工艺与注意事项加工工艺注意事项干燥温度:80-90℃干燥处理:ABS材料具有吸湿性,要求在加工之前进行干燥处理。建议干燥条件为80-90C下最少干燥2小时。材料温度应保证小于0.1%。熔化温度:210-250C;模具温度:25-70C。(模具温度将影响塑件光洁度,温度较低则导致光洁度较低)。注射压力:60-120MPa。注射速度:中高速度。干燥时间:2H模具温度:25-70℃成型温度:210-250℃注塑压力:60-120MPa保压压力:30-80MPa背压压力:3-20MPa注塑时间:3-5S保压时间:10-30S收缩率:0.3-0.6%比重:1.05简易识别方法燃烧缓慢软化燃烧,无滴落黄色,黑烟,火焰离开后继续燃烧,特殊气味。公司常用牌号与厂家D180镇江国亨ABS757奇美ABS717C奇美ABS121LG公司GP-22巴斯夫ABST100日本东丽ABS606金发(防火)使用实例面壳、高光面壳、排钮、电源钮、电镀小件产品高抗冲聚苯乙烯是由苯乙烯单体和丁二烯橡胶改性聚合而成的,丁二烯橡胶在聚苯乙烯中以球形小颗粒的形状存在,具有优良的尺寸稳定性,高拉伸强度,优良的加工性能,高抗冲,高耐热,优良的低温冲击强度,优良的跌落冲击强度,优良的结构稳定性。加工工艺与注意事项加工工艺注意事项干燥温度:70-80℃一般情况下不需要进行干燥处理,流动性能比ABS好,注意模具脱模斜度,HIPS易拉伤、顶白,在生产成品底壳时背压一般在15-25MPa之间,如果模具上有模痕产品上易产生模印。干燥时间:1.5-2小时模具温度:20-50℃成型温度:180-240℃注塑压力:60-100MPa保压压力:30-60MPa背压压力:3-25MPa注塑时间:0-3S保压时间:10-30S收缩率:0.5-0.8%比重:1.05简易识别方法燃烧容易,软化起泡橙黄色,浓黑烟,炭末,继续燃烧表面油性光亮,特殊乙烯气味。公司常用牌号与厂家PS4440阿托菲纳、HIPS1300陶氏、MA5210/PS雪佛龙、出光HT50、金发防火系列使用实例电视机面、底壳及小件。材料篇聚苯乙烯(PS)中文名称:聚苯乙烯英文名称:polystyrene俗名:硬胶材料篇聚丙烯(PP)中文名称:聚丙烯英文名称:PolypropyleneResin俗名:百折胶材料性能介绍PP是一种半结晶性材料。它比PE要更坚硬并且有更高的熔点。由于均聚物型的PP温度高于0℃以上时非常脆,因此许多商业的PP材料是加入1~4%乙烯的无规则共聚物或更高比率乙烯含量的钳段式共聚物。共聚物型的PP材料有较低的热扭曲温度(100℃)、低透明度、低光泽度、低刚性,但是有有更强的抗冲击强度。PP的强度随着乙烯含量的增加而增大。PP的维卡软化温度为150℃。由于结晶度较高,这种材料的表面刚度和抗划痕特性很好。PP不存在环境应力开裂问题。通常,采用加入玻璃纤维、金属添加剂或热塑橡胶的方法对PP进行改性。由于结晶,PP的收缩率相当高,一般为1.8~2.5%。并且收缩率的方向均匀性比PE-HD等材料要好得多。加入30%的玻璃添加剂可以使收缩率降到0.7%。均聚物型和共聚物型的PP材料都具有优良的抗吸湿性、抗酸碱腐蚀性、抗溶解性。然而,它对芳香烃(如苯)溶剂、氯化烃(四氯化碳)溶剂等没有抵抗...

1、当您付费下载文档后,您只拥有了使用权限,并不意味着购买了版权,文档只能用于自身使用,不得用于其他商业用途(如 [转卖]进行直接盈利或[编辑后售卖]进行间接盈利)。
2、本站所有内容均由合作方或网友上传,本站不对文档的完整性、权威性及其观点立场正确性做任何保证或承诺!文档内容仅供研究参考,付费前请自行鉴别。
3、如文档内容存在违规,或者侵犯商业秘密、侵犯著作权等,请点击“违规举报”。

碎片内容

机械行业知识管理工程材料

确认删除?
VIP
微信客服
  • 扫码咨询
会员Q群
  • 会员专属群点击这里加入QQ群
客服邮箱
回到顶部