电脑桌面
添加小米粒文库到电脑桌面
安装后可以在桌面快捷访问

固定资产管理系统VIP免费

固定资产管理系统_第1页
1/38
固定资产管理系统_第2页
2/38
固定资产管理系统_第3页
3/38
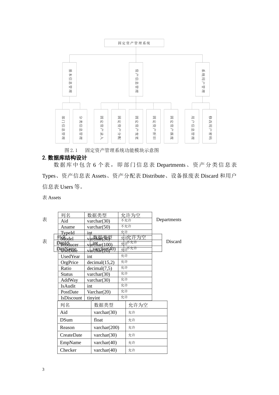
目录一.摘要........................................................................................................................................21.背景说明..............................................................................................................................22.设计目的..............................................................................................................................23.需求分析..............................................................................................................................2二.固定资产管理系统概述....................................................................................................31.设计内容..............................................................................................................................32.设计特点..............................................................................................................................3三.固定资产管理系统数据库分析与设计.........................................................................31.系统的功能模块图..............................................................................................................32.数据库结构设计..................................................................................................................43.概念模型设计(E-R图)....................................................................................................6四.窗体实现与设计.................................................................................................................81.登陆界面..............................................................................................................................82.主界面................................................................................................................................103.部门信息管理界面............................................................................................................154.资产类别管理界面............................................................................................................185.固定资产信息编辑界面.....................................................................................................206.固定资产信息管理界面.....................................................................................................247.固定资产分配界面............................................................................................................288.固定资产变更界面............................................................................................................309.固定资产折旧界面............................................................................................................3210.固定资产报废界面...........................................................................................................3511.用户管理界面..................................................................................................................3712.修改密码界面..................................................................................................................39五.结论与体会........................................................................................................................41一.摘要1.背景说明随着社会经济的不断发展,企业规模越来...

1、当您付费下载文档后,您只拥有了使用权限,并不意味着购买了版权,文档只能用于自身使用,不得用于其他商业用途(如 [转卖]进行直接盈利或[编辑后售卖]进行间接盈利)。
2、本站所有内容均由合作方或网友上传,本站不对文档的完整性、权威性及其观点立场正确性做任何保证或承诺!文档内容仅供研究参考,付费前请自行鉴别。
3、如文档内容存在违规,或者侵犯商业秘密、侵犯著作权等,请点击“违规举报”。

碎片内容

固定资产管理系统

状元书阁+ 关注
实名认证
内容提供者

爱好英语教学和互联网行业,热爱教育事业,兢兢业业

确认删除?
VIP
微信客服
  • 扫码咨询
会员Q群
  • 会员专属群点击这里加入QQ群
客服邮箱
回到顶部