电脑桌面
添加小米粒文库到电脑桌面
安装后可以在桌面快捷访问

继电保护与自动化综合实验报告VIP免费

继电保护与自动化综合实验报告_第1页
1/46
继电保护与自动化综合实验报告_第2页
2/46
继电保护与自动化综合实验报告_第3页
3/46
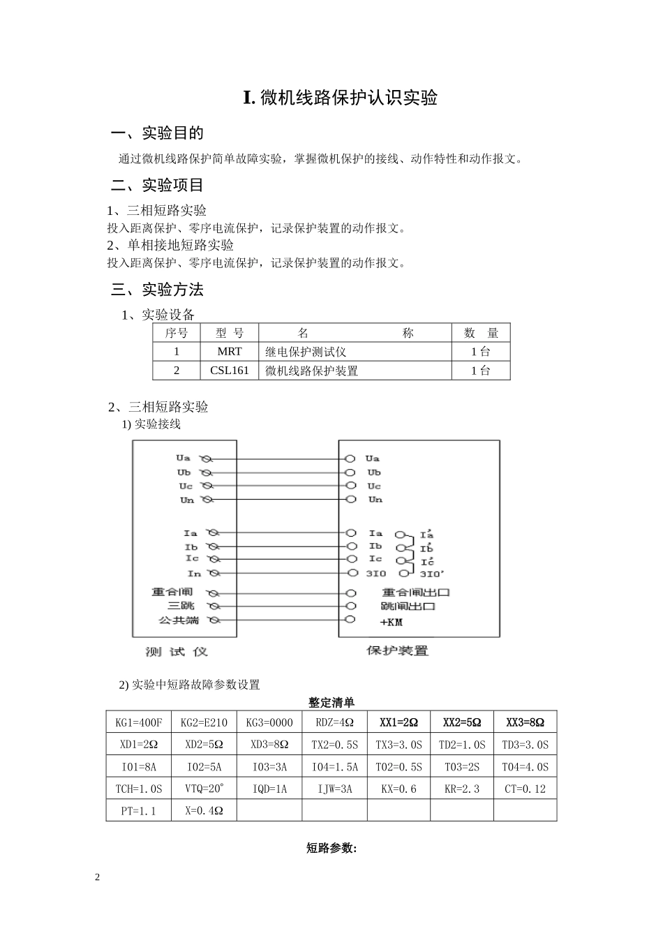
华北电力大学继电保护与自动化综合实验报告院系电气学院班级姓名学号同组人姓名日期2016年1月20日教师肖仕武成绩1.Ⅰ微机线路保护认识实验一、实验目的通过微机线路保护简单故障实验,掌握微机保护的接线、动作特性和动作报文。二、实验项目1、三相短路实验投入距离保护、零序电流保护,记录保护装置的动作报文。2、单相接地短路实验投入距离保护、零序电流保护,记录保护装置的动作报文。三、实验方法1、实验设备序号型号名称数量1MRT继电保护测试仪1台2CSL161B微机线路保护装置1台2、三相短路实验1)实验接线2)实验中短路故障参数设置整定清单KG1=400FKG2=E210KG3=0000RDZ=4XX1=2XX2=5XX3=8XD1=2XD2=5XD3=8TX2=0.5STX3=3.0STD2=1.0STD3=3.0SI01=8AI02=5AI03=3AI04=1.5AT02=0.5ST03=2ST04=4.0STCH=1.0SVTQ=20IQD=1AIJW=3AKX=0.6KR=2.3CT=0.12PT=1.1X=0.4短路参数:2KR=2.30,KX=0.60;短路电流Ik=5A,故障前时间5s,故障时间5s3)保护动作情况记录相别瞬时/永久故障短路阻抗(Ω)跳A(s)跳B(s)跳C(s)重合闸(s)后加速(s)故障前时间(s)故障时间(s)ABC永久40.5040.5040.5041.047—55报文:2ZKJCK,CHCK,CJL=91.50BC(相间II段阻抗出口,重合出口,测距91.50km,BC相故障)理论:相间II段阻抗出口,重合出口,相间III段阻抗出口,测距91.70km,ABC三相短路ABC瞬时73.0053.0053.0051.046—55报文:3ZKJCK,CHCK,CJL=159.00AB(相间III段阻抗出口,重合出口,测距159.00km,AB相故障)理论:相间III段阻抗出口,重合出口,测距160.48km,ABC三相短路4)报文及保护动作结果分析二次侧:Z2=U2/I2,一次侧:Z1=U2*1.1/(I2*0.12)=9.17Z2,则有:二次侧短路阻抗为1Ω时,理论测距L=9.17*1/0.4=22.93(km)二次侧短路阻抗为4Ω时,理论测距L=9.17*4/0.4=91.70(km)二次侧短路阻抗为7Ω时,理论测距L=9.17*7/0.4=160.48(km)相间距离保护基本能正确动作,但无法正确反映三相短路故障,出现选相错误。故障发生地距离越远,测距误差越小,I段测距误差较大。实验中发生永久性故障时,无后加速时间,据说明书,理论上只要是永久性故障,重合闸失败后,都由III段保护再次切除,III段没有动作是因为电脑模拟系统永久性故障时,故障持续时间(5s)设置得过短,III段动作时间大于故障时间,即未断开而故障已消失,从而没有测出二次动作时间(表中的后加速时间)的情况。3、单相接地短路实验1)实验接线与三相短路实验一致2)实验中短路故障参数设置与三相短路实验一致33)保护动作情况记录相别瞬时/永久故障短路阻抗(Ω)跳A(s)跳B(s)跳C(s)重合闸(s)后加速(s)故障前时间(s)故障时间(s)A瞬时10.0220.0220.0221.053—55报文:1ZKJCK,CHCK,CJL=30.75AN(相间I段阻抗出口,重合出口,测距30.75km,A相接地短路)理论:相间I段阻抗出口,重合出口,测距22.93km,A相接地短路B永久41.0071.0071.0071.049—55报文:2ZKJCK,CHCK,CJL=90.50BN(相间II段阻抗出口,重合出口,测距90.50km,B相接地短路)理论:相间II段阻抗出口,重合出口,相间III段阻抗出口,测距91.70km,B相接地短路C瞬时73.0063.0063.0061.049—55报文:3ZKJCK,CHCK,CJL=157.00CN(相间III段阻抗出口,重合出口,测距157.00km,C相接地短路)理论:相间III段阻抗出口,重合出口,测距160.48km,C相接地短路4)报文及保护动作结果分析二次侧:Z2=U2/I2,一次侧:Z1=U2*1.1/(I2*0.12)=9.17Z2,则有:二次侧短路阻抗为1Ω时,理论测距L=9.17*1/0.4=22.93(km)二次侧短路阻抗为4Ω时,理论测距L=9.17*4/0.4=91.70(km)二次侧短路阻抗为7Ω时,理论测距L=9.17*7/0.4=160.48(km)相间距离保护基本能正确动作,能正确反映单相接地短路故障。故障发生地距离越远,测距误差越小,I段测距误差较大。实验中发生永久性故障时,无后加速时间,据说明书,理论上只要是永久性故障,重合闸失败后,都由III段保护再次切除,III段没有动作是因为电脑模拟系统永久性故障时,故障持续时间(5s)设置得过短,III段动作时间大于故障时间,即未断开而故障已消失,从而没有测出二次动作时间(表中的后加速时间)的情况。四、思考题1、微机线路保护装置161B包括...

1、当您付费下载文档后,您只拥有了使用权限,并不意味着购买了版权,文档只能用于自身使用,不得用于其他商业用途(如 [转卖]进行直接盈利或[编辑后售卖]进行间接盈利)。
2、本站所有内容均由合作方或网友上传,本站不对文档的完整性、权威性及其观点立场正确性做任何保证或承诺!文档内容仅供研究参考,付费前请自行鉴别。
3、如文档内容存在违规,或者侵犯商业秘密、侵犯著作权等,请点击“违规举报”。

碎片内容

继电保护与自动化综合实验报告

确认删除?
VIP
微信客服
  • 扫码咨询
会员Q群
  • 会员专属群点击这里加入QQ群
客服邮箱
回到顶部