电脑桌面
添加小米粒文库到电脑桌面
安装后可以在桌面快捷访问

自动化仪表简要介绍VIP免费

自动化仪表简要介绍_第1页
1/11
自动化仪表简要介绍_第2页
2/11
自动化仪表简要介绍_第3页
3/11
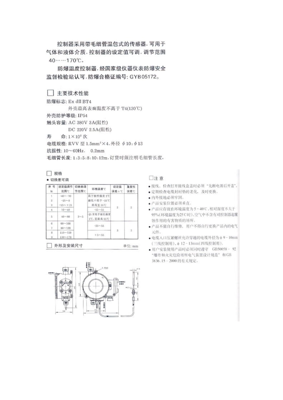
自动化仪表自动化仪表一般同时具有数种功能,如测量、显示、记录或测量、控制、报警等。自动化仪表本身是一个系统,又是整个自动化系统中的一个子系统。自动化仪表是一种“信息机器”,其主要功能是信息形式的转换,将输入信号转换成输出信号。信号可以按时间域或频率域表达,信号的传输则可调制成连续的模拟量或断续的数字量形式。发展趋势①、控制目标由实现过程工艺参数的稳定运行发展为以最优质量为指标的最优控制。②、控制方法由模拟的反馈控制发展为数字式的开环预测控制;由传统的手动定值调节器、PID调节器以及各种顺序控制装置,发展为以微型机构成的数字调节器和自适应调节器。分类按仪表所使用的能源分类,可以分为气动仪表、电动仪表和液动仪表;按仪表组合形式,可以分为基地式仪表、单元组合仪表和综合控制装置;按仪表安装形式,可以分为现场仪表、盘装仪表和架装仪表;根据仪表有否引入微处理机又可分为智能仪表与非智能仪表;根据仪表的信号形式可以分为模拟仪表和数字仪表。主要类型如下:1、温度仪表玻璃温度计双金属温度计压力式温度计热电偶热电阻非接触式温度计温度控制(调节)器温度变送器温度校验仪表温度传感器温度测试仪2、压力仪表压力计压力表压力变送器差压变送器压力校验仪表减压器胎压计气压自动调节控制仪器液压自动调节控制仪器压力传感器3、流量仪表流量计流量传感器流量变送器水表煤气表液位变送器液位继电器液位计油表水位计液位控制器计量仪4、电工仪器仪表电流表电压表电流功率频率表电流分配测电笔断路器开关接触器继电器接线端子调压器电压监测仪智能电力监测仪稳压器兆欧表钳形表万用表电量变送器电流变送器镇流器整流器5、电子测量仪器LCR测量仪物位仪粘度计示波器信号发生器8、工业自动化仪表控制系统调节仪器多功能仪器加热设备绕线机装置智能仪表安全栅变频器模块无纸记录仪探头放大器加速度传感器测速传感器位移传感器转速传感器电流传感器张力传感器温度测量仪表温度测量仪表按测温方式可分为接触式和非接触式两大类。通常来说接触式测温仪表测温仪表比较简单、可靠,测量精度较高;但因测温元件与被测介质需要进行充分的热交金刚,帮需要一定的时间才能达到热平衡,所以存在测温的延迟现象,同时受耐高温材料的限制,不能应用于很高的温度测量。非接触式仪表测温是通过热辐射原理来测量温度的,测温元件不需与被测介质接触,测温范围广,不受测温上限的限制,也不会破坏被测物体的温度场,反应速度一般也比较快;但受到物体的发射率、测量距离、烟尘和水气等外界因素的影响,其测量误差较大。WTZK-52-B防爆型温度控制器防爆电接点压力表:用于爆炸危险的场所内用来测量非结晶、非凝固的爆炸性混合物或各种无爆炸性介质压力防爆电接点压力表系按GB3836.183《爆炸性环境用防爆电气设备通用要求》和GB3836.283《爆炸性环境用防爆电气设备隔爆型电气设备“d”》的有关规定及相关标准进行设计,并经由国家指定的检验机构所审批的图样和技术文件进行制造。仪表的防爆类别为Ⅱ类隔爆型B级T4组,其标志为ExdⅡBT4。仪表适宜在有爆炸危险的场所内用来测量非结晶、非凝固的爆炸性混合物或各种无爆炸性的介质压力。仪表经与具有相应防爆性能或采取相应安全措施的电气器件(如继电器及接触器等)配套使用,便能对被控系统实现自动控制和发信(报警)的目的。主要技术指标精确度等级:1.5标度范围:0~0.16;0~0.25;0~0.4;0~0.6;0~1;0~1.6;0~2.5;0~4;0~6;0~10;0~16;0~25;0~40;0~60;-0.1~0.06;-0.1~0.15;-0.1~0.3;-0.1~0.5;-0.1~0.9;-0.1~1.5;-0.1~2.4MPa控制方式:上、下限缓行接点开关最高工作电压:DC220V或AC380V;触头功率:10VA工作位置:垂直安装使用环境条件:-10~50℃,相对湿度不大于80%,且爆炸性混合物应属于ⅡB级T4组以下,工作振动和被测介质的急剧脉动应对仪表触头的可靠动作无影响。温度影响:示值不大于0.4%/10℃,设定点不大于0.6%/10℃(使用温度偏离20±5℃)。绝缘强度:50Hz正弦交流电2000V历时一分钟重量:6kg隔爆接合面型式及其基本参数外壳容积V(L)>0.5接合...

1、当您付费下载文档后,您只拥有了使用权限,并不意味着购买了版权,文档只能用于自身使用,不得用于其他商业用途(如 [转卖]进行直接盈利或[编辑后售卖]进行间接盈利)。
2、本站所有内容均由合作方或网友上传,本站不对文档的完整性、权威性及其观点立场正确性做任何保证或承诺!文档内容仅供研究参考,付费前请自行鉴别。
3、如文档内容存在违规,或者侵犯商业秘密、侵犯著作权等,请点击“违规举报”。

碎片内容

自动化仪表简要介绍

确认删除?
VIP
微信客服
  • 扫码咨询
会员Q群
  • 会员专属群点击这里加入QQ群
客服邮箱
回到顶部