电脑桌面
添加小米粒文库到电脑桌面
安装后可以在桌面快捷访问

软件工程模拟题1带答案VIP免费

软件工程模拟题1带答案_第1页
1/8
软件工程模拟题1带答案_第2页
2/8
软件工程模拟题1带答案_第3页
3/8
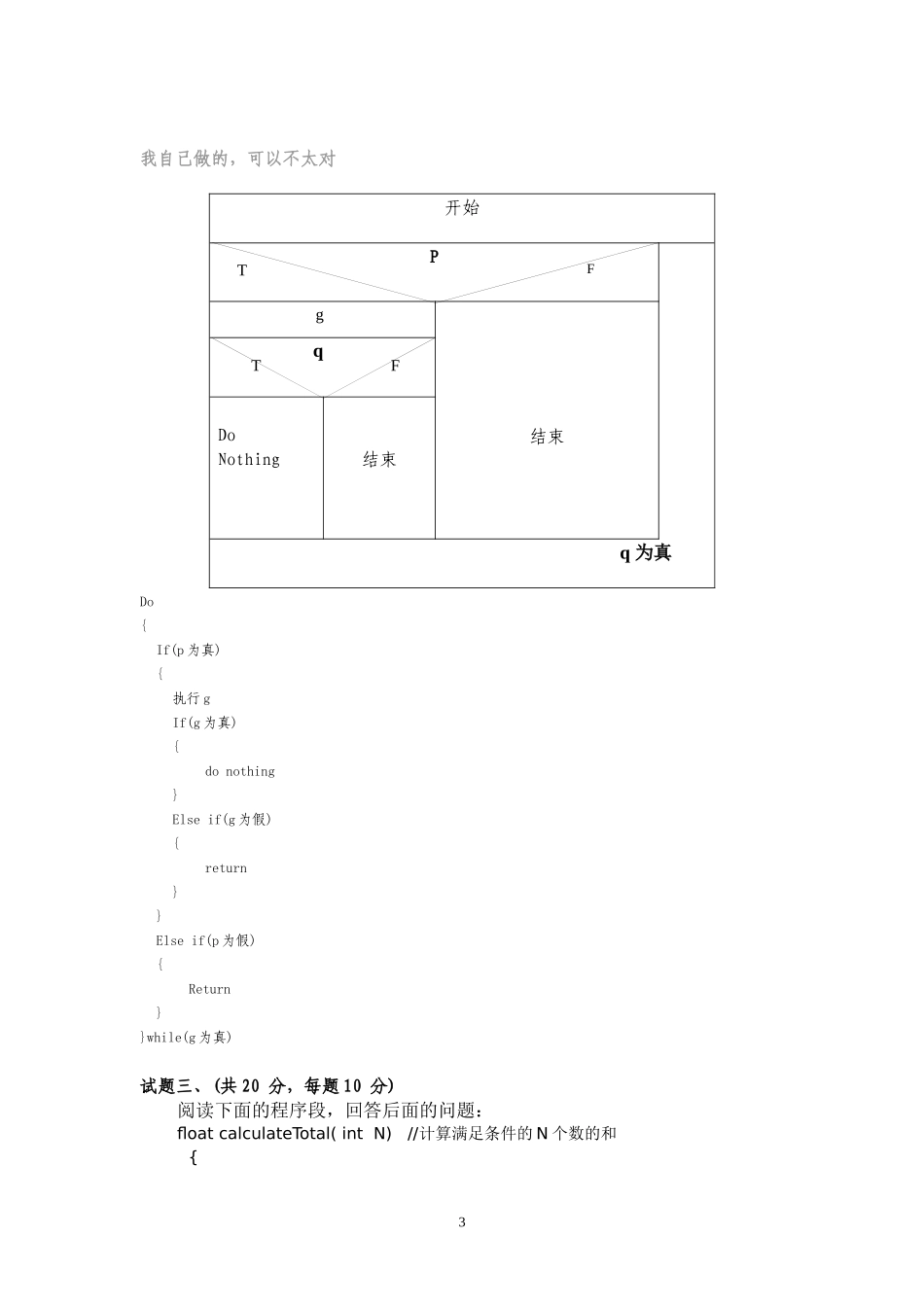
软件工程期末试卷A试题一、结构化分析与设计(共20分,每小题10分)需求陈述:高考录取统分子系统有如下功能:(1)计算标准分:根据考生原始分计算,得到标准分,存入考生分数文件;(2)计算录取线分:根据标准分、招生计划文件中的招生人数,计算录取线,存入录取线文件。要求:用结构化方法学对高考录取统分子系统进行分析与设计,分别完成以下工作:(1)给出高考录取统分子系统的功能模型(用数据流图表示)。(10分)(2)给出高考录取统分子系统的软件体系结构(用H图或结构图表示)。(10分)答案网上搜的答案结构图即软件的模块1g真假假开始结束p>0q真开始q为真PTF结束g试题二、下面是程序流程图,试分别用N-S图和伪代码(类C语言描述)表示。(共20分)答案:我做的:do{if(!p){exit();}g;}while(q);2我自己做的,可以不太对开始Pg结束qDoNothing结束q为真Do{If(p为真){执行gIf(g为真){donothing}Elseif(g为假){return}}Elseif(p为假){Return}}while(g为真)试题三、(共20分,每题10分)阅读下面的程序段,回答后面的问题:floatcalculateTotal(intN)//计算满足条件的N个数的和{TFTF312345567floatcount=0.0;inti=1;while(i<=N){if(i%4==0)count+=i;i++;}returncount;}(1)画出上述程序的有向流图,并计算该函数的环形复杂度。(每问5分,共10分)(2)请用基本路径的测试技术完成该函数的测试。要求给出基本路径和测试用例。(每问5分,共10分)答:这道题课本上没有知识点,从网上搜出来的,知识点见“测试基础”PPT的P30页白盒测试代码分支图的环形复杂度计算:环形复杂度以图论为基础,为我们提供了非常有用的软件度量。可用如下三种方法之一来计算环形复杂度:(1)控制流图中环形区域的数量对应于环形复杂度。(2)给定控制流图G的环形复杂度—V(G),定义为V(G)=E-N+2其中,E是控制流图中边的数量,N是控制流图中的节点数量。(3)给定控制流图G的环形复杂度—V(G),也可定义为V(G)=P+1其中,P是控制流图G中判定节点的数量。何为判定节点:即存在一个输入,两个或两个以上输出路径的节点。环形复杂度V(G)=区域数=边-结点+2=判定结点+1环形复杂度3基本路径3条路径1:1-2-3-4-6-3-7对应的测试用例N=1路径2:1-2-3-4-5-6-3-7对应的测试用例N=4路径3:1-2-3-7对应的测试用例N=0路径1:1-2-3-4-6-7对应的测试用例N=1(???不太确定)路径2:1-2-3-4-5-6-7对应的测试用例N=4路径3:1-2-3-4-6-3-7对应的测试用例N=44试题四、面向对象分析与设计(共40分,每题10分)需求陈述:atm系统包括软件和硬件两部分,其业务大概分为4个部分:查询帐户余额、取款、存款和更改用户的密码。一个完整的atm系统包括一下几个模块:(1)读卡机模块允许储户讲银行卡插入读卡机,读卡机识别卡的种类并在显示器上提示用户输入密码。(2)输入模块储户可以输入密码和取款金额,并选择要完成的事务。通常在键盘上只设数字键和功能键,目的方便储户,该模块需要储户的交互。(3)ic认证模块主要鉴别储户卡的真伪。基于ic卡的安全授权系统,要求从技术上严格保证卡的唯一性与防伪性,从而保证网络的安全。(4)显示模块显示储户相关的信息,包括储户交互是的提示信息和确认信息。(5)吐钱机模块吐钱机按照储户的要求,选择合适面值的钞票给储户。附:atm系统“取款”过程的主要事件流的描述。(1)客户将卡插入ATM机,开始用例。(2)ATM显示欢迎消息并提示客户输入密码。(3)客户输入密码。(4)ATM确认密码有效。如果无效则执行子事件流a。如果与主机联接有问题,则执行异常事件流e。(5)ATM提供以下选项:存钱,取钱,查询。(6)用户选择取钱选项。(7)ATM提示输入所取金额。(8)用户输入所取金额。(9)ATM确定该帐户是否有足够的金额。如果余额不够,则执行子事件流b,如果与主机联接有问题,则执行异常事件流e。(10)ATM从客户帐户中减去所取金额。(11)ATM向客户提供要取的钱。(12)ATM打印清单。ATM退出客户的卡,用例结束。子事件流a:a1.提示用户输入无效密码,请求再次输入;a2.如果三次输入无效密码,系统自动关闭,退出客户银行卡。子事件流b:b1.提示用户余额不够。b2.返回...

1、当您付费下载文档后,您只拥有了使用权限,并不意味着购买了版权,文档只能用于自身使用,不得用于其他商业用途(如 [转卖]进行直接盈利或[编辑后售卖]进行间接盈利)。
2、本站所有内容均由合作方或网友上传,本站不对文档的完整性、权威性及其观点立场正确性做任何保证或承诺!文档内容仅供研究参考,付费前请自行鉴别。
3、如文档内容存在违规,或者侵犯商业秘密、侵犯著作权等,请点击“违规举报”。

碎片内容

软件工程模拟题1带答案

您可能关注的文档

确认删除?
VIP
微信客服
  • 扫码咨询
会员Q群
  • 会员专属群点击这里加入QQ群
客服邮箱
回到顶部