电脑桌面
添加小米粒文库到电脑桌面
安装后可以在桌面快捷访问

安全生产标准化评分表(井工煤矿2017版)VIP免费

安全生产标准化评分表(井工煤矿2017版)_第1页
1/64
安全生产标准化评分表(井工煤矿2017版)_第2页
2/64
安全生产标准化评分表(井工煤矿2017版)_第3页
3/64
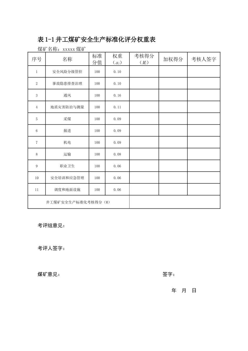
表1-1井工煤矿安全生产标准化评分权重表煤矿名称:xxxxx煤矿序号名称标准分值权重(ai)考核得分(Mi)加权得分考核人签字1安全风险分级管控1000.102事故隐患排查治理1000.103通风1000.164地质灾害防治与测量1000.115采煤1000.096掘进1000.097机电1000.098运输1000.089职业卫生1000.0610安全培训和应急管理1000.0611调度和地面设施1000.06井工煤矿安全生产标准化考核得分(M)考评组意见:考评人签字:煤矿意见:签字:年月日表2-1煤矿安全风险分级管控标准化评分表项目项目内容基本要求标准分值评分方法得分一、工作机制(10分)职责分工1.建立安全风险分级管控工作责任体系,矿长全面负责,分管负责人负责分管范围内的安全风险分级管控工作4查资料和现场。未建立责任体系不得分,随机抽查,矿领导1人不清楚职责扣1分2.有负责安全风险分级管控工作的管理部门2查资料。未明确管理部门不得分制度建设建立安全风险分级管控工作制度,明确安全风险的辨识范围、方法和安全风险的辨识、评估、管控工作流程4查资料。未建立制度不得分,辨识范围、方法或工作流程1处不明确扣2分二、安全风险辨识评估(40分)年度辨识评估每年底矿长组织各分管负责人和相关业务科室、区队进行年度安全风险辨识,重点对井工煤矿瓦斯、水、火、煤尘、顶板、冲击地压及提升运输系统,露天煤矿边坡、爆破、机电运输等容易导致群死群伤事故的危险因素开展安全风险辨识;及时编制年度安全风险辨识评估报告,建立可能引发重特大事故的重大安全风险清单,并制定相应的管控措施;将辨识评估结果应用于确定下一年度安全生产工作重点,并指导和完善下一年度生产计划、灾害预防和处理计划、应急救援预案10查资料。未开展辨识或辨识组织者不符合要求不得分,辨识内容(危险因素不存在的除外)缺1项扣2分,评估报告、风险清单、管控措施缺1项扣2分,辨识成果未体现缺1项扣1分专项辨识评估新水平、新采(盘)区、新工作面设计前,开展1次专项辨识:1.专项辨识由总工程师组织有关业务科室进行;2.重点辨识地质条件和重大灾害因素等方面存在的安全风险;3.补充完善重大安全风险清单并制定相应管控措施;4.辨识评估结果用于完善设计方案,指导生产工艺选择、生产系统布置、设备选型、劳动组织确定等8查资料和现场。未开展辨识不得分,辨识组织者不符合要求扣2分,辨识内容缺1项扣2分,风险清单、管控措施、辨识成果未在应用中体现缺1项扣1分生产系统、生产工艺、主要设施设备、重大灾害因素(露天煤矿爆破参数、边坡参数)等发生重大变化时,开展1次专项辨识:1.专项辨识由分管负责人组织有关业务科室进行;2.重点辨识作业环境、生产过程、重大灾害因素和设施设备运行等方面存在的安全风险;3.补充完善重大安全风险清单并制定相应的管控措施;4.辨识评估结果用于指导重新编制或修订完善作业规程、操作规程8查资料和现场。未开展辨识不得分,辨识组织者不符合要求扣2分,辨识内容缺1项扣2分,风险清单、管控措施、辨识成果未在应用中体现缺1项扣1分启封火区、排放瓦斯、突出矿井过构造带及石门揭煤等高危作业实施前,新技术、新材料试验或推广应用前,连续停工停产1个月以上的煤矿复工复产前,开展1次专项辨识:1.专项辨识由分管负责人组织有关业务科室、生产组织单位(区队)进行;2.重点辨识作业环境、工程技术、设备设施、现场操作等方面存在的安全风险;3.补充完善重大安全风险清单并制定相应的管控措施;4.辨识评估结果作为编制安全技术措施依据8查资料和现场。未开展辨识不得分,辨识组织者不符合要求扣2分,辨识内容缺1项扣2分,风险清单、管控措施、辨识成果未在应用中体现缺1项扣1分本矿发生死亡事故或涉险事故、出现重大事故隐患或所在省份发生重特大事故后,开展1次针对性的专项辨识;1.专项辨识由矿长组织分管负责人和业务科室进行;2.识别安全风险辨识结果及管控措施是否存在漏洞、盲区;3.补充完善重大安全风险清单并制定相应的管控措施;4.辨识评估结果用于指导修订完善设计方案、作业规程、操作规程、安全技术措施等技术文件6查资料和现场。未开展辨识不得分,辨识组织者不符合要求扣2分,辨识内容缺1项扣2分...

1、当您付费下载文档后,您只拥有了使用权限,并不意味着购买了版权,文档只能用于自身使用,不得用于其他商业用途(如 [转卖]进行直接盈利或[编辑后售卖]进行间接盈利)。
2、本站所有内容均由合作方或网友上传,本站不对文档的完整性、权威性及其观点立场正确性做任何保证或承诺!文档内容仅供研究参考,付费前请自行鉴别。
3、如文档内容存在违规,或者侵犯商业秘密、侵犯著作权等,请点击“违规举报”。

碎片内容

安全生产标准化评分表(井工煤矿2017版)

确认删除?
VIP
微信客服
  • 扫码咨询
会员Q群
  • 会员专属群点击这里加入QQ群
客服邮箱
回到顶部