电脑桌面
添加小米粒文库到电脑桌面
安装后可以在桌面快捷访问

设备管理的创新思维VIP免费

设备管理的创新思维_第1页
1/12
设备管理的创新思维_第2页
2/12
设备管理的创新思维_第3页
3/12
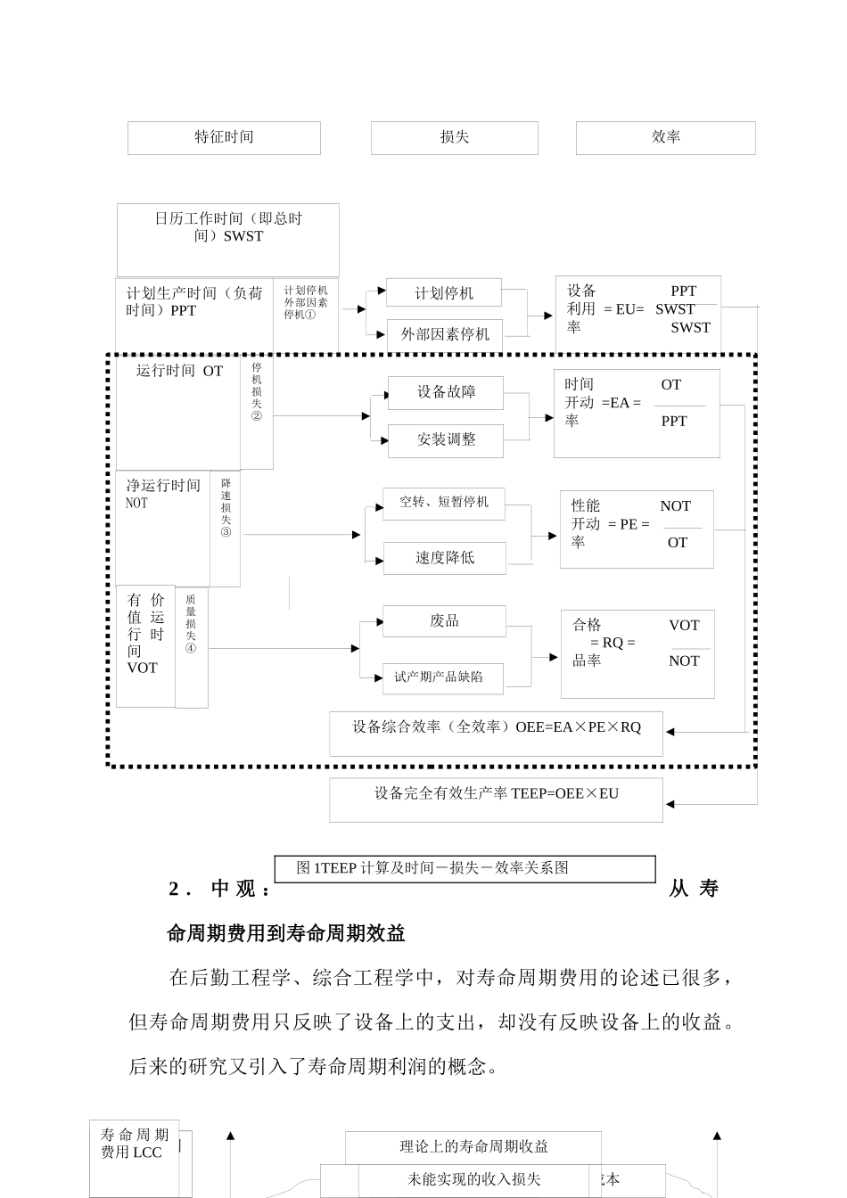
设备管理思维与模式创新李葆文21世纪将近,全球经济发展和工业技术进步必然带来设备管理从观念到模式的变革。过去我们常说:忘记过去就是意味着背叛,现在我们要说:固守过去就预示着失败。一、主角与配角的辩证观常听企业的人说,设备管理常处于被动的,从属的和配角的地位。其实,一绌戏无所谓主角和配角。名义上的配角演技出色,常常成为观众心目中的主角。即使是主角真正出色,若没有若干高超的配角搭档,全戏也难出彩。这使我们想起了电视剧《雍正王朝》,如果没有康熙、十三爷、年庚尧等人的精彩表演,也难衬托雍正的出色,更难提升全剧的水准。设备管理作为子系统,与质量、工艺、生产、安全、环保一样,构成了整个企业管理的大系统,缺一不可,而且互相影响,互相依存。设备管理系统不去认真的设计,科学的构造,终会成为企业发展的严重制约。从这种意义上说,它已成为企业这台戏的“主角”,反过来,出色运行的设备管理系统又可以大大促进企业的发展。在这种意义上,也是“主角”。而那种不好不坏,无声无色,“救火队”功能的设备管理则永远居于“配角”的地位。设备管理工作者从心理上应安于名义上的配角,从行为上应无愧一个出色的配角,从功能上应争当企业运行的主角。效益最大化是企业追求的永恒目标,设备管理能否成为企业发展的主角,要看它对企业效益的贡献。二、设备管理创造生产力97’广州设备管理与维修国际会议提出“设备管理是生产力”的口号。这一提法是有其根据的。1、微观:从OEE到TEEP在TPM里,设备综合效率即全效率OEE的计算,可以较全面地反映生产现场设备管理对设备综合效率的影响。我们在计算OEE时,遇到计划停机以外的外部因素,如无订单、停水、电、气、汽、待料等造成停机损失,常不知如何处理。当我们把OEE的计算作一扩展,给出“设备完全有效生产率(TEEP)”这一新概念和新算法,上述的问题可以迎刃而解。TEEP的结构及特征时间,损失与各项效率的关系,如图所示。注:图中黑虚线框以内部分为OEE计算的结构,全图为TEEP的计算。图中符号意义如下:①:计划及外因停机损失②:故障及调机损失③:降速及空转损失④:试产及运行废品损失从图1可见,影响设备管理完全有效生产率的是由影响OEE的六大损失加上计划停机和外部因素停机这八大损失构成的。2.中观:从寿命周期费用到寿命周期效益在后勤工程学、综合工程学中,对寿命周期费用的论述已很多,但寿命周期费用只反映了设备上的支出,却没有反映设备上的收益。后来的研究又引入了寿命周期利润的概念。特征时间损失效率日历工作时间(即总时间)SWST计划生产时间(负荷时间)PPT计划停机外部因素停机①计划停机外部因素停机设备PPT利用=EU=SWST率SWST运行时间OT停机损失②设备故障安装调整时间OT开动=EA=率PPT净运行时间NOT降速损失③空转、短暂停机速度降低性能NOT开动=PE=率OT有价值运行时间VOT质量损失④废品试产期产品缺陷合格VOT=RQ=品率NOT设备综合效率(全效率)OEE=EA×PE×RQ设备完全有效生产率TEEP=OEE×EU以固定资产折旧形式表现出的资本成本运行成本维修成本未能实现的收入损失理论上的寿命周期收益寿命周期损失LCL寿命周期利润LCP寿命周期费用LCC图1TEEP计算及时间-损失-效率关系图TEEP寿命周期图2寿命周期效益的概念图2可以粗略地反映出设备整个寿命周期的成本、收益和利润结构。从图2可以看出,设备寿命周期内的费用,有初期的投入(设置费),使用期日常运行和维修成本。而由于六大损失和其它非计划停机的外部因素影响,又造成了未能实现的收入损失。这些因素既涉及到设备的前期管理,又涉及到现场的日常管理、维修管理等诸方面。3.次宏观:经济分析企业利润是由收入与成本的差来决定的。企业效益最大化就是利润最大化和成本最小化,而从图3的结构分析可以看出,影响企业利润诸多因素中,有很多项与设备管理直接或间接相关。企业利润收入成本销售收入销售成本固定资产流动资产图3企业经济效益与设备管理设备4.宏观:设备的广义输出图4给出设备的输入和广义的输出。从广义上讲,设备的输入内容是材料、能源和人员,而设备的输出是产量、质量、成本、交货期、安全/环保、劳动...

1、当您付费下载文档后,您只拥有了使用权限,并不意味着购买了版权,文档只能用于自身使用,不得用于其他商业用途(如 [转卖]进行直接盈利或[编辑后售卖]进行间接盈利)。
2、本站所有内容均由合作方或网友上传,本站不对文档的完整性、权威性及其观点立场正确性做任何保证或承诺!文档内容仅供研究参考,付费前请自行鉴别。
3、如文档内容存在违规,或者侵犯商业秘密、侵犯著作权等,请点击“违规举报”。

碎片内容

设备管理的创新思维

确认删除?
VIP
微信客服
  • 扫码咨询
会员Q群
  • 会员专属群点击这里加入QQ群
客服邮箱
回到顶部