电脑桌面
添加小米粒文库到电脑桌面
安装后可以在桌面快捷访问

京三技术规范VIP免费

京三技术规范_第1页
1/30
京三技术规范_第2页
2/30
京三技术规范_第3页
3/30
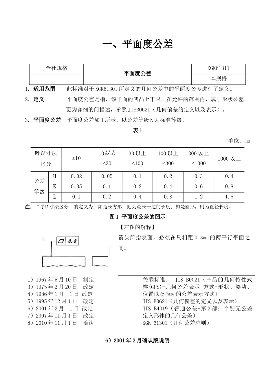
目录一、平面度公差......................................................1二、钣金加工品尺寸的普通允许公差....................................3三、直角度公差......................................................8四、一般涂装处理工艺...............................................11五、切削加工品尺寸的普通允许公差...................................16六、防锈目的电镀处理工艺...........................................21七、平行度公差.....................................................25标准紧固扭矩表.....................................................28一、平面度公差全社规格平面度公差KGK61311本规格1.适用范围此标准对于KGK61301所定义的几何公差中的平面度公差进行了定义。2.定义平面度公差是指,该平面的凹凸上下限,在允许的范围内,属于形状公差。更为详细的门描述,参照JISB0621(几何偏差的定义以及表示)。3.平面度公差平面度公差如1所示。以公差等级K为标准等级。表1单位:mm呼び寸法区分≤1010以上≤3030以上≤100100以上≤300300以上≤10001000以上公差等级H0.020.050.10.20.30.4K0.050.10.20.40.60.8L0.10.20.40.81.21.6注:“呼び寸法区分”的定义为:如是长方形,则为最长一边的长度;如是圆形,则为直径长度。图1平面度公差的图示【左图的解释】箭头所指表面,必须在只相距0.3mm的两平行平面之间。1)1967年5月10日制定关联标准:JISB0021(产品的几何特性式样(GPS)-几何公差表示方式-形状、姿势、位置以及振动的公差表示方式)JISB0621(几何偏差的定义以及表示)JISB4019(普通公差-第2部:个别无公差定义形体的几何公差)KGK61301(几何公差总则)3)1975年2月20日改定4)1986年1月1日改定5)1995年12月1日改定6)2001年2月1日改定7)2007年11月1日改定8)2010年11月1日确认6)2001年2月确认版说明1.概要定期修正2.主要变更内容无变更(只进行确认)7)2007年11月修订版说明1.概要定期修正2.主要变更内容2.1修正了相关标准的JIS名称。JISB0021(几何公差的图示方法)JISB0021(产品的几何特性式样(GPS)-几何公差表示方式-形状、姿势、位置以及振动的公差表示方式)3.实施日2007年12月1日8)2010年11月确认版说明1.概要定期修正2.主要变更内容无变更(只进行确认)二、钣金加工品尺寸的普通允许公差1.适用范围:本标准定义了,板金加工图纸中,尺寸允许偏差没有用数值或者记号所表示部分的普通允许偏差(以下简称为普通允许偏差)。2.普通允许偏差:普通允许偏差的种类以及数值,如表1~6所示。3.等级:普通允许偏差的等级分为A级以及B级,通常的定义为A级。表1外形的普通允许公差单位:mm标准尺寸区分≤200200以上≤10001000以上≤20002000以上等级的区分A级B级A级B级A级B级A级B级普通允许公差±1.0±2.0±2.0±5.0±3.0±7.0±4.0±10.0注(1):柜门或者盖子相关尺寸参数参照表5。表2孔(圆孔、长孔、角孔)的普通允许公差单位:mm标准尺寸区分≤66以上≤3030以上≤100100以上等级的区分A级B级A级B级A级B级A级B级普通允许公差+0.20+0.40+0.30+0.60+0.50+1.00+0.80+1.60注(2):长孔和角孔,对于尺寸大的一方尺寸适用本表。1)1967年12月1日制定关联规格5)1995年12月1日改定6)2001年2月1日确认7)2007年11月1日确认8)2010年11月1日确认全社规格钣金加工品尺寸的普通允许公差KGK61213本规格表3孔与孔的中心距离以及孔中心与边缘的距离的普通允许偏差单位:mm距离区分孔径区分≤100100以上≤300300以上≤10001000以上A级B级A级B级A级B级A级B级6以下±0.3±0.6±0.5±1.0±1.0±2.0±1.5±3.06以上30以下±0.4±0.6±1.2±1.830以上±0.5±0.8±1.5±2.0注(3)::长孔和角孔,对于尺寸大的一方尺寸适用本表。注(4):两孔径不同的情况下,对于大孔径的尺寸适用本表。表4角度的普通允许偏差基本尺寸的区分(mm)≤100100以上≤300300以上≤10001000以上≤20002000以上直角的普通允许公差20’18’16’14’12’参考tan20’¿0.0058tan18’¿0.0052tan16’¿0.0046tan14’¿0.0040tan12’¿0.0034直角外的普通允...

1、当您付费下载文档后,您只拥有了使用权限,并不意味着购买了版权,文档只能用于自身使用,不得用于其他商业用途(如 [转卖]进行直接盈利或[编辑后售卖]进行间接盈利)。
2、本站所有内容均由合作方或网友上传,本站不对文档的完整性、权威性及其观点立场正确性做任何保证或承诺!文档内容仅供研究参考,付费前请自行鉴别。
3、如文档内容存在违规,或者侵犯商业秘密、侵犯著作权等,请点击“违规举报”。

碎片内容

京三技术规范

您可能关注的文档

确认删除?
VIP
微信客服
  • 扫码咨询
会员Q群
  • 会员专属群点击这里加入QQ群
客服邮箱
回到顶部