电脑桌面
添加小米粒文库到电脑桌面
安装后可以在桌面快捷访问

材料设备的供应组织方案VIP免费

材料设备的供应组织方案_第1页
1/13
材料设备的供应组织方案_第2页
2/13
材料设备的供应组织方案_第3页
3/13
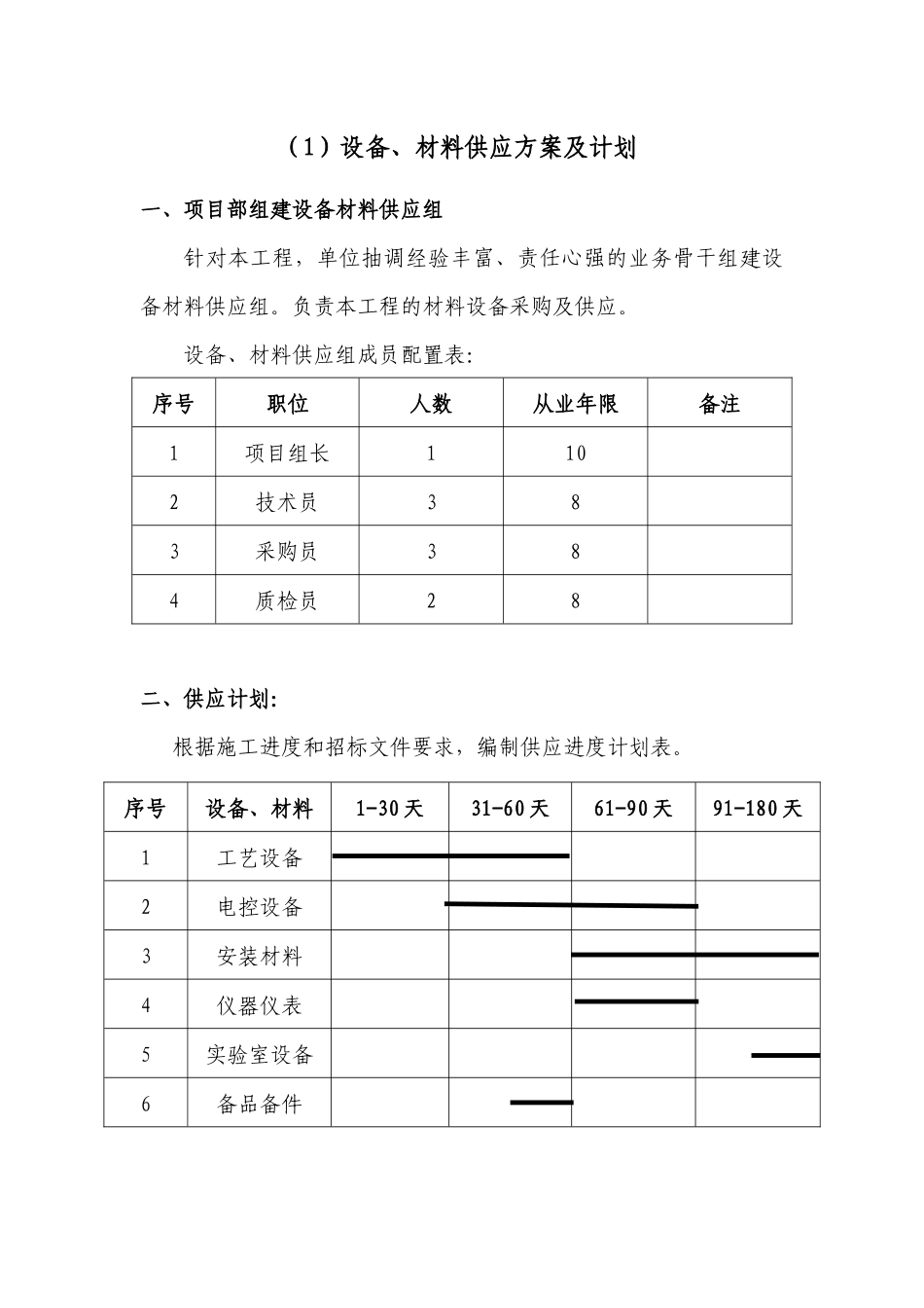
(1)设备、材料供应方案及计划一、项目部组建设备材料供应组针对本工程,单位抽调经验丰富、责任心强的业务骨干组建设备材料供应组。负责本工程的材料设备采购及供应。设备、材料供应组成员配置表:序号职位人数从业年限备注1项目组长1102技术员383采购员384质检员28二、供应计划:根据施工进度和招标文件要求,编制供应进度计划表。序号设备、材料1-30天31-60天61-90天91-180天1工艺设备2电控设备3安装材料4仪器仪表5实验室设备6备品备件三、供货流程:1、货物采购由项目经理牵头,设备、材料供应组组织设备采购。2、到货检验设备到货后,甲方和监理参加该设备在供货商所在地或交货地进行的设备到货检查。检查前我方将提前通知甲方和监理派员参加。3.开箱检验在仓库或工地现场进行的开箱检验由甲方、监理我公司等有关人员共同参加,对设备的内外包装设备外观进行检查,若发现设备短缺和外观破损,我公司将及时处理。4.安装验收安装验收是我公司和施工单位共同对设备安装工程根据有关的设备安装技术指标进行验收。安装验收后双方签署安装验收证书。5.完工测试系统完工测试主要是对已安装设备进行单体测试。6.大联调本系统设备联调是指:在与其它系统不相连的情况下,测试系统的所有设备作为一个完整的系统能否很好地工作,能否完成系统每一个设备的功能要求。联动联调是指与其它相关系统设备连接一起进行系统全面调试,以测试检验综合布线系统与其它系统的监控功能。系统功能测试完毕后,签署调试验收证书。7.试运行系统连续72小时运行测试完成,到系统现场完工测试结束,试运行验收通过后,系统将移交甲单位有关部门。8.质保期系统验收合格后开始进入质保期,正式投入使用,期间将进行抽查各种测试项目,检查系统运行的可靠性和稳定性。设备质保期按设备生产厂家质保期进行质保。四、供货质量控制:1、设备采购、制造过程质量管理流程设备采购严格按照以下流程,并重点作好流程中质量控制:考察评估供货厂家确定设备材料厂家采购计划编制及审核鉴定采购合同及技术协议设备厂家提供生产计划提供设备材料相关质量报告生产过程质量检验业主方、承包商现场监造造设备材料整体质检业主方、承包商现场检验设备至现场由业主方、监理验货复检制造商技术培训收集设备材料生产商资料制造商安装、试运行指导2、设备采购过程的质量控制主要设备及各种配套附属设备,均是项目的重要组成部分,为确保项目的整体质量,我公司将做好设备购置过程中设备质量的控制工作。设备的购置是直接影响设备质量的关键环节,设备能否满足生产工艺要求、配套投产、正常运转、充分发挥效能,确保精度和质量;设备是否技术先进、经济适用、操作灵活、安全可靠、维修方便、经久耐用;这些,均与设备的购置密切相关。采购设备,可采取市场采购,向制造厂商订货或招标采购等方式,采购质量控制主要是采购方案的审查及工作计划中明确的质量要求。2.1市场采购设备的质量控制2.1.1设备采购方案的质量控制由我公司编制的设备采购方案将提交业主方及监理单位,并由业主单位和监理单位要对采购方案进行审查。(1)设备采购方案的编制编制设备采购方案,要根据项目的总体计划和相关设计文件的要求,采购的设备必须符合设计要求。方案要明确设备采购的原则、范围和内容、程序、方式和方法,采购方案中要包括采购设备的类型、数量、质量要求、周期要求、市场供货情况、价格控制要求等因素。从而使整个设备采购过程符合项目建设的总体计划,设备满足质量要求,设备采购方案最终需获得业主方的批准。(2)设备采购的原则a向有良好信誉,供货质量稳定合格的供货商采购;b所采购设备的质量是可靠的,满足设计文件所确定的各项技术要求,能保证整个项目生产或运行的稳定性;c所采购设备和配件的价格是合理的,技术相对先进,交货及时,维修和保养能得到充分保障;d符合国家对特定设备采购的政策法规;(3)设备采购的范围和内容根据设计文件,对需采购设备编制拟采购的设备表,以及相应的备品配件表,包括名称、型号、规格、数量,主要技术性能,要求交货期,以及这些设备相应的图纸、数据表、技术规格、说明书、其他技术附件等。2.1.2市...

1、当您付费下载文档后,您只拥有了使用权限,并不意味着购买了版权,文档只能用于自身使用,不得用于其他商业用途(如 [转卖]进行直接盈利或[编辑后售卖]进行间接盈利)。
2、本站所有内容均由合作方或网友上传,本站不对文档的完整性、权威性及其观点立场正确性做任何保证或承诺!文档内容仅供研究参考,付费前请自行鉴别。
3、如文档内容存在违规,或者侵犯商业秘密、侵犯著作权等,请点击“违规举报”。

碎片内容

材料设备的供应组织方案

确认删除?
VIP
微信客服
  • 扫码咨询
会员Q群
  • 会员专属群点击这里加入QQ群
客服邮箱
回到顶部