电脑桌面
添加小米粒文库到电脑桌面
安装后可以在桌面快捷访问

水情自动测报系统计算机及网络设备VIP免费

水情自动测报系统计算机及网络设备_第1页
1/11
水情自动测报系统计算机及网络设备_第2页
2/11
水情自动测报系统计算机及网络设备_第3页
3/11
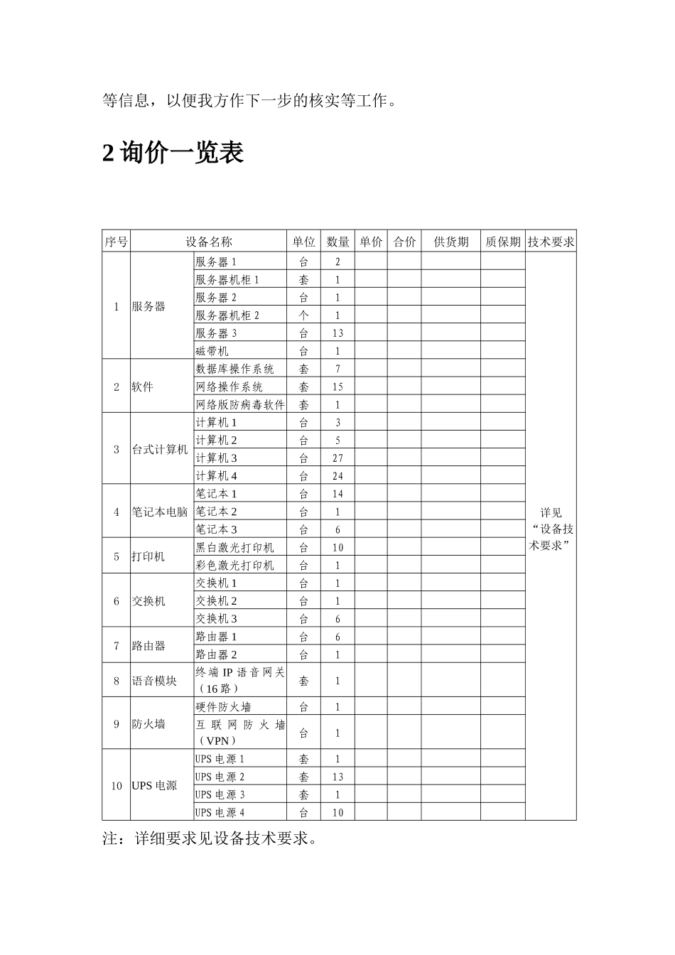
水情自动测报系统计算机及网络设备询价书询价单位:长江水利委员会水文局科研所二○○六年四月一日我单位根据承建的多个水情自动测报系统项目的实际需要,决定集中购置一批计算机及网络设备。现就水情自动测报系统计算机及网络设备的采购采用询价方式选择供货商。欢迎国内符合询价要求、有供货能力的公司或企业参加。1询价要求1.参加报价的各公司可根据本公司的实际经营范围和能力等情况对下述设备有选择性的报价(不要求全部报价)。2.报价表应采用传真、邮寄、电子邮件等形式于2006年4月7日之前发到我单位。收件地址:武汉市解放大道1863号长江水利委员会水文局科研所张国学收,邮编:430010,传真:027-82410216,电子邮箱:zhanggx@cjh.com.cn。3.设备报价表按照询价一览表的格式进行填写,其中在设备名称一栏中应加上产品的规格型号和配件明细及单价,单位为“人民币元”,单价包括承担的送货、调试、培训、售后技术支持、税金和其它类似的义务等内容,并提供询价与报价设备的性能技术指标对照表。4.各报价单位还应准备提供所报价设备的生产厂家授权代理证书、公司营业执照副本复印件(盖单位公章)以及相关业绩证明材料等有关资料备查。5.各单位在报价表后面标明单位联系人、联系电话、传真等信息,以便我方作下一步的核实等工作。2询价一览表序号设备名称单位数量单价合价供货期质保期技术要求1服务器服务器1台2详见“设备技术要求”服务器机柜1套1服务器2台1服务器机柜2个1服务器3台13磁带机台12软件数据库操作系统套7网络操作系统套15网络版防病毒软件套13台式计算机计算机1台3计算机2台5计算机3台27计算机4台244笔记本电脑笔记本1台14笔记本2台1笔记本3台65打印机黑白激光打印机台10彩色激光打印机台16交换机交换机1台1交换机2台1交换机3台67路由器路由器1台6路由器2台18语音模块终端IP语音网关(16路)套19防火墙硬件防火墙台1互联网防火墙(VPN)台110UPS电源UPS电源1套1UPS电源2套13UPS电源3套1UPS电源4台10注:详细要求见设备技术要求。3设备技术要求1.服务器设备技术要求(1)服务器1(进口品牌)CPU:IntelXeon3.6GHz、2MB二级缓存、800MHz前端总线、;主板芯片组:IntelE7520内存:2GB双路交错PC2-3200RDDR2内存,支持高级ECC和在线备援,最大可扩充至12GB,硬盘:3*72G10000转SCSI热插拔;可容纳6块通用热插拔U320SCSI硬盘阵列卡:集成SmartArray6iU320SCSI阵列控制器(64MB缓存),可选128MB电池保护写缓存,网卡:10/100/1000M自适应以太网卡*2主板扩展插槽(个):三个64位PCI-X插槽;三个USB端口显示器:17’液晶显示器;光驱:24速CD-ROM;电源风扇:配1个575W热插拔电源,支持1+1冗余热拔插电源,8个冗余热插拔风扇管理:集成iLo远程管理端口外观形式:2U机架式(2)服务器机柜142U服务器机柜,灰色,网孔(3)服务器2(进口品牌)英特尔至强处理器2.8GHz/2M,800MHz前端总线,1GB(4x256),DDR-2400MHzECC1R内存;80GB(7200RPM)SATAHardDrive;24xIDECD-ROM光驱;无软驱;17"CRT显示器;鼠标/键盘,嵌入式双SATA控制器;嵌入式双英特尔千兆网卡;嵌入式ATIRadeon7000-M(16MB)/机架式(4)服务器机柜2SH-F型服务器机柜(5)服务器3(进口品牌)CPU:IntelXeon3.0GHz、2MB二级缓存;主板芯片组:IntelE7520内存:配1GBPC2-3200DDR2SDRAM内存,支持在线备援,最大可扩充至12GB(6个内存槽);硬盘:集成双通道Ultra320SCSI控制器,可容纳6块通用热插拔硬盘,通过添加一个热插拔硬盘笼子,最多支持8块热插拔硬盘;配72GU320SCSI热插拔;网卡:10/100/1000M自适应以太网卡;主板扩展插槽:两个PCI-Expressx4,四个PCI-X,三个USB端口;支持2个外置SCSI接口阵列卡:SmartArray6402/2通道/128MB高速缓存/电池备援/PCI-X显示器:17’纯平显示器;光驱:48倍速IDECD-ROM光驱;1.44M软驱;电源:标配1个725W热插拔电源,支持冗余热拔插电源管理:集成iLo远程管理端口外观形式:立式。(6)磁带机(进口品牌)存储容量(GB):320压缩后存储容量(GB):640持续传输率(MB/s):3压缩后传输率(MB/s):6接口类型:SCSIUltra2平均无故障时间(MTBF)(小时):250,000磁带尺寸(英...

1、当您付费下载文档后,您只拥有了使用权限,并不意味着购买了版权,文档只能用于自身使用,不得用于其他商业用途(如 [转卖]进行直接盈利或[编辑后售卖]进行间接盈利)。
2、本站所有内容均由合作方或网友上传,本站不对文档的完整性、权威性及其观点立场正确性做任何保证或承诺!文档内容仅供研究参考,付费前请自行鉴别。
3、如文档内容存在违规,或者侵犯商业秘密、侵犯著作权等,请点击“违规举报”。

碎片内容

水情自动测报系统计算机及网络设备

状元书阁+ 关注
实名认证
内容提供者

爱好英语教学和互联网行业,热爱教育事业,兢兢业业

确认删除?
VIP
微信客服
  • 扫码咨询
会员Q群
  • 会员专属群点击这里加入QQ群
客服邮箱
回到顶部