电脑桌面
添加小米粒文库到电脑桌面
安装后可以在桌面快捷访问

电梯起重设备各级制造许可条件VIP免费

电梯起重设备各级制造许可条件_第1页
1/13
电梯起重设备各级制造许可条件_第2页
2/13
电梯起重设备各级制造许可条件_第3页
3/13
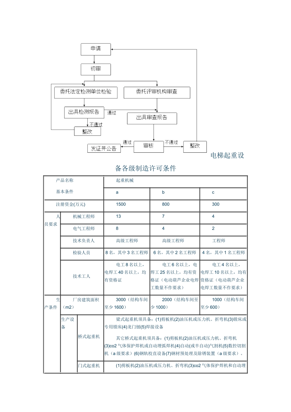
电梯、起重机械制造资格审办程序一、办理条件:1、具有独立的法人资格;2、技术人员、技术工人、检测人员满足生产制造要求;3、具有保证该产品质量的生产设备、工装和检测设备;4、具有完善的质量保证体系和相关的管理制度。二、工作流程:电梯起重设备各级制造许可条件产品名称基本条件起重机械abc注册资金(万元)1500800300人员要求机械工程师1374电气工程师842技术负责人高级工程师高级工程师工程师检验人员8名,其中3名工程师6名,其中2名工程师4名,其中1名工程师技术工人电工8名以上,电焊工40名以上,均有资格证电工6名以上,电焊工25名以上,均有资格证(电动葫芦企业电焊工数量不作要求)电工4名以上,电焊工10名以上,均有资格证(电动葫芦企业电焊工数量不作要求)生产条件厂房建筑面积(m2)3000(结构车间至少1600)2000(结构车间至少1000)1000(结构车间至少600)生产设备桥式起重机梁式起重机须具备:(1)剪板机(2)油压机或压力机、折弯机(3)镗床或专用镗床(4)龙门刨(5)焊接设备其它桥式起重机须具备:(1)剪板机(2)油压机或压力机、折弯机(3)co2气体保护焊机或自动埋弧焊机(4)自动(或半自动)气割机(5)数控切割机(a级要求)(6)钢轨校直设备(7)钢材预处理及除锈装置(a级要求)。门式起重机(1)剪板机(2)油压机或压力机、折弯机(3)co2气体保护焊机和自动埋弧焊机(4)自动(或半自动)气割机(5)数控切割机(a级要求)(6)钢轨校直设备(7)钢材预处理及除锈装置(a级要求)。塔式起重机(1)机加工设备(2)切割设备(3)焊接设备(4)钢材预处理及除锈装置(a级要求)。流动式起重机(1)焊接设备(2)自动下料自动切割设备(3)自动冲剪折边设备(4)油压机或水压机(5)数控设备(6)钢材预处理及除锈装置(a级要求)(7)涂装设备(8)平板机。铁路起重机(1)剪板机(2)钢材自动或半自动下料设备(3)钢材预处理及除锈装置(a级要求)(4)油压机或压力机、折弯机(5)机加工设备(6)碳弧气刨(7)焊接设备。门座起重机(1)剪板机(2)油压机或压力机、折弯机(3)co2气体保护焊机和自动埋弧焊机等焊接设备(4)碳弧气刨(5)钢材自动或半自动下料设备(6)钢材预处理及除锈装置(a级要求)。生产条件生产设备缆索起重机(1)Ф1600mm卧床(起重量<20t);Ф3000mm卧床(起重量≥20t)(2)co2气体保护焊机和自动埋弧焊机(3)钢材预处理及除锈装置(4)切割机(5)油压机或压力机、折弯机。桅杆起重机(1)机加工设备(2)切割设备(3)焊接设备(4)钢材预处理及除锈装置。旋臂式起重机(1)机加工设备(2)切割设备(3)焊接设备。升降机升船机须具备:(1)卧式车床(2)卷板机(3)油压机、压力机(或折弯机)(4)刨边机(5)剪板机(6)平板机(7)数控切割机(8)钢材预处理设备(9)金属防腐、涂装设备(10)co2气体保护焊机和自动埋弧焊机。其它升降机械须具备:(1)切割设备(2)焊接设备(3)涂装设备(4)机加工设备。轻小型起重设备葫芦生产厂须具备:(1)根据工艺要求配备的主要机加工设备,包括减速器箱体箱盖加工专用机床(2)焊接设备。叉车:(1)焊接设备(2)机加工设备(2)钢材预处理及除锈装置(3)涂装设备(4)铸造设备。机械式停车设备(1)型钢校直、钢板校平设备(2)焊接设备(3)剪板、折弯设备(4)表面涂装设备(5)钢材预处理及除锈装置。工艺装备桥式起重机梁式起重机须具备:(1)主梁连接板点焊胎具(2)主梁u型槽拼接点焊胎具(3)主梁u型槽与工字钢连接胎具(4)主梁焊接翻转台(5)端梁焊接胎具(6)u型槽冲模(7)工字钢拱度加工设备(8)主端梁连接孔钻模(9)起吊设备(悬挂起重机(1)、(8)不需要)。其它桥式起重机须具备:(1)铸造平台(2)桥架焊接翻转装置(3)小车架焊接翻转装置(4)小车架弯板、端梁弯板焊接定位胎具(5)小车架弯板、端梁弯板加工胎具(6)小车轨道压板压模(7)小车轨道压板压紧夹具(8)起吊设备。门式起重机(1)铸造平台(2)桥架焊接翻转装置(3)小车架焊接翻转装置(4)小车架弯板、端梁弯板焊接定位胎具(5)小车架弯板、端梁弯板加工胎具(6)组装场地及相应的起吊设备。塔式起重机(1)标准节工装(2)吊臂工装(3)塔顶工装(4)平衡臂工装(5)套架工装(6)上支座工装(7)下支座工装(8)小车工装(9)起吊设备。流动式起重机(1)起重臂加工工装(2)回转平台加工工装(3)车架加工工装(4...

1、当您付费下载文档后,您只拥有了使用权限,并不意味着购买了版权,文档只能用于自身使用,不得用于其他商业用途(如 [转卖]进行直接盈利或[编辑后售卖]进行间接盈利)。
2、本站所有内容均由合作方或网友上传,本站不对文档的完整性、权威性及其观点立场正确性做任何保证或承诺!文档内容仅供研究参考,付费前请自行鉴别。
3、如文档内容存在违规,或者侵犯商业秘密、侵犯著作权等,请点击“违规举报”。

碎片内容

电梯起重设备各级制造许可条件

您可能关注的文档

确认删除?
VIP
微信客服
  • 扫码咨询
会员Q群
  • 会员专属群点击这里加入QQ群
客服邮箱
回到顶部