电脑桌面
添加小米粒文库到电脑桌面
安装后可以在桌面快捷访问

房地产公司检查表VIP免费

房地产公司检查表_第1页
1/58
房地产公司检查表_第2页
2/58
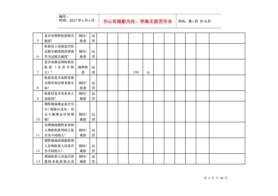
房地产公司检查表_第3页
3/58
第1页共58页编号:时间:2021年x月x日书山有路勤为径,学海无涯苦作舟页码:第1页共58页被检查公司:房地产公司内控检查表检查公司:检查小组成员:填写说明:1,每一项内容应明确回答“是”、“否”或“不适用”,对于抽样检查的项目,样本超过80%符合表述要求,可标注该项为“是”;2,如项目中含有非“是”或“否”能回答的问题,请在说明列简短说明;3,对于检查方法为抽样检查的,要求另行完成详细检查内容的工作底稿(模版见《抽样检查工作底稿样板》),并将样本合规个数、合规百分比以及相应底稿的索引号填列在索引号列;4,抽样检查的抽样方法见《抽样检查的抽样方法》,如果实际业务发生数量小于最小样本量,则全部检查;5,检查方法为“检查”是指检查相关文件或系统中的交易轨迹,该方法仅表明集团建议采用检查方法,如与实际情况有出入,可以采用更适用方法来检查该项控制,但须知会集团财务部或风险部;6,检查方法为“检查”,则检查样本个数由检查人把握,检查的样本个数以可以证实该项控制点确实执行的数量为宜;第2页共58页第1页共58页编号:时间:2021年x月x日书山有路勤为径,学海无涯苦作舟页码:第2页共58页7,“(六)上年检查发现的问题是否整改”中,请逐条列示被检查公司上年存在的问题,并逐一在“是/否”栏标注本年是否已经整改?如有例外情况,请说明。检查项目检查方法检查人负责人检查日期是/否/不适用抽样检查底稿索引号说明责任人现状及初步的检查方案抽样总数抽样单位合规个数合规百分比(一)资金安全方面:(重点)1,销售确认和销售回款运营1.1.1销售现场管理运营1负责销售收款业务的财务人员2010年至今是否有变动?询问运营2如有,是否通过交接表等进行书面交接确认?检查运营3如交接,是否有财务部负责人监交确认?检查运营4是否有销售现场现金保管管理制度?询问/检查运营第3页共58页第2页共58页编号:时间:2021年x月x日书山有路勤为径,学海无涯苦作舟页码:第3页共58页5是否有销售收款相关制度?询问/检查运营6收款员上岗前是否经过相关制度的培训或学习过相关制度?询问/检查运营7是否由指定的收款员收款(尤其节假日)?抽样检查运营100天8收款员是否由财务部安排并知会财务部全体?询问/检查运营9收款时是否有业务人员陪同?询问/观察运营10销售现场现金是否当日/或隔日送存,有无大额现金存放现场?询问/观察运营11办理现场销售业务的人和收取款项的人是否为不同的人?询问/观察运营12销售现场的票据管理人员和收款人员是否为不同的人?询问/观察运营13现场收款人员是否清楚财务收款要点及询问/观察运营第4页共58页第3页共58页编号:时间:2021年x月x日书山有路勤为径,学海无涯苦作舟页码:第4页共58页pos机操作指南?14POS机刷卡是否与收据核对清晰?抽样检查运营100笔该类业务15人民币刷卡是否于当日结算?抽样检查运营100笔该类业务16外币刷卡是否单笔结算?抽样检查运营10笔该类业务17销售现场的现金余额与收据开列数据每天核对?抽样检查运营44天18调房变更是否有相关审批制度?抽样检查运营21笔该类业务19退房变更是否有相关审批制度?抽样检查运营22笔该类业务20更名变更是否有相关审批制度?抽样检查运营23笔该类业务21在售楼盘时否取得的销售许可证?抽样检查运营3楼盘22公司是否制定销售代询问/运第5页共58页第4页共58页编号:时间:2021年x月x日书山有路勤为径,学海无涯苦作舟页码:第5页共58页理单位的监控和管理制度?检查营23对销售代理单位,是否有奖励、处罚措施?询问/检查运营24是否于醒目的位置公示客户易理解的财务收款流程图?观察运营25现场是否标明“缴纳款项请索取票据”等字样?观察运营26是否正确开具收据和发票?抽样检查运营100笔该类业务27发票和收据上,客户签名等要素是否清晰完整?抽样检查运营101笔该类业务28是否每天报送收付款资金日报表?抽样检查运营44天29收付款资金日报表是否得到销售后台书面或邮件确认反馈?抽样检查运营44天30从第三方收款,是否取得第三方与购买方的书面承诺书?抽样检查运营20笔该类业务第6页共58页第5页共58页编号:时间:2021年x月x日书山有路勤为径,学海无涯苦作...

1、当您付费下载文档后,您只拥有了使用权限,并不意味着购买了版权,文档只能用于自身使用,不得用于其他商业用途(如 [转卖]进行直接盈利或[编辑后售卖]进行间接盈利)。
2、本站所有内容均由合作方或网友上传,本站不对文档的完整性、权威性及其观点立场正确性做任何保证或承诺!文档内容仅供研究参考,付费前请自行鉴别。
3、如文档内容存在违规,或者侵犯商业秘密、侵犯著作权等,请点击“违规举报”。

碎片内容

房地产公司检查表

您可能关注的文档

确认删除?
VIP
微信客服
  • 扫码咨询
会员Q群
  • 会员专属群点击这里加入QQ群
客服邮箱
回到顶部