电脑桌面
添加小米粒文库到电脑桌面
安装后可以在桌面快捷访问

车间技术副主任职位说明书VIP免费

车间技术副主任职位说明书_第1页
1/2
车间技术副主任职位说明书_第2页
2/2
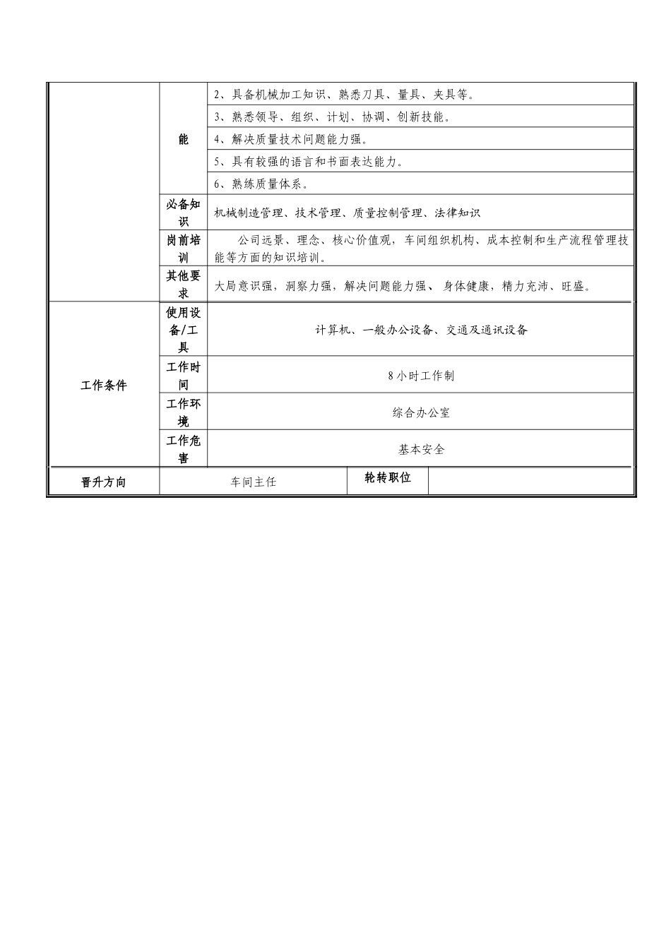
车间技术副主任职位说明书基本情况职位名称技术副主任职位编号所属部门机加车间直接上级车间主任职位编制职系管理直接下级所辖人数编制人彭晓明审核人职位概要对全车间的安全、质量、工艺验证、技术攻关等工作的策划、实施及监督检查全面负责.工作职责与工作任务:1、全面贯彻ISO/TS16949质量管理体系,负责生产过程产品一致性保证能力的维持与改善,确保作业文件、质量记录在生产流程中实施与维持。2、负责新品试制,落实人员、设备等的组织与安排,通过指挥与协调,保证完成新品试制工作。新品试制后,负责按技术要求,做好对新品生产的运行与监控、流程优化与固化。3、负责组织车间技术人员对车间重难点技术问题或质量问题进行攻关,解决重难点项目,保证产品质量合格。4、负责车间技术、工艺管理工作的执行与监控。每周例行检查,对违反车间技术、工艺要求的行为进行纠正,确保作业文件、质量记录在生产流程中实施与维护,切实保证实物质量及可追溯性要求。5、负责车间产品质量的保持和改善,对质量信息反馈给予响应与关注,负责对产品不良质量信息进行过程预防与纠正措施的落实。6、负责贯彻和执行质量管理体系的相关要求和技术质量相关规定,负责对车间设备事实、工装夹具、刀具和计量器具的维护和管理。7、不断提高车间员工质量意识和操作技能,组织员工培训和劳动竞赛,推广先进的操作方法。8、做好对下属人员的人事考核,评价和推荐。工作职权1、对车间工艺纪律的考核权。2、对设备、工装夹具、刀具的验收权。3、对技术、工艺改进的建议权。4、对下属人员的管理水平,业务能力和业绩考核评价权。内部关系汇报定期向直接上级递交《工装夹具检查记录》、《工艺纪律自查记录》等。督导不定期督查各类工艺违章情况执行考核情况。协调就具体事宜与公司内部相关部门衔接、协调有关工作。任职资格学历高中及以上专业机械类及相关专业年龄55以下性别不限工作经验2年以上工作经验,从事过车间技术管理工作,熟悉生产流程。技1、掌握技术管理技能。能2、具备机械加工知识、熟悉刀具、量具、夹具等。3、熟悉领导、组织、计划、协调、创新技能。4、解决质量技术问题能力强。5、具有较强的语言和书面表达能力。6、熟练质量体系。必备知识机械制造管理、技术管理、质量控制管理、法律知识岗前培训公司远景、理念、核心价值观,车间组织机构、成本控制和生产流程管理技能等方面的知识培训。其他要求大局意识强,洞察力强,解决问题能力强、身体健康,精力充沛、旺盛。工作条件使用设备/工具计算机、一般办公设备、交通及通讯设备工作时间8小时工作制工作环境综合办公室工作危害基本安全晋升方向车间主任轮转职位

1、当您付费下载文档后,您只拥有了使用权限,并不意味着购买了版权,文档只能用于自身使用,不得用于其他商业用途(如 [转卖]进行直接盈利或[编辑后售卖]进行间接盈利)。
2、本站所有内容均由合作方或网友上传,本站不对文档的完整性、权威性及其观点立场正确性做任何保证或承诺!文档内容仅供研究参考,付费前请自行鉴别。
3、如文档内容存在违规,或者侵犯商业秘密、侵犯著作权等,请点击“违规举报”。

碎片内容

车间技术副主任职位说明书

确认删除?
VIP
微信客服
  • 扫码咨询
会员Q群
  • 会员专属群点击这里加入QQ群
客服邮箱
回到顶部