电脑桌面
添加小米粒文库到电脑桌面
安装后可以在桌面快捷访问

危化品安全生产执法检查参照表VIP免费

危化品安全生产执法检查参照表_第1页
1/16
危化品安全生产执法检查参照表_第2页
2/16
危化品安全生产执法检查参照表_第3页
3/16
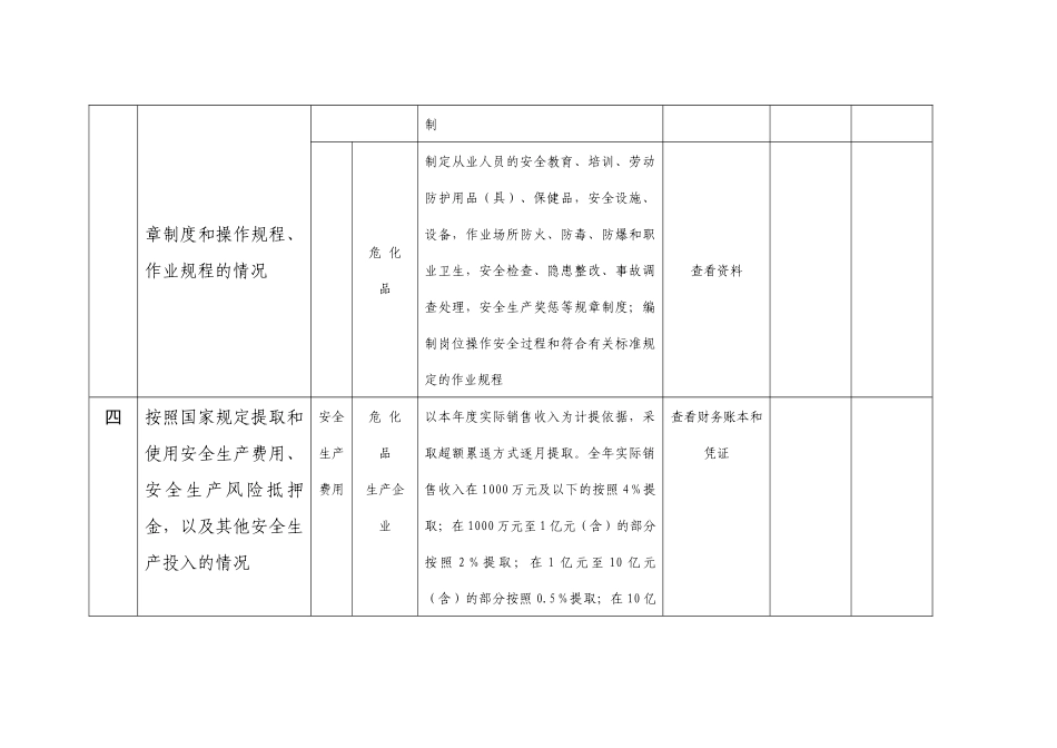
危化品单位安全生产执法检查参照表序号检查项目检查内容和标准检查方法查出问题处理意见一依法取得有关安全生产行政许可的情况危险化学品安全生产许可证,危险化学品经营许可证《安全评价报告》是否超期查看证件二作业场所职业危害防治的情况设置或者指定职业健康管理机构,配备专职或者兼职的职业健康管理人员;主要负责人和职业健康管理人员应当接受安监部门组织的职业健康培训查看文件建立健全职业卫生防治制度和操作规程查看资料可能产生职业危害的新、改、扩建工程项目和技术改造、技术引进项目的职业危害预评价报告、防治专篇、控制效果评价报告、防护设施验收批复文件以及备案情况查看资料在醒目位置设置公告栏、警示标识和中文警示说明查看现场为从业人员提供符合国家标准、行业标准的职业危害防护用品,按照使用规则正确佩戴、使用查看发放台帐和进货资质证明职业危害防护用品、防护设施经常性的维护、检修和保养情况查看维护检修保养记录作业场所职业危害因素日常监测、定期检测及现状评价情况查日常监测记录和检测评价报告将工作过程中可能产生的职业危害及其后果、职业危害防护措施和待遇等如实告知从业人员,并在劳动合同中写明查看合同和培训档案对接触职业危害的从业人员,组织上岗前、在岗期间和离岗时的职业健康检查,为从业人员建立职业健康监护档案查看职工健康档案作业场所使用有毒物品的生产经营单位,应当办理职业卫生安全许可证查看证件三建立和落实安全生产责任制、安全生产规安全生产责任制建立健全主要负责人、分管负责人、安全生产管理人员、职能部门、岗位责任查看文件章制度和操作规程、作业规程的情况制危化品制定从业人员的安全教育、培训、劳动防护用品(具)、保健品,安全设施、设备,作业场所防火、防毒、防爆和职业卫生,安全检查、隐患整改、事故调查处理,安全生产奖惩等规章制度;编制岗位操作安全过程和符合有关标准规定的作业规程查看资料四按照国家规定提取和使用安全生产费用、安全生产风险抵押金,以及其他安全生产投入的情况安全生产费用危化品生产企业以本年度实际销售收入为计提依据,采取超额累退方式逐月提取。全年实际销售收入在1000万元及以下的按照4%提取;在1000万元至1亿元(含)的部分按照2%提取;在1亿元至10亿元(含)的部分按照0.5%提取;在10亿查看财务账本和凭证元以上的部分按照0.2%提取安全生产风险抵押金安全生产风险抵押金存储原则上不超过500万元。其中,小型企业存储金额不低于人民币30万元(不含30万元);中型企业存储金额不低于人民币100万元(不含100万元);大型企业存储金额不低于人民币150万元(不含150万元);特大型企业存储金额不低于人民币200万元(不含200万元)查看企业安全生产风险抵押金核定通知书五依法设置安全生产管理机构和配备安全生产管理人员的情况矿山、建筑施工单位以及危险物品的生产、经营、储存单位和使用数量构成重从业人员在300人以上的,应当设置安全生产管理机构,并按不低于从业人员5‰但最低不少于3人的比例配备专职安全生产管理人员查看文件查看证书从业人员不足300人的,应当设置安全大危险源的单位生产管理机构或者配备专职安全生产管理人员六从业人员受到安全生产教育、培训,取得有关安全资格证书的情况生产经营单位应当将安全培训工作纳入本单位年度工作计划,保证本单位安全培训工作所需资金;应建立健全从业人员安全培训档案,详细、准确记录培训考核情况查看计划查看档案危险化学品生产经营单位主要负责人和安全生产管理人员应当取得安全资格证书,初次培训时间不少于48学时,每年再培训时间不少于16学时查看证书危险化学品生产经营单位新上岗的临时工、合同工、劳务工、轮换工、协议工必须进行强制安全培训;加工、制造业等生产单位的其他从业人员,在上岗前必须经过厂、车间(工段、区、队)、班组三级安全培训教育查看档案查看试卷新上岗从业人员的学时要求:危险化学品生产经营单位初次培训不得少于72学时,每年再培训不得少于20学时;查看安全培训教育卡其他单位岗前培训时间不得少于24学时从业人员在本生产经营单位内调整工作岗位或离岗一年以上重新上岗...

1、当您付费下载文档后,您只拥有了使用权限,并不意味着购买了版权,文档只能用于自身使用,不得用于其他商业用途(如 [转卖]进行直接盈利或[编辑后售卖]进行间接盈利)。
2、本站所有内容均由合作方或网友上传,本站不对文档的完整性、权威性及其观点立场正确性做任何保证或承诺!文档内容仅供研究参考,付费前请自行鉴别。
3、如文档内容存在违规,或者侵犯商业秘密、侵犯著作权等,请点击“违规举报”。

碎片内容

危化品安全生产执法检查参照表

您可能关注的文档

确认删除?
VIP
微信客服
  • 扫码咨询
会员Q群
  • 会员专属群点击这里加入QQ群
客服邮箱
回到顶部