电脑桌面
添加小米粒文库到电脑桌面
安装后可以在桌面快捷访问

采暖与卫生设备安装VIP免费

采暖与卫生设备安装_第1页
1/8
采暖与卫生设备安装_第2页
2/8
采暖与卫生设备安装_第3页
3/8
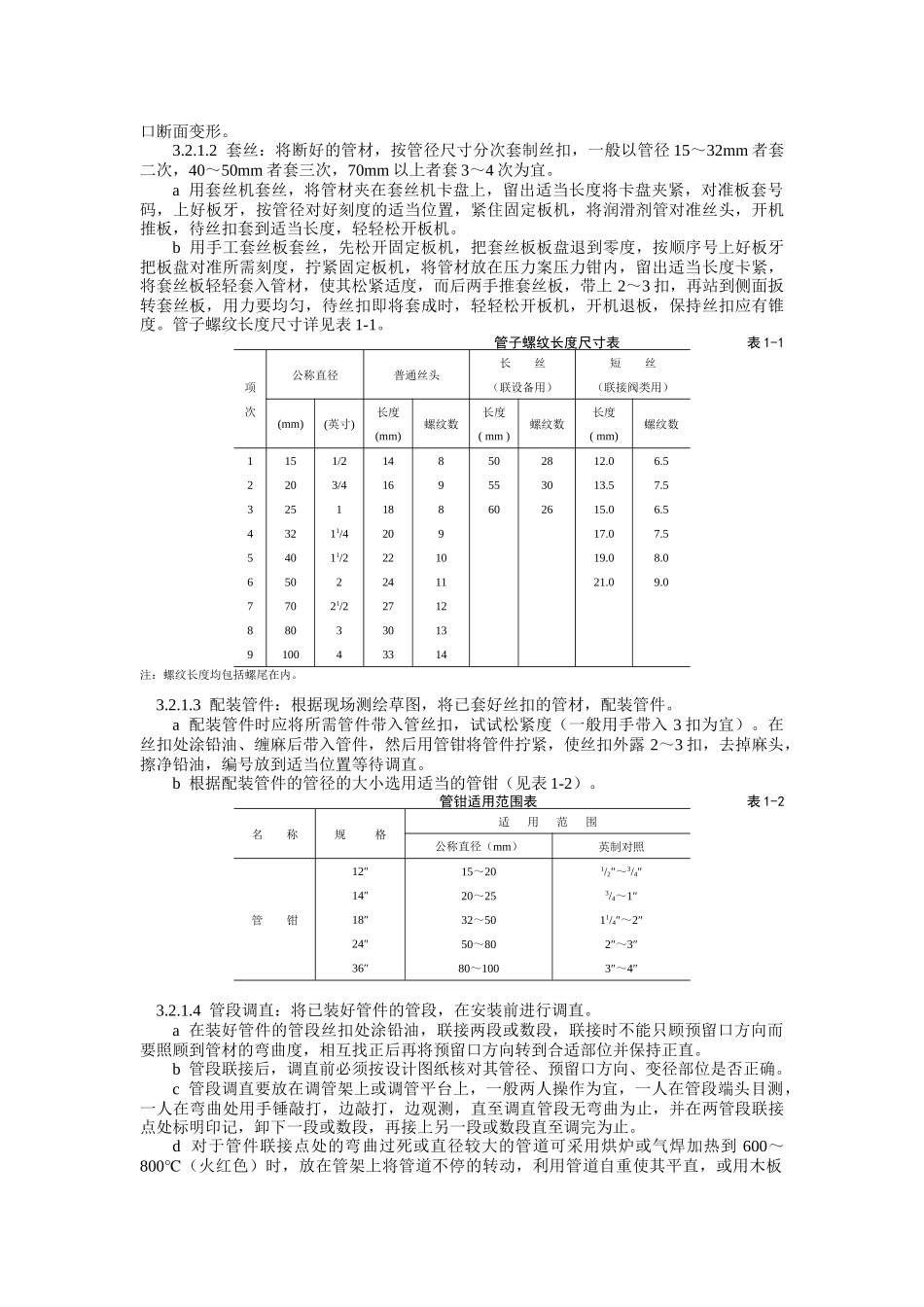
11采暖与卫生设备安装工程1—1—1暖卫设备及管道安装基本工艺标准(101—1998)11范围本工艺标准适用于民用及一般工业建筑室内、外采暖与卫生设备管道安装工程。22施工准备2.1材料、设备要求2.1.1暖卫设备、钢材、管材、管件及附属制品等,在进场后使用前应认真检查,必须符合国家或部颁标准有关质量、技术要求,并有产品出厂合格证明。2.1.2各种连接管件不得有砂眼、裂纹、偏扣、乱扣、丝扣不全和角度不准等现象。2.1.3各种阀门的外观要规矩无损伤,阀体严密性好,阀杆不得弯曲,安装前应按设计要求或施工规范、规定进行严密性试验。2.1.4石棉橡胶垫、油麻、线麻、水泥、电、气焊条等质量都必须符合设计及规范要求。2.22.2主要机具2.2.1机具:套丝机、砂轮锯、煨弯机、砂轮机、电焊机、台钻、手电钻、电锤、电动水压泵等。2.2.2工具:套丝板、圆丝板、管钳、链钳、活扳子、手锯、手锤、大锤、錾子、捻凿、麻钎、螺丝板、压力案、台虎钳、克丝钳、改锥、气焊工具等。2.2.3量具:水平尺、钢卷尺、线坠、焊口检测器、卡尺、小线等。2.32.3作业条件2.3.1根据施工方案安排好适当的现场工作场地、工作棚、料具库,在管道层、地下室、地沟内操作时,要接通低压照明灯。2.3.2配合土建施工进度做好各项预留孔洞、管槽。稳栽各种型钢托、吊卡架及预埋套管,浇注楼板孔洞、堵抹墙洞工作应在土建装修工程开始前完成。2.3.3在各项预制加工项目进行前要根据安装测绘草图及材料计划,将需用材料、设备的规格型号、质量、数量确认合格并准备齐全,运到现场。3操作工艺3.13.1工艺流程:(见下页流程)3.2管道预制加工:3.2.1管道丝扣联接:3.2.1.1断管:根据现场测绘草图,在选好的管材上画线,按线断管。a用砂轮锯断管,应将管材放在砂轮锯卡钳上,对准画线卡牢,进行断管。断管时压手柄用力要均匀,不要用力过猛,断管后要将管口断面的铁膜、毛刺清除干净。b用手锯断管,应将管材固定在压力案的压力钳内,将锯条对准画线,双手推锯,锯条要保持与管的轴线垂直,推拉锯用力要均匀,锯口要锯到底,不许扭断或折断,以防管口断面变形。3.2.1.2套丝:将断好的管材,按管径尺寸分次套制丝扣,一般以管径15~32mm者套二次,40~50mm者套三次,70mm以上者套3~4次为宜。a用套丝机套丝,将管材夹在套丝机卡盘上,留出适当长度将卡盘夹紧,对准板套号码,上好板牙,按管径对好刻度的适当位置,紧住固定板机,将润滑剂管对准丝头,开机推板,待丝扣套到适当长度,轻轻松开板机。b用手工套丝板套丝,先松开固定板机,把套丝板板盘退到零度,按顺序号上好板牙把板盘对准所需刻度,拧紧固定板机,将管材放在压力案压力钳内,留出适当长度卡紧,将套丝板轻轻套入管材,使其松紧适度,而后两手推套丝板,带上2~3扣,再站到侧面扳转套丝板,用力要均匀,待丝扣即将套成时,轻轻松开板机,开机退板,保持丝扣应有锥度。管子螺纹长度尺寸详见表1-1。管子螺纹长度尺寸表表1-1项次公称直径普通丝头长丝(联设备用)短丝(联接阀类用)(mm)(英寸)长度(mm)螺纹数长度(mm)螺纹数长度(mm)螺纹数12345678915202532405070801001/23/4111/411/2221/2341416182022242730338989101112131450556028302612.013.515.017.019.021.06.57.56.57.58.09.0注:螺纹长度均包括螺尾在内。3.2.1.3配装管件:根据现场测绘草图,将已套好丝扣的管材,配装管件。a配装管件时应将所需管件带入管丝扣,试试松紧度(一般用手带入3扣为宜)。在丝扣处涂铅油、缠麻后带入管件,然后用管钳将管件拧紧,使丝扣外露2~3扣,去掉麻头,擦净铅油,编号放到适当位置等待调直。b根据配装管件的管径的大小选用适当的管钳(见表1-2)。管钳适用范围表表1-2名称规格适用范围公称直径(mm)英制对照管钳12″14″18″24″36″15~2020~2532~5050~8080~1001/2″~3/4″3/4~1″11/4″~2″2″~3″3″~4″3.2.1.4管段调直:将已装好管件的管段,在安装前进行调直。a在装好管件的管段丝扣处涂铅油,联接两段或数段,联接时不能只顾预留口方向而要照顾到管材的弯曲度,相互找正后再将预留口方向转到合适部位并保持正直。b管段联接后,调直前必须按设计图纸核...

1、当您付费下载文档后,您只拥有了使用权限,并不意味着购买了版权,文档只能用于自身使用,不得用于其他商业用途(如 [转卖]进行直接盈利或[编辑后售卖]进行间接盈利)。
2、本站所有内容均由合作方或网友上传,本站不对文档的完整性、权威性及其观点立场正确性做任何保证或承诺!文档内容仅供研究参考,付费前请自行鉴别。
3、如文档内容存在违规,或者侵犯商业秘密、侵犯著作权等,请点击“违规举报”。

碎片内容

采暖与卫生设备安装

您可能关注的文档

确认删除?
VIP
微信客服
  • 扫码咨询
会员Q群
  • 会员专属群点击这里加入QQ群
客服邮箱
回到顶部