正 本合同编号:GXRFSB No:0000000 人防工程防护设备安装合同工程名称: 工程地址: 发包方: 承包方: 签约时间: 年 月 日签...
泉 州 市 汽 车 客 运 中 心 站 施 工 组 织 设 计 ( 水 电 设 备 安 装 部 分 ) 一 、 工 程 概 况 …...
第一篇:项目组织施工验收方案 设备安装及指导安装、调试技术方案项目组织施工验收方案 设备安装及指导安装、调试技术方案(1)盐城市 XX...
目 录1.编制目的...............................................................12 。 编制依据及验收标准 ..........................
目 录1.工程概述.....................................................................................................................
动设备安装法律规范目录1、施工前应具备的条件1.1 安装前施工现场,应具备的条件1.2 设备基础应具备的条件1.3 开箱检查和保管2、放线就位...
第一章 总则第 1。0。1 条 为了保证制冷设备安装工程施工的质量,特制定本法律规范。第 1。0.2 条 本法律规范适用于制冷机组、制冷...
制冷设备安装工程施工及验收法律规范 第一章 总则 第 1。0.1 条 为了保证制冷设备安装工程施工的质量,特制定本法律规范。 第 1.0....
制冷设备安装工程施工施工及验收法律规范 第一章 总则 第 1.0。1 条 为了保证制冷设备安装工程施工的质量,特制定本法律规范。 第 ...
施 工 组 织 设 计 目 录编制说明 编制依据 第一章 系统概况 1、设计方案简述 2、施工条件 3、工程特点 第二章 施工准备部...
第一章 编制说明本施工组织设计为xx市五金工业园区水厂中机械设备、管道及电气安装施工组织设计。一、其所依据的是:1、水厂工程招标文件...
建筑安装工程承包合同发包方:陕西常盛房地产开发有限公司 (以下简称甲方)承包方: (以下简称乙方) 根据《中华人民共和国经济合同法...
机械设备安装施工记录JS001—JS023 机械设备安装施工记录目录序号文 件 名 称编 号在卷页数备 注1封面 首页JS001—200012基础检查记...
目 录第一章 工程概况......................................................31。1 基本情况..........................................
目 录一、工程概况 1二、施工依据 1三、施工准备 1四、主要施工方案 2五、工艺流程、技术标准与要求 3六、施工注意事项 7七、环保注...
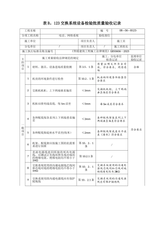
信息导引及发布系统显示设备安装检验批质量验收记录08110301单 位 ( 子单 位 ) 工程名称分部(子分部)工程名称分项工程名称施工单...
枣庄供电公司配电自动化工程配网设备安装指导书本安装指导书主要是涉及配电自动化工程的开关设备,包括集中型和电压-时间型柱上负荷开关、分...
供热锅炉及辅助设备安装施工工艺(水暖-13)上一篇 / 下一篇 2025-03—19 14:47:49 查看 ( 255 ) / 评论 ( 0 ) / 评分( ...
目 录1、工程概况及特点2、施工准备工作计划3、施工方案4、施工进度计划(横道图)5、劳动力、材料、施工机械设备需用量计划6、施工平面图7...
传输设备硬件安装操作指导第一章设备安装前的准备1. 工程安装准备标题描述Error: Reference source not foundError: Reference sour...

