电脑桌面
添加小米粒文库到电脑桌面
安装后可以在桌面快捷访问

标准墙钢筋施工工艺控制流程及控制要点VIP免费

标准墙钢筋施工工艺控制流程及控制要点_第1页
1/8
标准墙钢筋施工工艺控制流程及控制要点_第2页
2/8
标准墙钢筋施工工艺控制流程及控制要点_第3页
3/8
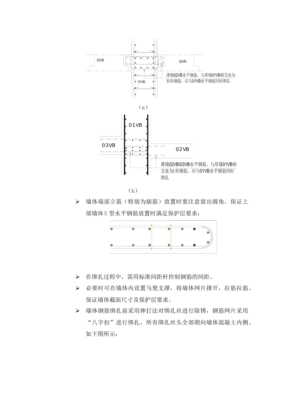
标准墙钢筋施工工艺控制流程及控制要点一、工艺流程放控制线→清理插筋→找正插筋→绑扎墙体主筋→绑扎洞口加筋→放置拉结钢筋→清理现场二、施工过程1.放控制线在施工钢筋前,需要放墙体的模板尺寸线,包括墙体边线、定位轴线、洞口线、套管位置线、大型埋件的位置尺寸线等与钢筋施工有关的尺寸线,同时应抄标高,标识清楚明了。2.清理插筋插筋在混凝土浇注的时候会沾染混凝土浮浆,需要在绑扎之前用钢丝刷清理干净,对于生锈严重的插筋需要用钢丝刷除锈。3.插筋找正开始墙体钢筋绑扎前,需要根据已经放出的墙体位置线,用水平尺找正插筋。当插筋的位置偏差过大,或者已经偏出墙体边线,需要按程序进行插筋修补,或者制定专门的插筋修补方案。通常情况是采取植筋的方法进行修补。4.绑扎墙体主筋1)绑扎顺序剪力墙钢筋绑扎时,先立2~4根竖向钢筋,并在竖筋上画好横向水平钢筋的位置线,然后在下部和肩部高度位置绑扎两根水平定位钢筋,当竖向钢筋的高度超过6米时,水平定位筋应不少于三根,且应均匀分布于竖向钢筋高度范围,并在水平钢筋上画好竖向钢筋的位置线,然后绑扎其余竖向钢筋,最后绑扎剩余的水平钢筋。绑扎过程见下图示意:墙体双层筋绑扎时先绑一侧钢筋,再绑另一侧钢筋网片,再安装拉结钢筋。2)主筋绑扎注意事项:插筋调直后,根据插筋保护层大小及上层墙体保护层要求,通过立筋与插筋搭接的方位变化,保证上部墙体保护层满足要求:墙体主筋在绑扎过程中,特别需要注意墙体交叉部位的水平钢筋绑扎顺序。通常情况下,薄墙的水平钢筋锚固在厚墙之中,需要和厚墙的水平钢筋同时绑扎,特别是厚墙一侧,薄墙存在门洞口的情况:(a)(b)横档线竖档线(a)(b)墙体端部立筋(特别为插筋)放置时要注意留出圆角,保证上部墙体U型水平钢筋放置时满足保护层要求:在绑扎过程中,需用标准间距杆控制钢筋的间距。必要时可在墙体内设置马凳支撑,将墙体网片撑开,拉筋拉筋,保证墙体截面尺寸及保护层要求。墙体钢筋绑扎前采用摔打法对绑扎丝进行除锈,钢筋网片采用“八字扣”进行绑扎,所有绑扎丝头全部朝向墙体混凝土内侧。如下图所示:02VB03VB01VB当墙体较短或两洞口相距较近时,之间水平或竖向钢筋(加筋)可能设置为矩形箍筋形式,钢筋封口位置宜相互错开。如下图所示:当绑扎的墙体高度超过6米时,需搭设脚手架操作平台,进行钢筋绑扎。5.绑扎洞口等各种加筋洞口的加强钢筋一般在主筋绑扎完成后再安装,但在某些特殊部位,加筋受叠加穿插关系的影响,必须和主筋同步绑扎,此种情况需要在绑扎前制定绑扎方案时予以确定。护角钢筋:按照原则图要求,所有墙体当主筋直径≥20mm时,阳角处均需增设护角钢筋,但部分图纸并未配置护角钢筋,需另外配置:八字扣绑扎绑扎丝加筋与二次浇注区:二次浇注区的直径较小的加筋可能会根据现场模板的配置提前进行弯折,待二次浇注时再调直(如门洞企口处加筋、封堵洞口加筋):(a)门洞企口处加筋处理(b)封堵洞口加筋处理6.放置拉结钢筋拉结钢筋的放置间距是按照平方米为单位进行布置,一般在钢筋图中给出了拉筋的布置图。拉筋施工时,搭接区是否加密是控制的重点,需要根据图中的具体要求进行施工。如下图所示:拉筋的弯钩角度和平直段长度均应符合图纸要求,部分拉筋可能需要现场安装之后再进行弯折。7.清理现场钢筋绑扎完成后,应把伸出墙体的绑扎钢丝尾压入墙内,挂上混凝土保护层控制垫块,要求每平方米不少于1个。清理绑扎丝和剩余的钢筋及垫块,做到工完场清。HB12Sp=200400(12.5/sqm)标准区拉钩搭接加密区拉钩HB12Sp=200200(25/sqm)AB标准墙钢筋验收注意事项1.插筋数量及位置墙体钢筋绑扎之前,需根据控制线检查下层墙体或筏基预留插筋的数量和位置,如果发生偏位或者遗漏,需进行修补。2.主筋及加筋的直径、数量、位置、间距符合图纸要求。3.接头位置及搭接长度符合图纸要求,特别是预留插筋时,需检查预制连接墙体钢筋直径及接头数量,避免各部位图纸不相符而给后续墙体施工造成困难。4.洞口及套管的位置是否符合图纸要求。洞口及套管位置钢筋及加筋的保护层需满足管道及套管安装要求。5.保护层要求。墙体保...

1、当您付费下载文档后,您只拥有了使用权限,并不意味着购买了版权,文档只能用于自身使用,不得用于其他商业用途(如 [转卖]进行直接盈利或[编辑后售卖]进行间接盈利)。
2、本站所有内容均由合作方或网友上传,本站不对文档的完整性、权威性及其观点立场正确性做任何保证或承诺!文档内容仅供研究参考,付费前请自行鉴别。
3、如文档内容存在违规,或者侵犯商业秘密、侵犯著作权等,请点击“违规举报”。

碎片内容

标准墙钢筋施工工艺控制流程及控制要点

确认删除?
VIP
微信客服
  • 扫码咨询
会员Q群
  • 会员专属群点击这里加入QQ群
客服邮箱
回到顶部