电脑桌面
添加小米粒文库到电脑桌面
安装后可以在桌面快捷访问

转炉工艺操作规程VIP专享VIP免费

转炉工艺操作规程_第1页
1/42
转炉工艺操作规程_第2页
2/42
转炉工艺操作规程_第3页
3/42
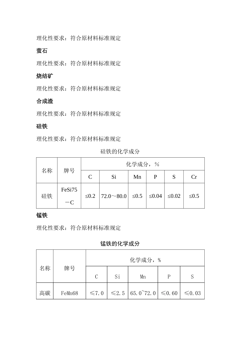
主操作原料入厂原料准备装料吹炼调整出钢溅渣测温取样原料入厂规格•铁水•废钢•铁合金•熔剂•冷却剂氧枪控制加料操作合金准备操作铁合金加入顶渣的加入出钢挡渣倒渣钢水处理人工测定终点控制溅渣护炉氩站处理LF炉处理附属作业开炉烘炉停炉空吹出钢口的修补及更换防爆门的操作去转炉倒渣间废钢装入铁水兑入中铁炼钢部本标准适用于转炉冶炼工序。1.工艺流程本标准适用于转炉冶炼工序。铁水1入炉铁水S含量按《冶炼标准》要求控制2入炉铁水计量误差范围不超过±500Kg3铁水带渣量:不超过1吨废钢理化性要求:符合原材料标准规定入炉废钢计量误差范围不超过±500Kg活性石灰理化性要求:符合原材料标准规定化学成分%:厂内活性石灰CaO≥91.3,SiO2≤2.8,S≤0.025;厂外活性石灰CaO≥86.0,S≤0.045。粒度范围:5~50mm轻烧白云石理化性要求:符合原材料标准规定化学成分%:CaO≥52.4,SiO2≤3.0,MgO≥29.1,S≤0.040,P≤0.10粒度范围:5~30mm轻烧镁球理化性要求:符合原材料标准规定化学成分%:MgO≥65,CaO≥5,S≤0.02粒度范围:5~30mm锰矿理化性要求:符合原材料标准规定萤石理化性要求:符合原材料标准规定烧结矿理化性要求:符合原材料标准规定合成渣理化性要求:符合原材料标准规定硅铁理化性要求:符合原材料标准规定硅铁的化学成分名称牌号化学成分,%CSiMnPSCr硅铁FeSi75-C≤0.272.0~80.0≤0.5≤0.04≤0.02≤0.5锰铁理化性要求:符合原材料标准规定锰铁的化学成分名称牌号化学成分,%CSiMnPS高碳FeMn68≤7.0≤2.565.0~72.0≤0.60≤0.03锰铁高碳锰铁FeMn78C8.0≤8.0≤2.575.0~82.0≤0.33≤0.03中碳锰铁FeMn82C1.5≤1.5≤2.578.0~85.0≤0.35≤0.03中碳锰铁FeMn82C1.0≤1.0≤2.578.0~85.0≤0.35≤0.03中碳锰铁FeMn78C2.0≤2.0≤2.575.0~82.0≤0.35≤0.03低碳锰铁FeMn84C0.7≤0.7≤2.080.0~87.0≤0.30≤0.02硅锰理化性要求:符合原材料标准规定硅锰合金的化学成分名称牌号化学成分,%MnSiCPS硅锰合金FeMn68Si1865.0~72.017.0~20.0≤1.8≤0.25≤0.04硅钙包芯线理化性要求:符合原材料标准规定硅钙包芯线的化学成分牌号化学成分,%SiCaCPAl水分Ca28Si60≥50.0≥27.5≤0.8≤0.04≤0.06≤2.4≤0.5铝线理化性要求:符合原材料标准规定增碳剂理化性要求:符合原材料标准规定增碳剂的化学成分项目化学成分,%CSNH水分沥青焦增碳剂≥98≤0.35≤0.5≤0.4≤0.2复合增碳剂≥95≤0.25≤0.35-≤0.2超低氮增≥98≤0.05≤0.01-≤0.2碳剂钢包覆盖剂理化性要求:符合原材料标准规定本标准适用于转炉冶炼工序。氧气氧气总管压力≥1.2Mpa;纯度≥99.6%;氮气溅渣用氮气总管压力≥1.2Mpa;底吹用氮气总管压力≥1.6Mpa;纯度≥99.99%;氩气氩气总管压力≥1.6Mpa;纯度≥99.99%;本标准适用于转炉冶炼工序。1.检测和计量系统确认完毕。2.转炉本体确认完毕。3.倾动系统确认完毕。4.氧枪系统确认完毕。5.加料系统确认完毕。6.底吹系统确认完毕。7.OG系统确认完毕。8.二次除尘系统确认完毕。9.炉下车辆确认完毕。10.动力介质确认完毕。11.钢包处理系统确认完毕。12.过程机系统确认完毕。13.化验系统确认完毕。14.炉前、炉后相关外协准备就绪。本标准适用于转炉冶炼工序。1.装入顺序:先进废钢,后兑铁水。2.装入量控制::定量装入,全铁170吨,铁水+废钢=175吨,铁水装入量控制在145-170吨,(废钢+生铁)的装入总量控制在15-30吨,其加入量根据铁水条件和热平衡来控制,生铁量按40%(废钢+生铁)来控制。3.热平衡参考条件铁水条件:[Si]0.44%;T1280℃;铁水比90%及铁水158t、废钢17t.终点碳:0.05%、出钢温度1660℃、过程烧结矿2.5t。(各种原材料温降参考温度制度考虑)4.遇下述情形时,铁水和废钢装入量可适当调整:4.1.新炉前三炉采用全铁水冶炼,装入量控制在170吨。4.2.当有回炉钢水、补炉第一炉或热停炉时间大于3小时时,可适当少加或不加废钢。4.3.回炉钢水量大于半炉时,不加废钢。本标准适用于转炉冶炼工序。1、过程枪位的控制原则:初期渣早化、中渣化好,在化好渣前提下,要适当控制炉渣的泡沫化程度,中期要防止炉渣返干,尽量减少喷溅、快速脱碳、熔池升温均匀。2、氧枪过程...

1、当您付费下载文档后,您只拥有了使用权限,并不意味着购买了版权,文档只能用于自身使用,不得用于其他商业用途(如 [转卖]进行直接盈利或[编辑后售卖]进行间接盈利)。
2、本站所有内容均由合作方或网友上传,本站不对文档的完整性、权威性及其观点立场正确性做任何保证或承诺!文档内容仅供研究参考,付费前请自行鉴别。
3、如文档内容存在违规,或者侵犯商业秘密、侵犯著作权等,请点击“违规举报”。

碎片内容

转炉工艺操作规程

确认删除?
VIP
微信客服
  • 扫码咨询
会员Q群
  • 会员专属群点击这里加入QQ群
客服邮箱
回到顶部