电脑桌面
添加小米粒文库到电脑桌面
安装后可以在桌面快捷访问

预防高处坠落和坍塌事故的安全技术措施VIP免费

预防高处坠落和坍塌事故的安全技术措施_第1页
1/8
预防高处坠落和坍塌事故的安全技术措施_第2页
2/8
预防高处坠落和坍塌事故的安全技术措施_第3页
3/8
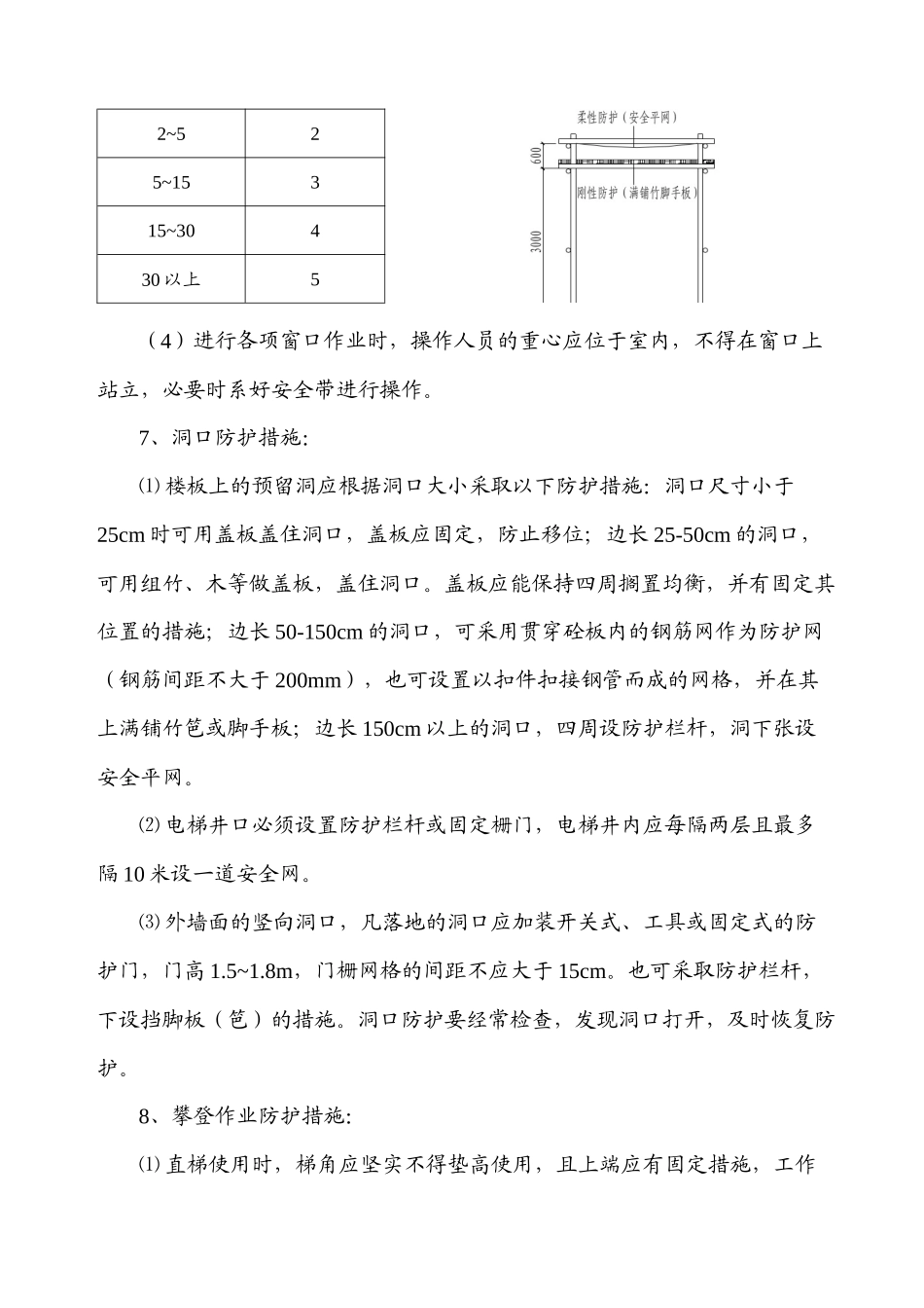
一、编制依据本措施根据《建筑法》、《安全生产法》以及建设部《建筑工程预防坍塌事故的若干规定》、《建筑工程预防高处坠落事故的若干规定》进行编制。二、工程概况平顶山法院审判综合楼工程位于平顶山市经三路东侧,纬一路北侧。建设单位为平顶山市中级人民法院,由郑州大学综合设计研究院,郑州卓越工程监理有限公司监理,中铁七局集团承建,工程受平顶山市工程质量监督站监督。本工程由一区主楼、裙楼,二区组成。一区主楼地下一层,地上十六层,建筑总高度66.85m,总建筑面积25916.71m2。裙楼三层。二区三层。结构型式为全现浇框架剪力墙结构,抗震设防烈度为6度,设计耐火等级为一级。基础采用钢筋混凝土筏板基础。本工程的安全管理目标:1、消灭人身重伤以上事故,努力减少一般轻伤事故,消灭特种设备事故,杜绝火灾、爆炸事故,努力消灭惯性违章。2、争创平顶山市安全文明工地。本工程作业高度高,施工交叉作业多。为确保施工安全,防止高处坠落和坍塌事故的发生,特制定本安全技术措施。三、预防高处坠落事故的安全措施1、凡在坠落高度基准面2m以上(含2m)有可能坠落的高处进行的作业均属高处作业。所有高处作业人员应接受高处作业安全知识的教育,特种高处作业人员应经过专业技术培训及专业考试合格,持证上岗,且上岗前应进行专门的安全技术签字交底。2、高处作业人员必须定期进行体检,合格者方可上岗。进行高处作业时,施工作业人员应正确佩带和使用安全帽、安全带等安全防护用品。3、施工现场按类别有针对性将各类安全警示标志悬挂于各相应部位,且夜间应设红灯示警。4、高处作业前,由安全员组织有关人员对安全防护设施进行检查和验收,经验收合格后方可作业。需要临时拆除或变动安全设施时,必须经安全员的同意,并采取相应的可靠措施后方可实施。5、雨天或雪天进行高处作业时,必须采取可靠的防滑、防寒和防冻措施。6、临边防护措施:⑴基坑周边、尚未安装栏杆或栏板的阳台、雨蓬与挑檐边,无外脚手架的屋面与楼层周边、分层施工的楼梯口和梯段边必须设置防护栏杆。防护栏杆应由上、下两道横杆和栏杆柱组成,上杆离地高度为1.0~1.2m,下杆离地高度为0.5~0.6m,栏杆柱间距不大于2m,离边口的距离不应小于0.5m。栏杆应自下而上用安全平网封闭,或在栏杆下部设置严密固定的高度不底于18cm的挡脚板,板离地面的空隙不应大于10mm。⑵首层墙高度超过3.2米的二层楼面周边以及无外脚手架的高度超过3.2米的楼层周边必须在外围架设安全平网一道。(3)结构施工自二层起,凡人员进出、行走的通道口和上方施工物件可能坠落范围之内的通道,均应搭设安全防护棚,高度超过24m,则应设双层防护。建筑物的高处坠落半径及双层防护通道做法如下:建筑物高处坠落半径双层防护通道示意图建筑物高度(m)坠落半径(m)2~525~15315~30430以上5(4)进行各项窗口作业时,操作人员的重心应位于室内,不得在窗口上站立,必要时系好安全带进行操作。7、洞口防护措施:⑴楼板上的预留洞应根据洞口大小采取以下防护措施:洞口尺寸小于25cm时可用盖板盖住洞口,盖板应固定,防止移位;边长25-50cm的洞口,可用组竹、木等做盖板,盖住洞口。盖板应能保持四周搁置均衡,并有固定其位置的措施;边长50-150cm的洞口,可采用贯穿砼板内的钢筋网作为防护网(钢筋间距不大于200mm),也可设置以扣件扣接钢管而成的网格,并在其上满铺竹笆或脚手板;边长150cm以上的洞口,四周设防护栏杆,洞下张设安全平网。⑵电梯井口必须设置防护栏杆或固定栅门,电梯井内应每隔两层且最多隔10米设一道安全网。⑶外墙面的竖向洞口,凡落地的洞口应加装开关式、工具或固定式的防护门,门高1.5~1.8m,门栅网格的间距不应大于15cm。也可采取防护栏杆,下设挡脚板(笆)的措施。洞口防护要经常检查,发现洞口打开,及时恢复防护。8、攀登作业防护措施:⑴直梯使用时,梯角应坚实不得垫高使用,且上端应有固定措施,工作角度以75°±5°为宜,踏板间距30cm为宜,不得有缺档。⑵折梯使用时,上部夹角以35°~45°为宜,铰链必须牢固,且上部应有可靠的拉撑措施。⑶作业人员应从规定的通道上下,也不得利用施工设备进行攀...

1、当您付费下载文档后,您只拥有了使用权限,并不意味着购买了版权,文档只能用于自身使用,不得用于其他商业用途(如 [转卖]进行直接盈利或[编辑后售卖]进行间接盈利)。
2、本站所有内容均由合作方或网友上传,本站不对文档的完整性、权威性及其观点立场正确性做任何保证或承诺!文档内容仅供研究参考,付费前请自行鉴别。
3、如文档内容存在违规,或者侵犯商业秘密、侵犯著作权等,请点击“违规举报”。

碎片内容

预防高处坠落和坍塌事故的安全技术措施

您可能关注的文档

确认删除?
VIP
微信客服
  • 扫码咨询
会员Q群
  • 会员专属群点击这里加入QQ群
客服邮箱
回到顶部