电脑桌面
添加小米粒文库到电脑桌面
安装后可以在桌面快捷访问

锅炉及附属设备安装施工工艺标准VIP免费

锅炉及附属设备安装施工工艺标准_第1页
1/22
锅炉及附属设备安装施工工艺标准_第2页
2/22
锅炉及附属设备安装施工工艺标准_第3页
3/22
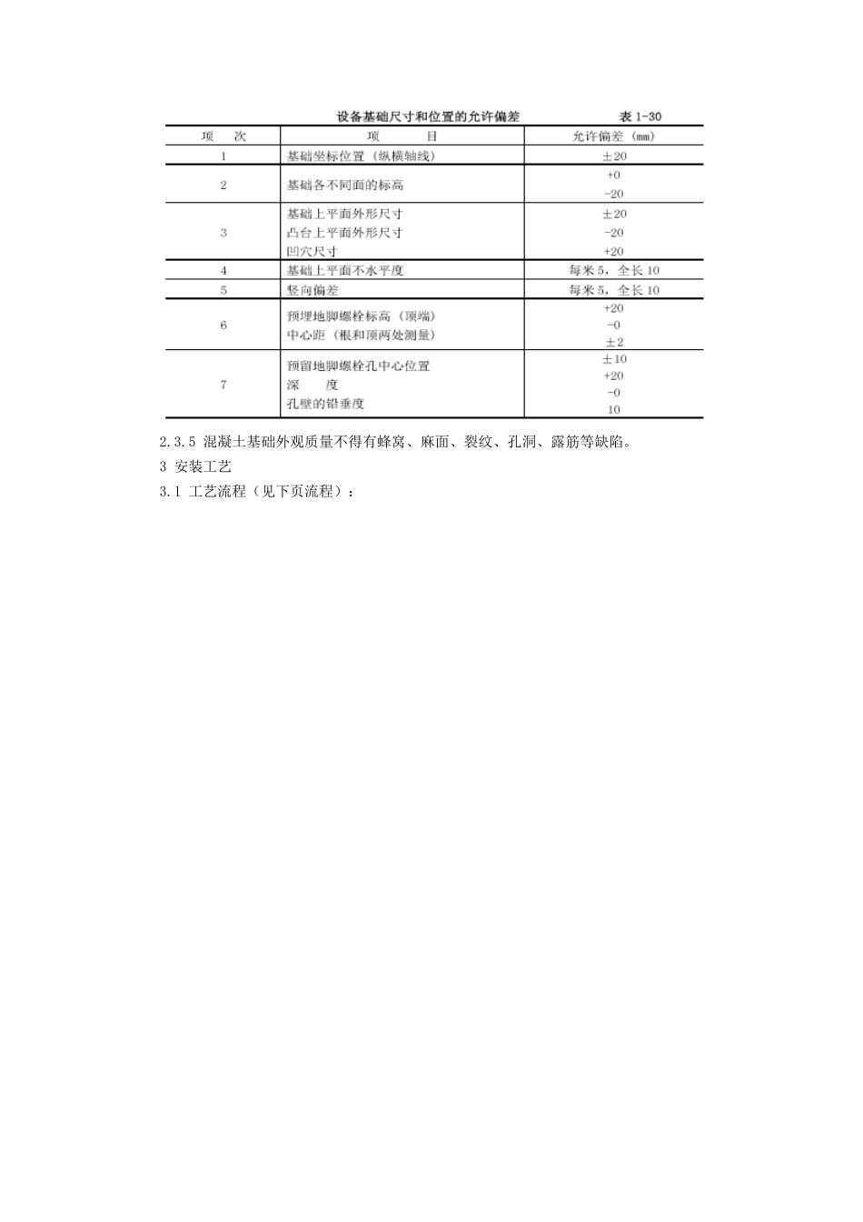
锅炉及附属设备安装施工工艺标准1、施工范围本工艺标准适用于工作压力不大于1.29Mpa(13kgf/cm2),蒸发量大小于10t/h、出口水温不超过130℃的快装蒸汽和热水锅炉及附属设备的安装工程。2施工准备2.1材料要求:2.1.1锅炉必须具备图纸、产品合格证书、安装使用说明书、劳动部门的质量监检证书。技术资料应与实物相符。2.1.2锅炉设备外观应完好无损,炉墙绝热层无空鼓,无脱落,炉拱无裂纹,无松动,受压元件可见部位无变形,无损坏。2.1.3锅炉配套附件和附属设备应齐全完好,并符合要求,根据设备清单对所有设备及零部件进行清点验收。对缺损件应做记录并及时解决。清点后应妥善保管。2.1.4各种金属管材、型钢、仪表阀门及管件的规格、型号符合设计要求,并符合产品出厂质量标准,外观质量良好,不得有损伤、锈蚀或其它表面缺陷。2.2主要机具:2.2.1机具:卷扬机或绞磨、千斤顶、链式起重机、砂轮机、套丝机、手电钻、冲击钻、砂轮锯、电焊机等。2.2.2工具:各种扳手、夹钳、试压泵、手锯、榔头、布剪子、滑轮、道木、滚杠、钢丝绳、大绳、索具、气焊工具等。2.2.3量具:钢板尺、钢卷尺、卡钳、塞尺、水平仪、水平尺、游标卡尺、焊缝检测器、温度计、压力表、线坠等。2.3作业条件:2.3.1施工员应熟悉掌握锅炉及附属设备图纸、安装使用说明书、锅炉房设计图纸,并核查技术文件中有无当地劳动、环保、节煤等部门关于设计、制造、安装、施工等方面的审查批准签章。2.3.2施工现场应具备满足施工的水源、电源、大型机具运输车辆进出的道路,材料及机具存放场地和仓库等;冬雨季施工时应有防寒防雨措施及消除安全措施;锅炉房主体结构、设备基础完工并达到安装强度。2.3.3检验土建施工时预留的孔洞、沟槽及种类预埋铁件的位置、尺寸、数量是否符合设计图纸要求。2.3.4锅炉及附属设备的基础尺寸、位置应符合设计图纸,允许偏差应符合表1-30的规定。2.3.5混凝土基础外观质量不得有蜂窝、麻面、裂纹、孔洞、露筋等缺陷。3安装工艺3.1工艺流程(见下页流程):3.1.1基础放线验收:3.1.1.1锅炉房内清扫干净,将全部地脚螺栓孔内的杂物清出,并用皮风箱(皮老虎)吹扫。2011二级《建筑工程》备考试题3.1.1.2根据锅炉房平面图和基础图放安装基准线;a锅炉纵向中心基准线或锅炉支架纵向基准线。b锅炉炉排前轴基准线或锅炉前面板基准线,如有多台锅炉时应一次放出基准线。在安装不同型号的锅炉而上煤为一个系统时应保证煤斗中心在一条基准线上。c炉排传动装置的纵横向中心基准线。d省煤器纵、横向中心基准线。e除尘器纵、横向中心基准线。f鼓风机、引风机的纵、横向中心基准线。g水泵、钠离子交换器纵、横向中心基准线。h锅炉基础标高基准点,在锅炉基础上或基础四周选有关的若干地点分别作标记,各标记间的相对位移不应超过3mm。2011二级《建筑工程》备考试题工艺流程3.1.1.3当基础尺寸、位置不符合要求时,必须经过修正达到安装要求后再进行安装。3.1.1.4基础放线验收应有记录,并作为竣工资料归档。3.1.2锅炉本体安装:3.1.2.1锅炉水平运输:a运输前应先选好路线,确定锚点位置,稳好卷扬机,铺好道木。b用千斤顶将锅炉前端(先进锅炉房的一端)顶起放进滚杠,用卷扬机牵引前进,在前进过程中,随时倒滚杠和道木。道木必须高于锅炉基础,保障基础不受损坏。3.1.2.2当锅炉运到基础上以后,不撤滚杠先进行找正。应达到下列要求:a锅炉炉排前轴中心线应与基础前轴中心基准线相吻合,允许偏差±2mm。b锅炉纵向中心线与基础纵向中心基准线相吻合,或锅炉支架纵向中心线与条形基础纵向中心基准线相吻合,允许偏差±10mm。3.1.2.3撤用滚杠使锅炉就位:a撤滚杠时用道木或木方将锅炉一端垫好。用两个千斤顶将锅炉的另一端顶起,撤出滚框,落下千斤顶,使锅炉一端落在基础上。再用千斤顶将锅炉另一端顶起,撤出剩余的滚杠和木方,落下千斤顶使锅炉全部落到基础上。如不能直接落到基础上,应再垫木方逐步使锅炉平稳地落到基础上。b锅炉就位后应进行校正,因锅炉就位过程中可能产生位移,用千斤顶校正,达到找正的允许偏差以内。3.1.2.4锅炉找平:2011二级《建筑工程》备考试题a锅炉纵向找平:(a)用水平尺(水...

1、当您付费下载文档后,您只拥有了使用权限,并不意味着购买了版权,文档只能用于自身使用,不得用于其他商业用途(如 [转卖]进行直接盈利或[编辑后售卖]进行间接盈利)。
2、本站所有内容均由合作方或网友上传,本站不对文档的完整性、权威性及其观点立场正确性做任何保证或承诺!文档内容仅供研究参考,付费前请自行鉴别。
3、如文档内容存在违规,或者侵犯商业秘密、侵犯著作权等,请点击“违规举报”。

碎片内容

锅炉及附属设备安装施工工艺标准

您可能关注的文档

确认删除?
VIP
微信客服
  • 扫码咨询
会员Q群
  • 会员专属群点击这里加入QQ群
客服邮箱
回到顶部