电脑桌面
添加小米粒文库到电脑桌面
安装后可以在桌面快捷访问

年产5万吨电解铜的电解车间毕业设计VIP免费

年产5万吨电解铜的电解车间毕业设计_第1页
1/67
年产5万吨电解铜的电解车间毕业设计_第2页
2/67
年产5万吨电解铜的电解车间毕业设计_第3页
3/67
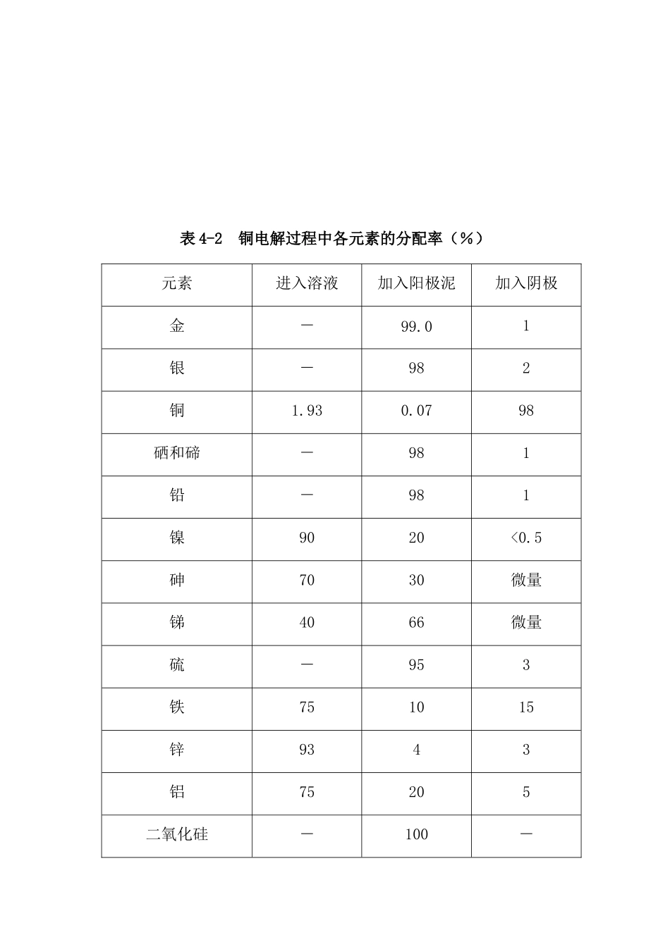
火法炼铜毕业设计任务书(铜电解精炼)一、设计题目1.设计一个年产5万吨电解铜的电解车间。要求:(1)包括金属铜的基本用途及提取方法;(2)厂址选择的基本要求;(3)铜电解的基本原理,工艺等相关内容;(4)冶金计算部分;(5)设备选择及一览表3.设计计算内容包括(1)冶金计算:包括合理成分计算、物料平衡、热平衡的计算。(2)设备设计计算:确定主要设备的主要尺寸、主要附属设备的选择与计算二、原始数据表4-1阳极成分(%)元素CuAsSbNiBiSePbFeTeAuAgSZn含量99.50.050.0280.1460.0070.0550.0340.0020.050.004870.0620.00610.0018表4-2铜电解过程中各元素的分配率(%)元素进入溶液加入阳极泥加入阴极金-99.01银-982铜1.930.0798硒和碲-981铅-981镍9020<0.5砷7030微量锑4066微量硫-953铁751015锌9343铝75205二氧化硅-100-铋2080微量表4-3铜电解液中有害杂质允许含量(克/升)元素NiAsFeSbBi含量1455.30.70.5表4-4假设数据电解铜回收率99.7%电解铜品位99.93%残极率18%镍进入电解液的百分数91%砷进入电解液的百分数72%锑进入电解液的百分数38%室温25℃三、设计的内容及要求(一)编写设计说明书1.概述1)简述铜的性质、用途及在国民经济中的地位和作用。2)铜的资源及消费情况。3)铜冶金的基本冶炼方法。4)本设计的指导思想2.车间地址的选择与论证从国家建设规划方面,应服从工业规划、城市规划,应节约土地,节约投资,从工厂本身,应从气候、水文、地质、交通、资源、环境等多方面综合论证,要是具备尽可能好的“三通一平”条件,且工厂的生产对周边环境无大的影响。3.工艺流程的选择与论证选择本设计的工艺流程论述所选工艺流程的可行性、经济性、先进性,并说明工艺流程在机械化、自动化、劳动条件等方面的情况。4.冶金计算(1)铜电解精炼物料平衡计算(2)铜电解精炼槽热平衡计算(3)铜电解精炼主要设备的选择与计算1)电解槽的选择和计算2)阳极、阴极尺寸的选择5.主、辅设备一览表6.电解车间酸雾防治7.主要参考书目(二)绘制图纸主体设备三视图一张(A2图纸绘制)四、设计时间与安排由3013年12月2日至2014年1月3日,共5周。1.文献资料的查询和收集,时间1周2.文献资料的收集和整理,冶金计算,时间1周3.论文初步撰写时间1.5周4.设备图、车间平面布置图绘制,论文进一步修改和完善时间1周5.答辩准备及答辩时间0.5周五、设计评分标准及说明设计说明书30%,图纸30%,答辩20%,平时考勤20%。要求学生课内时间在教室完成设计任务,每天有本组组长考勤,无故缺勤3次按不及格论处。六、设计推荐参考书目1.《重金属冶金学》2.《有色冶金工厂设计基础》陈枫主编中南工大出版社3.《铜铅锌冶炼设计参考手册》4.《工业炉设计参考手册》5.《有色重金属冶炼设计手册》6.《铜冶金学》7.《铜冶炼技术》七、指导教师:------目录摘要.......................................................................................1前言.......................................................................................21.绪论.....................................................................................31.1铜的性质及用途.........................................................................31.1.1铜的物理性质......................................................................31.1.2铜的化学性质......................................................................31.1.3铜的用途..........................................................................41.2铜在国民经济中的地位和作用.............................................................51.3铜的资源及消费情况.....................................................................61.3.1国内铜矿产资源状况...............................................................61.3.2国内市场生产状况..................................................................91.3.3国内市场消费状况...............................................

1、当您付费下载文档后,您只拥有了使用权限,并不意味着购买了版权,文档只能用于自身使用,不得用于其他商业用途(如 [转卖]进行直接盈利或[编辑后售卖]进行间接盈利)。
2、本站所有内容均由合作方或网友上传,本站不对文档的完整性、权威性及其观点立场正确性做任何保证或承诺!文档内容仅供研究参考,付费前请自行鉴别。
3、如文档内容存在违规,或者侵犯商业秘密、侵犯著作权等,请点击“违规举报”。

碎片内容

年产5万吨电解铜的电解车间毕业设计

您可能关注的文档

确认删除?
VIP
微信客服
  • 扫码咨询
会员Q群
  • 会员专属群点击这里加入QQ群
客服邮箱
回到顶部