电脑桌面
添加小米粒文库到电脑桌面
安装后可以在桌面快捷访问

基建安全质量管理移动应用功能界面设计说明_v21VIP免费

基建安全质量管理移动应用功能界面设计说明_v21_第1页
1/59
基建安全质量管理移动应用功能界面设计说明_v21_第2页
2/59
基建安全质量管理移动应用功能界面设计说明_v21_第3页
3/59
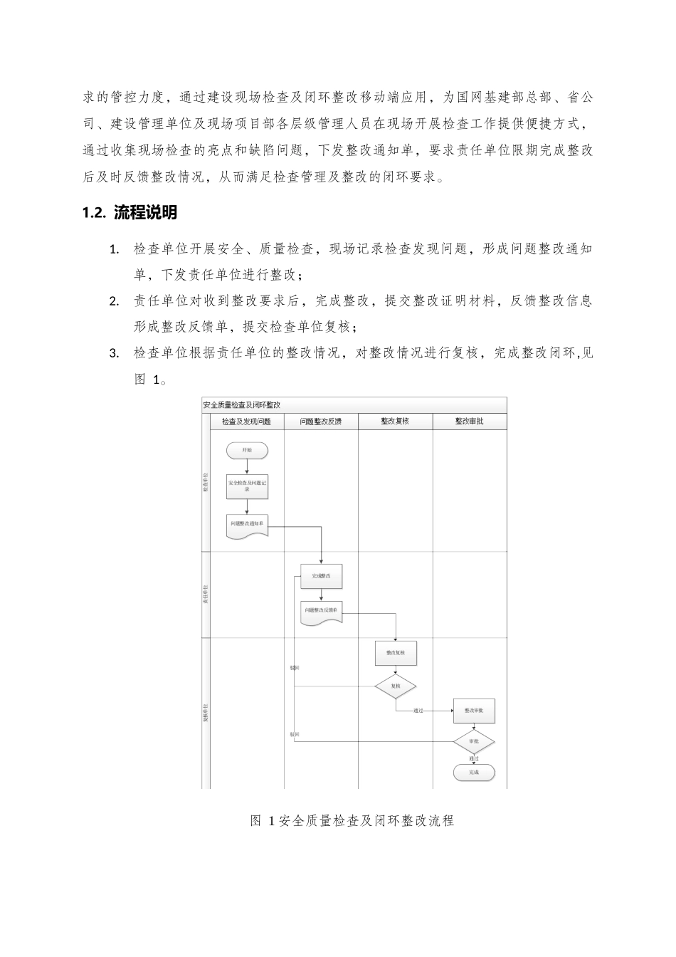
基建管理系统安全质量管理移动应用界面设计需求说明(2018年3月)一、背景为统筹指导国家电网公司2018年基建安全质量管理信息化建设和应用的工作,提高基建信息化的应用水平,落实安全质量管理体系简化工作要求,基建部安质处于2018年1月召开了基建安全质量管理移动应用建设的信息化工作启动会议,会议依据《关于基建安全质量管理移动应用需求分析的汇报》为指导思想,明确了近期安全质量管理移动应用的建设的主要范围、分工职责和目标工作计划。按照会议确定分工,由陕西、甘肃、浙江省公司牵头开展相关业务信息梳理,基建信息化项目组进行移动应用功能界面设计,3月项目组整理收集与省公司沟通反馈的意见及建议,形成《基建管理系统安全质量管理移动应用移动应用界面设计需求说明》,提交基建部安质处审阅。二、目标按照基建安全质量管理移动应用建设的信息化工作启动会议明确工作范围,将与省公司沟通的需求整理为阶段成果,对国网输变电工程现场安全质量检查及闭环管理、施工安全风险作业管理、作业票管理、关键岗位人员到岗履职,工程验收记录五项移动应用需求内容的进行设计,提出界面样式、用户身份、交互方式、主要字段信息及来源设计方案,提交用户审阅。三、需求内容1.工程现场检查及闭环整改1.1.业务说明为开展输变电工程现场安全、质量检查,提升对工程现场安全、质量管理工作要求的管控力度,通过建设现场检查及闭环整改移动端应用,为国网基建部总部、省公司、建设管理单位及现场项目部各层级管理人员在现场开展检查工作提供便捷方式,通过收集现场检查的亮点和缺陷问题,下发整改通知单,要求责任单位限期完成整改后及时反馈整改情况,从而满足检查管理及整改的闭环要求。1.2.流程说明1.检查单位开展安全、质量检查,现场记录检查发现问题,形成问题整改通知单,下发责任单位进行整改;2.责任单位对收到整改要求后,完成整改,提交整改证明材料,反馈整改信息形成整改反馈单,提交检查单位复核;3.检查单位根据责任单位的整改情况,对整改情况进行复核,完成整改闭环,见图1。图1安全质量检查及闭环整改流程1.3.界面说明1.3.1.检查单位1.3.1.1.首页打开手机APP,进入首页,如图2:图2首页1.3.1.2.选择现场检查点击【现场检查】图标,界面展示现场检查的3个功能(安全检查、整改反馈、遗留问题)页面,如图3:图3选择现场检查1.3.1.3.进入检查页面点击【安全检查】图标,界面跳转到安全检查页面,页面默认展示未发布的检查,可切换查看已发布的检查。点击未发布的检查列表,可查看和编辑检查信息,核实无误后提交检查。可左滑删除未发布的检查。如图4:图4进入检查页面1.3.1.4.添加检查点击【添加检查】按钮,新建安全检查,完善检查信息和问题后,可点击【提交】按钮提交检查,如图5:字段名称说明是否必填备注检查名称系统自动生成,可修改是工程名称系统自动获取,可修改;无网络时,可为空进行保存是检查通知手工选择否安全检查类型手工选择是检查单位系统默认,不可修改是检查编号系统生成,可修改是检查日期系统默认当前日期,可修改是受检单位手工选择是检查组成员手工填写否检查带队成员系统默认当前用户,可修改是复查人系统默认当前用户,可修改是问题来源系统默认,不可修改是检查情况简述手工填写是整改要求上传照片是图5发起检查1.3.1.5.问题列表点击【问题管理】按钮,展示安全问题列表,可左滑删除列表中的问题,完善问题后可点击【提交】按钮提交检查。如图6:图6问题列表管理1.3.1.6.添加问题点击【添加问题】按钮,新增问题,如图7、图8:字段名称说明是否必填备注检查内容手动选择,四级联动,可通过问题表述自动提取是问题表述手动填写,可以输入关键字智能匹配,如果选择了检查内容,则问题表述默认可选项为检查内容对应检查项的问题表述如问题表述不再安全质量问题库中,可以自定义。是整改单位默认安全检查的受检单位,根据问题表述,自动提取是严重级别根据问题表述,自动提取是整改期限根据严重级别默认,严重1天,较严重5天,一般10天,可以修改是数码照片手动输入否图7添加问题图8添加问题点击问题表述的详细信息图标,打开展示检查发现问...

1、当您付费下载文档后,您只拥有了使用权限,并不意味着购买了版权,文档只能用于自身使用,不得用于其他商业用途(如 [转卖]进行直接盈利或[编辑后售卖]进行间接盈利)。
2、本站所有内容均由合作方或网友上传,本站不对文档的完整性、权威性及其观点立场正确性做任何保证或承诺!文档内容仅供研究参考,付费前请自行鉴别。
3、如文档内容存在违规,或者侵犯商业秘密、侵犯著作权等,请点击“违规举报”。

碎片内容

基建安全质量管理移动应用功能界面设计说明_v21

确认删除?
VIP
微信客服
  • 扫码咨询
会员Q群
  • 会员专属群点击这里加入QQ群
客服邮箱
回到顶部