电脑桌面
添加小米粒文库到电脑桌面
安装后可以在桌面快捷访问

打磨组长岗位职责说明VIP免费

打磨组长岗位职责说明_第1页
1/4
打磨组长岗位职责说明_第2页
2/4
打磨组长岗位职责说明_第3页
3/4
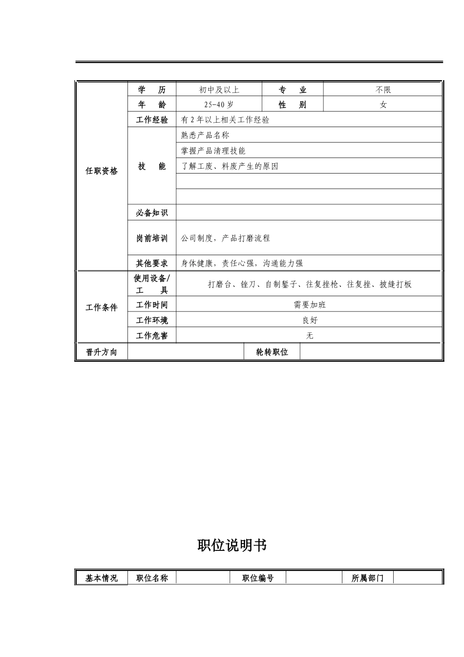
打磨组长职位说明书基本情况职位名称打磨组长职位编号所属部门压铸车间直接上级职位编制职系打磨直接下级所辖人数编制人彭晓明审核人职位概要负责各组员工的请假协调,产品质量跟踪,产量完成情况工作职责与工作任务:1、负责本组员工的请假,工具维修2、负责本组产品质量,返工产品的人员调配3、负责管理员下达的生产任务能保质保量的完成4、负责本组员工的产量统计,并作记录于产品标识卡上,以便财务核算工资5、负责本组新员工的指导6、负责现场“6S”7、完成上级临时交代的其他工作工作职权对本组人员有产品的合理分配权。对本组人员产量的统计权。工作协作关系:内部关系汇报出现异常及时向现场管理员汇报督导打磨工清理产品的质量协调与打磨工、精整工互相沟通外部关系无任职资格学历初中及以上专业不限年龄25-40岁性别女工作经验有2年以上相关工作经验技能熟悉产品名称掌握产品清理技能了解工废、料废产生的原因必备知识岗前培训公司制度,产品打磨流程其他要求身体健康,责任心强,沟通能力强工作条件使用设备/工具打磨台、锉刀、自制錾子、往复挫枪、往复挫、披缝打板工作时间需要加班工作环境良好工作危害无晋升方向轮转职位职位说明书基本情况职位名称职位编号所属部门直接上级职位编制职系直接下级所辖人数编制人审核人职位概要为稳定、提高产品质量提供模具保证工作职责与工作任务:工作职权工作协作关系:内部关系汇报督导协调外部关系任职资格学历专业年龄性别工作经验技能必备知识岗前培训其他要求工作条件使用设备/工具工作时间工作环境工作危害晋升方向轮转职位

1、当您付费下载文档后,您只拥有了使用权限,并不意味着购买了版权,文档只能用于自身使用,不得用于其他商业用途(如 [转卖]进行直接盈利或[编辑后售卖]进行间接盈利)。
2、本站所有内容均由合作方或网友上传,本站不对文档的完整性、权威性及其观点立场正确性做任何保证或承诺!文档内容仅供研究参考,付费前请自行鉴别。
3、如文档内容存在违规,或者侵犯商业秘密、侵犯著作权等,请点击“违规举报”。

碎片内容

打磨组长岗位职责说明

确认删除?
VIP
微信客服
  • 扫码咨询
会员Q群
  • 会员专属群点击这里加入QQ群
客服邮箱
回到顶部