电脑桌面
添加小米粒文库到电脑桌面
安装后可以在桌面快捷访问

大六角高强度螺栓连接工艺标准(8页)VIP专享VIP免费

大六角高强度螺栓连接工艺标准(8页)_第1页
1/8
大六角高强度螺栓连接工艺标准(8页)_第2页
2/8
大六角高强度螺栓连接工艺标准(8页)_第3页
3/8
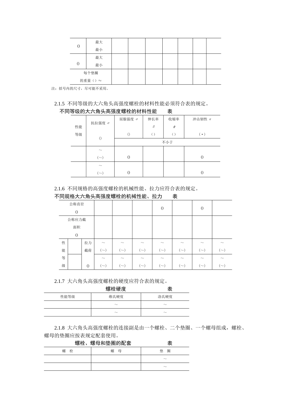
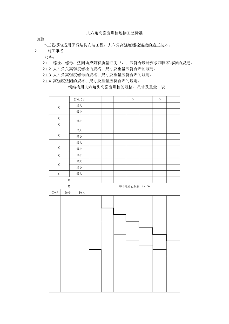
大六角高强度螺栓连接工艺标准范围本工艺标准适用于钢结构安装工程,大六角高强度螺栓连接的施工技术。2施工准备材料:2.1.1螺栓、螺母、垫圈均应附有质量证明书,并应符合设计要求和国家标准的规定。2.1.2大六角头高强度螺栓的规格、尺寸及重量应符合表的规定。2.1.3大六角高强度螺母的规格、尺寸及重量应符合表的规定。2.1.4高强度垫圈的规格、尺寸及重量应符合表的规定。钢结构用大六角头高强度螺栓的规格、尺寸及重量表()公称尺寸()()最大最小()最小()()最大最小()最大最小()最小()最大最小()最大()()每个螺栓的重量()≈公称最小最大注:.括号内的规格,尽可能不采用。.虚线以上部分的螺纹长度,按栏内的前面数值采用(亦允许螺杆上全部制出螺纹);虚线以下部分的螺纹长度,按栏内的后面数值采用。的最大尺寸,等于的实际尺寸。钢结构用高强度大六角螺母的规格、尺寸及重量表()()()()最大最小()最大最大()()最小()最大最小每个螺母的重量()≈注:.括号内的规格,尽可能不采用。.的最大尺寸,等于的实际尺寸。钢结构用高强度垫圈的规格、尺寸及重量表公称直径(螺纹直径)()()()()最大最小(公称)()最大(公称)最小()最大最小()最大最小每个垫圈的重量()≈注:括号内的尺寸,尽可能不采用。2.1.5不同等级的大六角头高强度螺栓的材料性能必须符合表的规定。不同等级的大六角头高强度螺栓的材料性能表性能等级抗拉强度σ()屈服强度σ()伸长率δ()收缩率ψ()冲击韧性α(·)不小于~(~)()()~(~)()()2.1.6不同规格的高强度螺栓的机械性能、拉力应符合表的规定。不同规格大六角头高强度螺栓的机械性能、拉力表公称直径()()()公称应力截面积()性能等级拉力截荷()~(~)~(~)~(~)~(~)~(~)~(~)~(~)~(~)~(~)~(~)~(~)~(~)~(~)~(~)2.1.7大六角头高强度螺栓的硬度应符合表的规定。螺栓硬度表性能等级维氏硬度洛氏硬度~~~~2.1.8大六角头高强度螺栓的连接副是由一个螺栓、二个垫圈、一个螺母组成,螺栓、螺母的垫圈应按表规定配套使用。螺栓、螺母和垫圈的配套表螺栓螺母垫圈~~2.1.9大六角头高强度螺栓验收入库后应按规格分类存放。应防雨、防潮,遇有螺纹损伤或螺栓、螺母不配套时不得使用。2.1.10大六角头高强度螺栓存放时间过长,或有锈蚀时,应抽样检查紧固轴力,待满足要求后方可使用。螺栓不得粘染泥土、油污,必须清理干净。主要机具:电动扭矩扳手及控制箱、手动扭矩扳手、扭矩测量扳手、手工扳手、钢丝刷、冲子、锤子等等。作业条件:2.3.1高强度螺栓连接摩擦面必须符合设计要求,摩擦系数必须达到设计要求。摩擦面不允许有残留氧化铁皮。2.3.2摩擦面的处理与保存时间、保存条件应与摩擦系数试件的保存时间、条件相同。2.3.3施工部位摩擦面应防止被油污和油漆等污染,如有污染必须彻底清理干净。2.3.4调整扭矩扳手。根据施工技术要求,认真调整扭矩扳手。扭矩扳手的扭矩值应在允许偏差范围之内。施工用的扭矩扳手,其误差应控制在±以内。校正用的扭矩扳手。其误差应控制在±以内。2.3.4当施工采用电动扳手时,在调好档位后应用扭矩测量扳手反复校正电动扳手的扭矩力与设计要求是否一致。扭矩值过高,会使高强度螺栓过拧,造成螺栓超负载运行,随着时间过长,会使大六角头高强度螺栓产生裂纹等隐患。当扭矩值过低时,会使高强度螺栓达不到预定紧固值,从而造成钢结构连接面摩擦系数下降,承载能力下降。2.3.4当施工采用手动扳手时,应每天用扭矩测量扳手检测手动扳手的紧固位置是否正常,检查手动扳手的显示信号是否灵敏,防止超拧或坚固不到位。2.3.5检查螺栓孔的孔径尺寸,孔边毛刺必须彻底清理。2.3.6将同一批号、规格的螺栓、螺母、垫圈配好套,装箱待用。2.3.7应对大六角头高强度螺栓的操作者进行培训或技术交底,其内容如下:2.3.7大六角头高强度螺栓的使用特点和要求。2.3.7高强度螺栓的扭矩系数和摩擦系数。2.3.7高强度螺栓坚固工艺要点和紧固原则。2.3.7高强度螺栓的储运、保管和现场施工要求。2.3.7高强度螺栓扭矩扳手的性能和使用方法。2.3.7高强度螺栓电动扳手的性能和使用方法。2.3.7高强度螺栓紧固后的自检自查要求和检...

1、当您付费下载文档后,您只拥有了使用权限,并不意味着购买了版权,文档只能用于自身使用,不得用于其他商业用途(如 [转卖]进行直接盈利或[编辑后售卖]进行间接盈利)。
2、本站所有内容均由合作方或网友上传,本站不对文档的完整性、权威性及其观点立场正确性做任何保证或承诺!文档内容仅供研究参考,付费前请自行鉴别。
3、如文档内容存在违规,或者侵犯商业秘密、侵犯著作权等,请点击“违规举报”。

碎片内容

大六角高强度螺栓连接工艺标准(8页)

确认删除?
VIP
微信客服
  • 扫码咨询
会员Q群
  • 会员专属群点击这里加入QQ群
客服邮箱
回到顶部