扭剪型高强螺栓连接工程质量管理1、依据标准:《建筑工程施工质量验收统一标准》 GB50300-2001《钢结构工程施工质量验收法律规范》 GB502...
大六角高强度螺栓连接1.1 本工艺标准适用于钢结构安装工程,大六角高强度螺栓连接的施工技术。2.1 材料: 2.1.1 螺栓、螺母、垫圈均应...
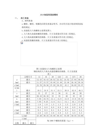
大六角型高强度螺栓一、 施工准备A、材料准备a.螺栓、螺母、垫圈均应附有质量证明书,并应符合设计要求和国家标准的规定。b.高强度大六角...
施 工 技 术 交 底工程名称交底日期施工单位工 种交底内容: 大六角高强度螺栓连接1 范围 本交底标准适用于钢结构安装工程,大六...
工程名称交底部位工程编号日期交底内容:大六角高强度螺栓连接1 范围 本工艺标准适用于钢结构安装工程,大六角高强度螺栓连接的施工技术...
大六角高强度螺栓连接工程质量管理1、依据标准:《建筑工程施工质量验收统一标准》 GB50300-2001《钢结构工程施工质量验收法律规范》 GB5...
大六角高强度螺栓连接工程质量管理1、依据标准:《建筑工程施工质量验收统一标准》 GB50300-2001《钢结构工程施工质量验收法律规范》 GB5...
大六角摩擦型高强螺栓施工工艺大六角摩擦型高强螺栓施工工艺.............................................................................
外墙穿墙螺栓孔封堵方案福州橡树湾家园二期外墙螺杆洞封堵措施如下图: 外墙穿墙螺杆洞封堵步骤如下:第一步:将穿墙螺杆外侧 30-40mm ...
钢管支架预埋铁定位支托平面图地脚螺栓固定立面图螺拴埋铁及支架
目 录1 编制说明及依据..................................................................................................11.1 编...
北京 xxxxxxx 所及 xxxx 创新基地项目(一期)xxxx 创新基地工程钢索、螺栓球招标文件招标文件招 标 人: 中国 xxxx 一局(集团)...
北京****大厦高强度螺栓施工方案第一节 高强螺栓试验1. 1 高强螺栓连接副预拉力试验1.1.1 试验用的螺栓应在施工现场待安装的螺栓批中随...
北京**大厦地脚螺栓施工方案2025 年 12 月 8 日编制:审核:审批:一.工程概况北京**大厦位于北京**路,***的东南侧,与现在的**大厦...
北京新保利大厦地脚螺栓施工方案2008 年 12 月 8 日编制:审核:审批:一.工程概况北京新保利大厦位于北京东二环路,东四十条桥的东...
化学螺栓后置锚固埋件施工工法1、前言幕墙工程通常需要二次深化设计,由专业队伍施工,专业施工队伍往往在混凝土主体结构完工后才进场,因...
上海 xxxx 体育馆网架屋面工程 ® 施 工 方 案 编 制 职称(职务) 审 核 职称(职务) 批 准 职称(职务) 二 O O 五 年 ...
目录一、工程概况.....................................................................................................................
第十三章 高强螺栓、涂装等分项施工13.1 高强螺栓施工本工程高强螺栓连接采纳 10.9 级摩擦型螺栓,钢号及螺母、垫圈应符合现行国家标准...
扭剪型高强螺栓连接工程质量管理1、依据标准:《建筑工程施工质量验收统一标准》 GB50300-2001《钢结构工程施工质量验收法律规范》 GB502...

