电脑桌面
添加小米粒文库到电脑桌面
安装后可以在桌面快捷访问

内六角螺栓规格表

内六角螺栓规格表_第1页
1/2
内六角螺栓规格表_第2页
2/2
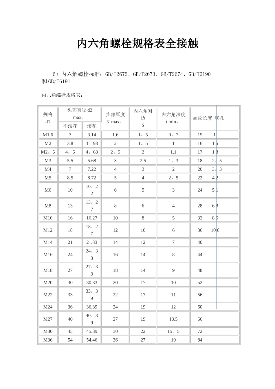
内六角螺栓规格表全接触 6)内六解螺栓标准:GB/T2672、GB/T2673、GB/T2674、GB/T6190和 GB/T6191内六角螺栓规格表: 规格d1头部直径 d2 max。头部厚度K max。内六角对边S内六角深度t min。螺纹长度 底孔不滚花滚花M1.633.141.61。50。715 1 M23.83。9821。5116 1.5 M2。54。54。682。521.117 1.8M35.55.6832.51。318 2。5M477.2243220 3。3M58.58.72542。522 4.2M61010。2265324 5.1M81313。2786428 6.8M101616.27108532 8.5M121818。271210636 10.6M142121.331412740M162424。331614844M182727。331814948M203030.3320171052M223333。3922171156M243636.3924191260M274040。39271913.566M304545.39302215。572M365454.4636271984ANSI B1.1 螺距对比表公称直径(英寸〖毫米〗)粗牙螺距(UNC)细牙螺距(UNF)超细牙螺距(UNEF)钻孔直径(粗牙)钻孔直径(细牙)#0 0。060 〖1。524〗801。2#1 0.073 〖1。854〗64721。51.5#2 0。086 〖2。184〗56641。81。8#3 0。099 〖2。515〗48562.02。1#4 0.112 〖2.845〗40482。32.4#5 0。125 〖3。175〗40442。52。6#6 0。138 〖3。505〗32402.72。9#8 0.164 〖4.166〗32363。43。5#10 0。190 〖4.826〗24323.74。0#12 0。216 〖5.486〗2428324。54.61/4 〖6.35〗2028325。15。45/16 〖7.938〗1824326。56。93/8 〖9。525〗1624328.08。47/16 〖11.113〗1420289。310。01/2 〖12.7〗13202810。711。59/16 〖14.288〗12182412。313。15/8 〖15.875〗11182413。514。73/4 〖19。05〗10162016。717.57/8 〖22.225〗9142019。420。61 〖25.4〗8122022。223。4

1、当您付费下载文档后,您只拥有了使用权限,并不意味着购买了版权,文档只能用于自身使用,不得用于其他商业用途(如 [转卖]进行直接盈利或[编辑后售卖]进行间接盈利)。
2、本站所有内容均由合作方或网友上传,本站不对文档的完整性、权威性及其观点立场正确性做任何保证或承诺!文档内容仅供研究参考,付费前请自行鉴别。
3、如文档内容存在违规,或者侵犯商业秘密、侵犯著作权等,请点击“违规举报”。

碎片内容

内六角螺栓规格表

您可能关注的文档

确认删除?
VIP
微信客服
  • 扫码咨询
会员Q群
  • 会员专属群点击这里加入QQ群
客服邮箱
回到顶部