电脑桌面
添加小米粒文库到电脑桌面
安装后可以在桌面快捷访问

零件加工工艺过程VIP免费

零件加工工艺过程_第1页
1/33
零件加工工艺过程_第2页
2/33
零件加工工艺过程_第3页
3/33
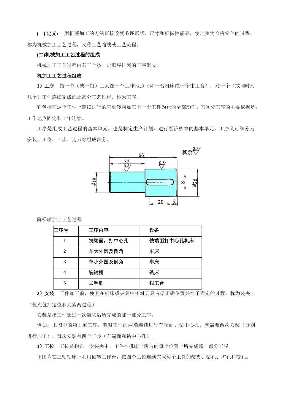
第4章工艺规程设计重点、难点:定位基准的选择;工艺路线的拟定;工艺尺寸链;保证装配精度的方法机械加工的目的是将毛坯加工成符合产品要求的零件。通常,毛坯需要经过若干工序才能转化为符合产品要求的零件。一个相同结构相同要求的机器零件,可以采用几种不同的工艺过程完成,但其中总有一种工艺过程在某一特定条件下是最经济、最合理的。在现有的生产条件下,如何采用经济有效的加工方法,合理地安排加工工艺路线以获得符合产品要求的零件,这是本章所要解决的重点。4.1基本概念一、基本概念1、生产过程:从原材料或半成品到成品制造出来的各有关劳动过程的总和称为工厂的生产过程。一台产品的生产过程包括的内容有:1)原材料(或半成品、元器件、标准件、工具、工装、设备)的购置、运输、检验、保管;2)生产准备工作:如编制工艺文件,专用工装及设备的设计与制造等;?3)毛坯制造;?4)零件的机械加工及热处理;5)产品装配与调试、性能试验以及产品的包装、发运等工作。提示:生产过程往往由许多工厂或工厂的许多车间联合完成,这有利于专业化生产,提高生产率、保证产品质量、降低生产成本。2、工艺过程:在生产过程中凡直接改变生产对象的尺寸、形状、性能(包括物理性能、化学性能、机械性能等)以及相对位置关系的过程,统称为工艺过程。工艺过程又可分为铸造、锻造、冲压、焊接、机械加工、装配等工艺过程,本门课程只研究机械加工工艺过程和装配工艺过程;铸造、锻造、冲压、焊接、热处理等工艺过程是《材料成型技术》课程的研究对象。二、机械加工工艺过程(一)定义:用机械加工的方法直接改变毛坯形状、尺寸和机械性能等,使之变为合格零件的过程,称为机械加工工艺过程,又称工艺路线或工艺流程。(二)机械加工工艺过程的组成机械加工工艺过程由若干个按一定顺序排列的工序组成。机加工工艺过程组成1)工序指一个(或一组)工人在一个工作地点(如一台机床或一个钳工台),对一个(或同时对几个)工件连续完成的那部分工艺过程,称为工序。它包括在这个工件上连续进行的直到转向加工下一个工件为止的全部动作。??区分工序的主要依据是:工作地点固定和工作连续。工序是组成工艺过程的基本单元,也是制定生产计划、进行经济核算的基本单元。工序又可细分为安装、工位、工步、走刀等组成部分。阶梯轴加工工艺过程工序号工序内容设备1铣端面,打中心孔铣端面打中心孔机床2车大外圆及倒角车床3车小外圆及倒角车床4铣键槽铣床5去毛刺钳工台2)安装工件加工前,使其在机床或夹具中相对刀具占据正确位置并给予固定的过程,称为装夹。(装夹包括定位和夹紧两过程)安装是指工件通过一次装夹后所完成的那一部分工序。例如:上图中的第1道工序,若对工件的两端连续进行车端面、钻中心孔,就需要两次安装(分别进行加工),每次安装有两个工步(车端面和钻中心孔)。3)工位工位是指在一次装夹中,工件在机床上所占的每个位置上所完成那一部分工序。下图为在三轴钻床上利用回转工作台,按四个工位连续完成每个工件的装夹、钻孔、扩孔和铰孔。多工位连续加工采用多工位加工,可提高生产率和保证被加工表面的相互位置精度。4)工步当加工表面、切削刀具、切削速度和进给量都不变的情况下所完成的那部分工序,称为工步。工步是构成工序的基本单元。为了提高生产率,常常用几把刀具同时加工几个表面,这样的工步称为复合工步,如下图所示。5)走刀走刀(又称工作行程)是指刀具相对工件加工表面进行一次切削所完成的那部分工作。每个工步可包括一次走刀或几次走刀。(三)机械加工工艺过程与生产类型不同的生产类型,其生产过程和生产组织、车间的机床布置、毛坯的制造方法、采用的工艺装备、加工方法以及工人的熟练程度等都有很大的不同,因此在制定工艺路线时必须明确该产品的生产类型。1、生产纲领:指包括备品、备件在内的该产品的年产量。产品的年生产纲领就是产品的年生产量。零件的年生产纲领由下式计算:(见教材P130)N=Qn(1+a)(1+b)式中:N:零件的生产纲领(件/年);Q:产品的年产量(台/年);n:单台产品该零件的数量(件/年);a:备品率,以百分数计;b:废品率,以百分...

1、当您付费下载文档后,您只拥有了使用权限,并不意味着购买了版权,文档只能用于自身使用,不得用于其他商业用途(如 [转卖]进行直接盈利或[编辑后售卖]进行间接盈利)。
2、本站所有内容均由合作方或网友上传,本站不对文档的完整性、权威性及其观点立场正确性做任何保证或承诺!文档内容仅供研究参考,付费前请自行鉴别。
3、如文档内容存在违规,或者侵犯商业秘密、侵犯著作权等,请点击“违规举报”。

碎片内容

零件加工工艺过程

您可能关注的文档

确认删除?
VIP
微信客服
  • 扫码咨询
会员Q群
  • 会员专属群点击这里加入QQ群
客服邮箱
回到顶部