电脑桌面
添加小米粒文库到电脑桌面
安装后可以在桌面快捷访问

某汽车安全防护系统检修2VIP免费

某汽车安全防护系统检修2_第1页
1/29
某汽车安全防护系统检修2_第2页
2/29
某汽车安全防护系统检修2_第3页
3/29
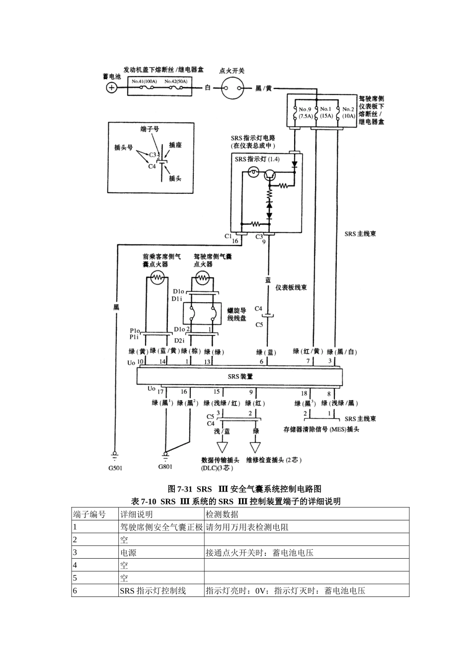
第三节安全气囊(SRS)系统及其检修1.安全气囊(SRS)系统的结构和工作自从1987年本田公司的旗舰Legend轿车在日本轿车中率先装备安全气囊系统以来,本田车系的安全气囊系统发展至今已经历经四代。不过最新的四气囊/安全带预张紧系统只装备在旗舰Legend轿车上,广州本田雅阁轿车中装备的安全气囊系统属于本田公司的第三代安全气囊系统SRSⅢ系统,它是一种与安全带配合使用的由驾驶席侧和前乘客侧安全气囊组成的双安全气囊系统。如图7-29和图7-30所示,SRSⅢ系统主要由SRS系统控制装置(包括安全传感器和碰撞传感器)、螺旋导线盘、驾驶席侧安全气囊、前乘客侧气囊SCS插头(诊断用)、MES插头(清除故障代码用)和数据传输插头等组成。安全气囊系统的控制电路如图7-31所示。图7-29SRSⅢ安全气囊系统的总体构成SRSⅢ安全气囊系统的工作原理如图7-32所示,当车辆发生正面碰撞事故时,碰撞传感器和安全传感器将检测出汽车碰撞的强度信号,并将碰撞强度信号转变成电信号输入SRS系统控制装置内的微处理器。一旦碰撞的冲击力(减速度)超过微处理器的设定极限值,安全气囊微处理器将立即接通点火器的电路,由此引燃点火器内的点火介质,火焰再引燃充气器中的充气剂,产生大量的气体,在极短的时间内将气囊充气并急剧膨胀,冲破转向盘中央胶盖,以缓冲对驾驶员和前乘客的冲击,从而保护驾驶员和前乘客免受或减少伤害。SRS系统控制装置中的主电路用于感受并判断冲撞力的强度,如有必要则启动充气器。如果由于碰撞造成蓄电池电压过低或电源断开,此时备用电路将工作,为SRS系统提供可靠稳定的电源电压,从而保证了系统工作的可靠性。在SRS系统的工作过程中,为了保证SRS系统的正常工作,必须满足三个条件:碰撞传感器和安全传感器必须处于激活状态并向微处理器发出电信号;微处理器必须计算该信号并想向气囊的充气器发出控制触发信号;充气器必须点燃并引爆气囊。在SRS系统控制装置内部设计有故障自诊断电路,当点火开关转至“ON”(Ⅱ)位置时,仪表板上的SRS指示灯亮约6s,然后熄灭,则表明SRS系统功能正常。如果仪表板上的SRS指示灯不亮,或者点亮6s后不熄灭,或者SRS灯在行车时点亮,则表明SRS系统有故障,应该尽快予以检查并修复。为了维修方便,SRS系统控制装置的存储器中存着有关故障的原因,数据连接电路将此信号从存储器传递给数据传输插头DLC上。可以将PGM检测仪连接到数据传输插头DLC上,以便读出有关故障信息。SRSⅢ系统的SRSⅢ控制装置端子的详细说明如表7-10所列。图7-30SRSⅢ安全气囊系统部件和导线的位置图7-32SRS系统的工作原理图7-31SRSⅢ安全气囊系统控制电路图表7-10SRSⅢ系统的SRSⅢ控制装置端子的详细说明端子编号详细说明检测数据1驾驶席侧安全气囊正极请勿用万用表检测电阻2空3电源接通点火开关时:蓄电池电压4空5空6SRS指示灯控制线指示灯亮时:0V;指示灯灭时:蓄电池电压7电源接通点火开关时:蓄电池电压8MES插头正极接通点火开关时:5V9SCS插头正极接通点火开关时:5V10前乘客席侧安全气囊正极请勿用万用表检测电阻11空12空13驾驶席侧安全气囊负极请勿用万用表检测电阻14前乘客席侧安全气囊负极请勿用万用表检测电阻15数据传输线接通点火开关时:脉冲电压16地线对地电阻为0Ω17地线对地电阻为0Ω18MES插头负极对地导通2.安全气囊(SRS)系统维修注意事项2.1维修的一般注意事项特别提醒:在进行气囊系统的维修之前,请仔细阅读下列操作前注意事项并遵照本手册介的有关说明,否则会意外引爆气囊,从而造成人员伤害或财产损失。(1)除了进行电气检查以外,在进行其他工作之前,一定要关闭点火开关,并将蓄电池负极电缆断开至少3min以上才能开始工作。因为即使点火开关已经关闭,蓄电池负极电缆已经断开,储存记忆中的内容也不会消失。(2)不应安装从其他车辆中卸下的SRS零部件,在进行维修时,只能使用新的纯正部件。(3)在安装任何SRS零部件前均应仔细检查其构成元件(驾驶席侧和乘客侧的安全气囊总成、螺旋电缆、SRS电脑),不应安装任何表面有凹陷、裂纹、变形或北欧摔过等现象的零件。(4)为避免安全气囊以外展开造成伤害,在拆卸SRS的任何零部件之前,一定要先...

1、当您付费下载文档后,您只拥有了使用权限,并不意味着购买了版权,文档只能用于自身使用,不得用于其他商业用途(如 [转卖]进行直接盈利或[编辑后售卖]进行间接盈利)。
2、本站所有内容均由合作方或网友上传,本站不对文档的完整性、权威性及其观点立场正确性做任何保证或承诺!文档内容仅供研究参考,付费前请自行鉴别。
3、如文档内容存在违规,或者侵犯商业秘密、侵犯著作权等,请点击“违规举报”。

碎片内容

某汽车安全防护系统检修2

您可能关注的文档

确认删除?
VIP
微信客服
  • 扫码咨询
会员Q群
  • 会员专属群点击这里加入QQ群
客服邮箱
回到顶部