电脑桌面
添加小米粒文库到电脑桌面
安装后可以在桌面快捷访问

合武铁路WHZQ-3标箱梁架设工程设备选型及提运架施工技术VIP免费

合武铁路WHZQ-3标箱梁架设工程设备选型及提运架施工技术_第1页
1/8
合武铁路WHZQ-3标箱梁架设工程设备选型及提运架施工技术_第2页
2/8
合武铁路WHZQ-3标箱梁架设工程设备选型及提运架施工技术_第3页
3/8
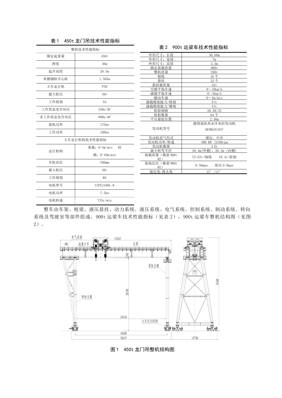
合武铁路WHZQ-3标箱梁架设工程设备选型及提运架施工技术李欣内容提要:设备选型及提运架施工技术是客运专线箱梁架设工程的重点控制环节,本文在简述合武铁路WHZQ-3标箱梁架设工程的基础上,介绍设备选型及提运架施工技术在客运专线箱梁架设工程中的应用情况。关键词:设备选型提运架施工技术箱梁架设工程1工程概况合武铁路是我国“十一五”规划的重点工程之一,工程难度大,科技含量高,工期要求紧。合武铁路WHZQ-3标箱梁架设工程(HDK348+555.90~改HDK359+956.23)规划长度11.4Km,主要跨越滠口车站、巨龙大道、民生堤、游湖路、丹水池货车线。其中32m箱梁276孔,24m箱梁29孔,共需架设箱梁305孔。2设备选型2.1设备选型原因分析合武铁路WHZQ-3标江岸特大桥由巨龙制梁场供梁,巨龙制梁场中心位置在江岸特大桥171#墩附近,由于本工程为全桥架梁,并且制梁场位于桥中位置,必须跨线提梁,32m单孔箱梁重788t,24m单孔箱梁重612.5t,受其特定桥型和制梁场布置位置的制约,为确保安全、优质、按期完成箱梁提、运、架施工任务,计划投入2套450t龙门吊,1套900t箱梁运架设备。2.2设备招标情况介绍共有6家生产厂商参加了投标,通过对各个生产厂商的生产周期、产品价格、提运架功效、过隧方案、设备检算能力等方面的综合考评,经评委评分确定郑州大方工程机械有限公司、中铁武汉工程机械研究院、北戴河通联路桥机械有限公司、北京万桥兴业机械有限公司排名前四名。经最终评审确定中铁武汉工程机械研究院中标450t龙门吊,北戴河通联路桥机械有限公司中标900t运架设备。2.3设备情况介绍2.3.1450t龙门吊450t龙门吊是根据合武铁路WHZQ-3标江岸特大桥特殊架梁情况,单独设计制造的,采用4点起吊3点平衡技术,确保梁体不受扭。450t龙门吊主要组成部分有:主梁总成、刚性支腿、柔性支腿、大车行走机构部分、起重小车部分、电气部分、平台护栏等附件部分。450t龙门吊技术性能指标(见表1),450t龙门吊整机结构图(见图1)。2.3.2900t运梁车运梁车的结构按模块式设计制作,设计用来重载运输,用于运输20m、24m、32m双线整孔混凝土箱梁,能够把混凝土箱梁从预制场地通过便道、铁路路基、桥梁(包括刚构连续梁、钢混结合连续梁等)运至架梁工位,与架桥机配合完成整孔双线箱梁的架设工作,同时,运梁车可以驮运架桥机,满足架桥机转场作业要求。运梁车为轮胎式,双发动机和双泵组,可同时工作,也可独立工作,液压驱动转向架自力行走。运梁到位后,运梁车上的驮梁小车与架桥机吊梁行车配合,完成架梁工作。表1450t龙门吊技术性能指标整机技术性能指标额定起重量450t跨度36m起升高度28.5m单侧钢轨中心距1.505m大车走行轨P50最大轮压38t工作级别A3工作状态允许风压250n/㎡非工作状态允许风压800n/㎡装机功率175kw工作功率100kw大车走行机构技术性能指标走行机构重载:0-5m/min轻载:0-10m/min车轮直径700mm最大轮压38t工作级别M4电机型号YZPEJ160L-8电机功率7.5kw电机转速735r/min整车由车架、枕梁、液压悬挂、动力系统、液压系统、电气系统、控制系统、制动系统、转向系统及驾驶室等部件组成。900t运梁车技术性能指标(见表2),900t运梁车整机结构图(见图2)。图1450t龙门吊整机结构图表2900t运梁车技术性能指标外形尺寸:长度36.68m外形尺寸:宽度7m外形尺寸:高度3.5m额定装载质量900t整机质量280t轴线16个悬挂32个悬挂载质量42t空载平地车速0~10km/h满载平地车速0~5km/h蠕动车速0~3m/min满载爬坡能力/纵坡5%满载爬坡能力/横坡4%轮胎规格26.5R/25轮胎数量64个平台最低位置2.46m发动机型号德国道依茨水冷电控发动机BF8M1015CP发动机进气形式增压、中冷发动机功率/转速400KW/2100rpm发动机数量2台最小转弯半径38.4m(外侧),26.3m(内侧)轴载质量(载重900t时)73.63t/轴线18.4t/轮胎接地比压(载重900t时)0.56mpa胎压0.8mpa接近角/离去角15°/13°图2900t运梁车整机结构图900t运梁车发动机后置,车架主梁中置,2纵列16轴线;每轮组2车轮,共64轮;前5.5轴线驱动,共22轮,轮胎采用上海双钱26.5R25无内胎充气轮胎,使接地面积增大从而使轮胎的接地压力尽可能地减小;采用液压悬挂、液压驱动、液...

1、当您付费下载文档后,您只拥有了使用权限,并不意味着购买了版权,文档只能用于自身使用,不得用于其他商业用途(如 [转卖]进行直接盈利或[编辑后售卖]进行间接盈利)。
2、本站所有内容均由合作方或网友上传,本站不对文档的完整性、权威性及其观点立场正确性做任何保证或承诺!文档内容仅供研究参考,付费前请自行鉴别。
3、如文档内容存在违规,或者侵犯商业秘密、侵犯著作权等,请点击“违规举报”。

碎片内容

合武铁路WHZQ-3标箱梁架设工程设备选型及提运架施工技术

您可能关注的文档

确认删除?
VIP
微信客服
  • 扫码咨询
会员Q群
  • 会员专属群点击这里加入QQ群
客服邮箱
回到顶部