电脑桌面
添加小米粒文库到电脑桌面
安装后可以在桌面快捷访问

XXXX年33号文附件:继电保护及安全自动装置压板及保护屏VIP免费

XXXX年33号文附件:继电保护及安全自动装置压板及保护屏_第1页
1/21
XXXX年33号文附件:继电保护及安全自动装置压板及保护屏_第2页
2/21
XXXX年33号文附件:继电保护及安全自动装置压板及保护屏_第3页
3/21
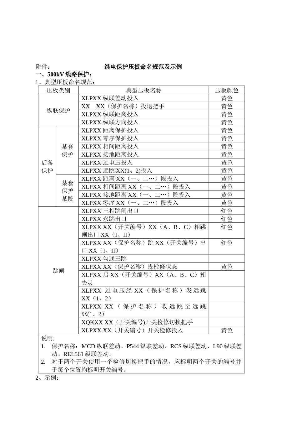
附件:华北电网继电保护及安全自动装置压板统一命名规范1.总则1.1为保证正确投退继电保护及安全自动装置(以下简称“保护”)压板,避免发生误操作,确保电网安全稳定运行,特制定本办法。本办法对保护压板统一命名进行了规范,对于本办法未列出的保护装置,其名称的规范可参照执行。1.2对于新建、改(扩)建工程,设计单位应按本办法规范保护压板的命名,施工调试单位应按本办法提前做好保护压板的命名及标签制作等准备工作,运行单位提前做好现场运行规程的编制或修改工作,保证按规范命名的保护压板与新设备同步投产。2.继电保护及安全自动装置压板统一命名规范2.1继电保护及安全自动装置压板分类及标签格式。压板分为投运压板和备用压板。2.1.1投运压板指经试验证明接线、功能正确并投入运行的压板。2.1.2备用压板指保护屏上未接线的压板、不投入的保护功能段及不投入的跳闸出口压板;备用压板均应标注“XXLPXX备用”,且备用压板的连接片必须摘除。2.2继电保护及安全自动装置压板命名范围包括保护屏上的压板及切换把手等。2.3各站现场运行规程中必须列出本站各套保护压板名称、压板投退使用说明。2.4保护压板投退说明编写原则要求:2.4.1准确、详细、便于执行。2.4.2对容易混淆的压板名称做出解释,如:主保护、后备保护等。2.4.3写明各压板在不同运行方式下的状态。2.4.4注明各套保护投退对应的压板名称。2.4.5保护压板投退说明中经常使用的部分应粘贴在保护盘上,以方便运行人员操作。2.4.6压板、把手等名称应采用双重编号。即:在规范命名中应体现设计图纸中的编号以及名称,如:“9LP5033A相跳闸出口Ⅱ”。2.4.7保护屏压板颜色:原则上跳闸压板一律采用红色标识,保护功能压板一律采用黄色标识。2.4.8保护压板标签宜采用白底黑字打印,字体采用宋体。2.4.9跳闸线圈编号采用罗马数字。如:“1LP1A相跳闸出口Ⅰ”,表示跳第一线圈。2.4.10保护的段数采用中文数字。如:“3LP220kV复压方向过流二段投入”。2.4.11一次线路编号采用中文数字。如:“15LP5042失灵经沙昌一线P544纵差发远跳1”。2.4.12两套保护采用阿拉伯数字区分。如“13LP差动2跳5004A相出口Ⅱ”。2.4.13对于3/2接线母线采用罗马数字,如:Ⅰ母或Ⅱ母。对于双母接线母线采用阿拉伯数字,如:4母或5母。2.4.14变压器不接地保护统一命名为间隙保护。2.4.15复合电压并联启动应明确启动关系。2.4.16保护压板投退说明须经保护专业审核后方可执行。2.5继电保护及安全自动装置压板的分类命名。2.5.1压板名称应能明确体现所属一次设备、保护名称、该压板的目的及实现功能。2.5.2本办法对500kV线路保护(含过电压远跳)、500kV变压器保护、失步解列装置、3/2接线断路器保护、3/2接线短引线保护、3/2接线母差保护、500kV高压电抗器保护、220kV线路保护(含辅助柜)、220kV变压器保护、双母线母差保护等类型的保护压板命名进行了规范,并结合规范对每一种保护类型以示例说明。2.5.3当不同一次设备的保护装设在同一面屏上时,应在保护压板前加一次设备编号。2.5.4对特殊压板应有明确说明,如:一个半开关的短引线保护等等。附件:继电保护压板命名规范及示例附件:继电保护压板命名规范及示例一、500kV线路保护:1、典型压板命名规范:压板类别典型压板名称压板颜色纵联保护XLPXX纵联差动投入黄色XXXX(保护名称)投退把手黄色XLPXX纵联距离投入黄色XLPXX纵联方向投入黄色后备保护某套保护XLPXX距离保护投入黄色XLPXX零序保护投入黄色XLPXX相间距离投入黄色XLPXX接地距离投入黄色XLPXX过电压投入黄色XLPXX远跳XX(1、2)投入黄色某套保护某段XLPXX距离XX(一、二…)段投入黄色XLPXX相间距离XX(一、二…)段投入黄色XLPXX接地距离XX(一、二…)段投入黄色XLPXX零序XX(一、二…)段投入黄色跳闸XLPXX三相跳闸出口红色XLPXX永跳出口红色XLPXXXX(开关编号)XX(A、B、C)相跳闸出口XX(I、II)红色XLPXXXX(保护名称)跳XX(开关编号)出口XX(I、II)红色XLPXX勾通三跳XLPXXXX(保护名称)投检修状态黄色XLPXX启XX(开关编号)XX(A、B、C)相失灵XLPXX过电压经XX(保护名称)发远跳XX(1、2)XLPXXXX(保护名称)收远跳至远...

1、当您付费下载文档后,您只拥有了使用权限,并不意味着购买了版权,文档只能用于自身使用,不得用于其他商业用途(如 [转卖]进行直接盈利或[编辑后售卖]进行间接盈利)。
2、本站所有内容均由合作方或网友上传,本站不对文档的完整性、权威性及其观点立场正确性做任何保证或承诺!文档内容仅供研究参考,付费前请自行鉴别。
3、如文档内容存在违规,或者侵犯商业秘密、侵犯著作权等,请点击“违规举报”。

碎片内容

XXXX年33号文附件:继电保护及安全自动装置压板及保护屏

您可能关注的文档

黄金书屋+ 关注
实名认证
内容提供者

爱好英语教学和互联网行业,热爱教育事业,兢兢业业

确认删除?
VIP
微信客服
  • 扫码咨询
会员Q群
  • 会员专属群点击这里加入QQ群
客服邮箱
回到顶部