电脑桌面
添加小米粒文库到电脑桌面
安装后可以在桌面快捷访问

试验检测仪器设备现场检查表VIP免费

试验检测仪器设备现场检查表_第1页
1/22
试验检测仪器设备现场检查表_第2页
2/22
试验检测仪器设备现场检查表_第3页
3/22
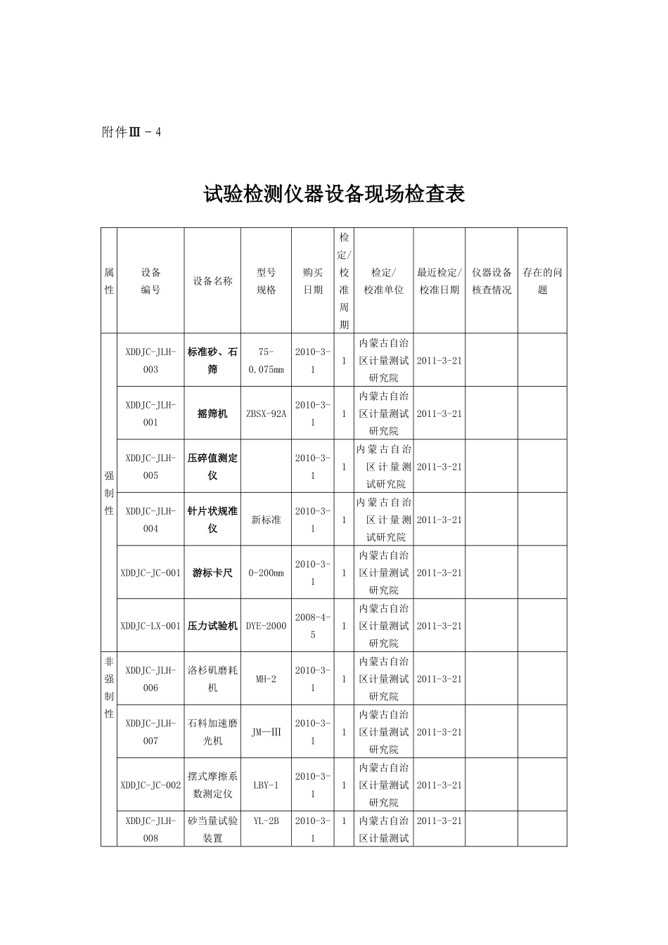
附件Ⅲ-4试验检测仪器设备现场检查表属性设备编号设备名称型号规格购买日期检定/校准周期检定/校准单位最近检定/校准日期仪器设备核查情况存在的问题强制性XDDJC-TG-001标准筛土壤2010-3-11内蒙古自治区计量测试研究院2011-3-21XDDJC-JLH-001摇筛机ZBSX-92A2010-3-11内蒙古自治区计量测试研究院2011-3-21XDDJC-TG-002密度计甲种(TM85)2010-3-11内蒙古自治区计量测试研究院2011-3-21XDDJC-JLH-031电子天平LD50001(0.1g)2010-3-11内蒙古自治区计量测试研究院2011-3-21XDDJC-JLH-002烘箱101-42010-3-11内蒙古自治区计量测试研究院2011-3-21XDDJC-TG-003光电液塑限测定仪FG-Ⅲ2010-3-11内蒙古自治区计量测试研究院2011-3-21XDDJC-TG-004自动击实仪LQ-DJ-Ⅱ2010-3-11内蒙古自治区计量测试研究院2011-3-21XDDJC-TG-005多功能脱模器YT-500A2010-3-11内蒙古自治区计量测试研究院2011-3-21非强制性XDDJC-JLH-030电子秤ACS-DⅡ2010-3-11内蒙古自治区计量测试研究院2011-3-21XDDJC-TG-015电子天平LD200022010-3-11内蒙古自治区计量测试研究院2011-3-21XDDJC-TG-007路面材料强度试验仪STLQ-32010-3-11内蒙古自治区计量测试研究院2011-3-21XDDJC-TG-008比重瓶2008-4-1自校2011-3-属性设备编号设备名称型号规格购买日期检定/校准周期检定/校准单位最近检定/校准日期仪器设备核查情况存在的问题521XDDJC-TG-009杠杆压力仪HT-12010-3-11自校2011-3-21XDDJC-TG-010承载板及测力装置2010-3-11自校2011-3-21缺少的仪器设备---------------------试验检测办公用房面积(m2)试验检测用房面积(m2)总面积(m2)备注备注:1.设备名称填写时应按申请书试验检测仪器设备一览表所列仪器设备顺序填写。2.“仪器设备的核查情况”栏由专家核准填写,“设备满足要求”打“√”,“设备不满足要求”打“×”。3.“存在的问题”栏由专家根据发现的问题填写。附件Ⅲ-4试验检测仪器设备现场检查表属性设备编号设备名称型号规格购买日期检定/校准周期检定/校准单位最近检定/校准日期仪器设备核查情况存在的问题强制性XDDJC-JLH-003标准砂、石筛75-0.075mm2010-3-11内蒙古自治区计量测试研究院2011-3-21XDDJC-JLH-001摇筛机ZBSX-92A2010-3-11内蒙古自治区计量测试研究院2011-3-21XDDJC-JLH-005压碎值测定仪2010-3-11内蒙古自治区计量测试研究院2011-3-21XDDJC-JLH-004针片状规准仪新标准2010-3-11内蒙古自治区计量测试研究院2011-3-21XDDJC-JC-001游标卡尺0-200mm2010-3-11内蒙古自治区计量测试研究院2011-3-21XDDJC-LX-001压力试验机DYE-20002008-4-51内蒙古自治区计量测试研究院2011-3-21非强制性XDDJC-JLH-006洛杉矶磨耗机MH-22010-3-11内蒙古自治区计量测试研究院2011-3-21XDDJC-JLH-007石料加速磨光机JM—Ⅲ2010-3-11内蒙古自治区计量测试研究院2011-3-21XDDJC-JC-002摆式摩擦系数测定仪LBY-12010-3-11内蒙古自治区计量测试研究院2011-3-21XDDJC-JLH-008砂当量试验装置YL-2B2010-3-11内蒙古自治区计量测试2011-3-21属性设备编号设备名称型号规格购买日期检定/校准周期检定/校准单位最近检定/校准日期仪器设备核查情况存在的问题研究院XDDJC-JLH-009李氏比重瓶——2010-3-1自校2011-3-21XDDJC-JLH-010细集料棱角性试验仪CDCC-12010-3-11内蒙古自治区计量测试研究院2011-3-21XDDJC-JLH-011测长仪及配件2010-3-11内蒙古自治区计量测试研究院2011-3-21XDDJC-JLH-012细集料饱和面干试模、捣棒——2010-3-1自校2011-3-21XDDJC-JLH-013岩石切割机XDDJC-JLH-0132010-3-11内蒙古自治区计量测试研究院2011-3-21XDDJC-JLH-014砂轮磨平机(双端面磨石机)XDDJC-JLH-0142010-3-11内蒙古自治区计量测试研究院2011-3-21缺少的仪器设备---------------------试验检测办公用房面积(m2)试验检测用房面积(m2)总面积(m2)备注备注:1.设备名称填写时应按申请书试验检测仪器设备一览表所列仪器设备顺序填写。2.“仪器设备的核查情况”栏由专家核准填写,“设备满足要求”打“√”,“设备不满足要求”打“×”。3.“存在的问题”栏由专家根据发现的问题填写。附件Ⅲ-4试验检测...

1、当您付费下载文档后,您只拥有了使用权限,并不意味着购买了版权,文档只能用于自身使用,不得用于其他商业用途(如 [转卖]进行直接盈利或[编辑后售卖]进行间接盈利)。
2、本站所有内容均由合作方或网友上传,本站不对文档的完整性、权威性及其观点立场正确性做任何保证或承诺!文档内容仅供研究参考,付费前请自行鉴别。
3、如文档内容存在违规,或者侵犯商业秘密、侵犯著作权等,请点击“违规举报”。

碎片内容

试验检测仪器设备现场检查表

黄金书屋+ 关注
实名认证
内容提供者

爱好英语教学和互联网行业,热爱教育事业,兢兢业业

确认删除?
VIP
微信客服
  • 扫码咨询
会员Q群
  • 会员专属群点击这里加入QQ群
客服邮箱
回到顶部