电脑桌面
添加小米粒文库到电脑桌面
安装后可以在桌面快捷访问

土石方开挖专项施工方案(监理已审查修改)VIP免费

土石方开挖专项施工方案(监理已审查修改)_第1页
1/31
土石方开挖专项施工方案(监理已审查修改)_第2页
2/31
土石方开挖专项施工方案(监理已审查修改)_第3页
3/31
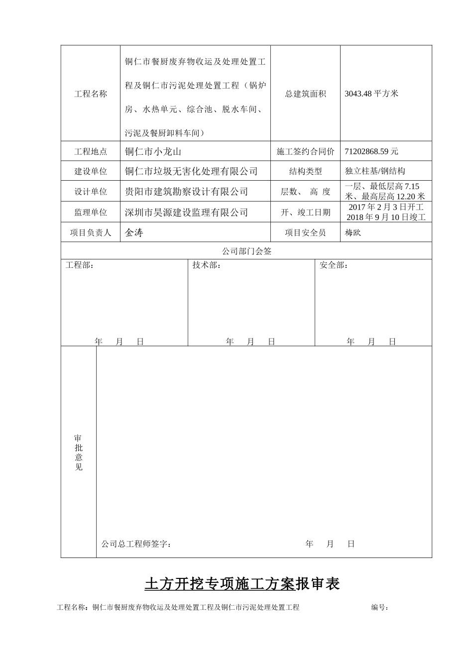
铜仁市餐厨废弃物收运及处理工程及铜仁市污泥处理处置工程项目土石方开挖专项施工方案编制人:审核人:审批人:四川深蓝环保科技有限公司铜仁项目部2017年2月2日土石方开挖专项施工方案审批表工程名称铜仁市餐厨废弃物收运及处理处置工程及铜仁市污泥处理处置工程(锅炉房、水热单元、综合池、脱水车间、污泥及餐厨卸料车间)总建筑面积3043.48平方米工程地点铜仁市小龙山施工签约合同价71202868.59元建设单位铜仁市垃圾无害化处理有限公司结构类型独立柱基/钢结构设计单位贵阳市建筑勘察设计有限公司层数、高度一层、最低层高7.15米、最高层高12.20米监理单位深圳市昊源建设监理有限公司开、竣工日期2017年2月3日开工2018年9月10日竣工项目负责人金涛项目安全员梅欧公司部门会签工程部:年月日技术部:年月日安全部:年月日审批意见公司总工程师签字:年月日土方开挖专项施工方案报审表工程名称:铜仁市餐厨废弃物收运及处理处置工程及铜仁市污泥处理处置工程编号:目录一、工程概况...........................................................1二、编制说明...........................................................1致:深圳市昊源建设监理有限公司铜仁市餐厨及污泥工程监理部我方已根据施工合同的有关规定完成了该项目:锅炉房、水热单元、综合池、脱水车间、污泥及餐厨卸料车间工程基础土石方开挖专项施工方案的编制,并经我单位有关部门及总工程师审查批准,现报请监理机构、建设单位工程指挥部予以审查、批准。附:土石方开挖专项施工方案承包单位(章)_________________项目经理________________日期________________专业监理工程师审查意见:专业监理工程师_____________日期_____________总监理工程师审核意见:项目监理机构(章)_________________总监理工程师_________________日期_________________建设单位工程指挥部审批意见:建设单位(盖章)建设单位工地代表:年月日三、地质情况...........................................................2四、施工方案...........................................................3五、施工顺序...........................................................8六、土方挖运时间和机械数量计算........................................10七、施工工艺..........................................................12八、土方开挖工程质量验收标准..........................................18九、基坑土方开挖工程中的排水..........................................19十、劳动力计划........................................................20十一、施工安全保证措施................................................20十二、工程质量保证措施................................................24十三、主要文明施工措施................................................27后附:1、各建筑结构物基础土方开挖平面图、剖面图2、各建筑结构物基础土石方开挖进度计划表一、工程概况:项目名称:铜仁市餐厨废弃物收运及处理工程及铜仁市污泥处理处置工程建设地点:铜仁市万山区小龙山计划工期:540日历天(开工日期:2017年2月3日、竣工日期:2018年9月10日)建设规模:铜仁市餐厨废弃物收运及处理工程总用地面积12667m2,年产生物质燃气(BNG)54.75万立方米,粗油脂584吨;铜仁市污泥处理处置工程为新建处理规模100吨/日的污泥处理处置系统及配套设施。本项目(系统)包括:污泥、餐厨缓冲/调质单元、水热处理单元、冷却-脱油单元、厌氧消化单元、压滤脱水单元、锅炉单元、臭气处理系统、沼液(脱水滤液)处理单元及其他辅助单元,以及各子系统内及子系统间配套的电气、仪表、自控及工艺管道系统。该项目的实施可以对铜仁市城市餐饮行业在营运过程中产生的液态或固态废弃物实现有效处理;建立健全餐厨废弃物处理体系;对污水处理厂的剩余污泥进行减量化、稳定化、无害化处理与资源化利用。基坑四周无相邻建筑物,但有厂区道路。所以本工程土方周边地质相对比较稳定。二、编制依据1.铜仁市餐厨废弃物收运及处理工程...

1、当您付费下载文档后,您只拥有了使用权限,并不意味着购买了版权,文档只能用于自身使用,不得用于其他商业用途(如 [转卖]进行直接盈利或[编辑后售卖]进行间接盈利)。
2、本站所有内容均由合作方或网友上传,本站不对文档的完整性、权威性及其观点立场正确性做任何保证或承诺!文档内容仅供研究参考,付费前请自行鉴别。
3、如文档内容存在违规,或者侵犯商业秘密、侵犯著作权等,请点击“违规举报”。

碎片内容

土石方开挖专项施工方案(监理已审查修改)

您可能关注的文档

确认删除?
VIP
微信客服
  • 扫码咨询
会员Q群
  • 会员专属群点击这里加入QQ群
客服邮箱
回到顶部