电脑桌面
添加小米粒文库到电脑桌面
安装后可以在桌面快捷访问

试生产作业指导书VIP免费

试生产作业指导书_第1页
1/5
试生产作业指导书_第2页
2/5
试生产作业指导书_第3页
3/5
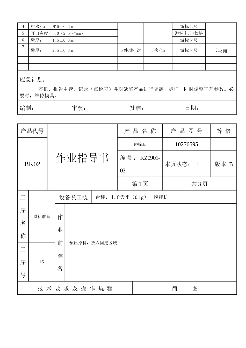
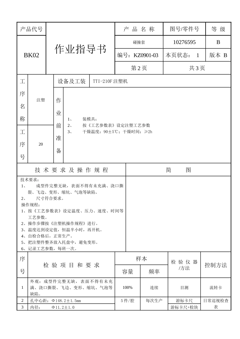
产品代号作业指导书产品名称图号/零件号等级BK02碰撞套10276595B编号:KZ0901-03本页状态:1版本B第2页共3页工序名称注塑设备及工装TTI-210F注塑机作业前准备1、装模具;2、按《工艺参数表》设定注塑工艺参数3、干燥温度:90±5℃;干燥时间:≥2h工序号20技术要求及操作规程简图技术要求:1、成型件完整无缺,表面不得有未充满、浇口撕裂、飞边、变形、缩坑、气泡等缺陷。2、尺寸符合要求。操作规程:1、按《工艺参数表》设定温度、压力、速度、时间等工艺参数。2、操作步骤按《注塑机操作规程》进行。3、温度达到设定值,恒温半小时,再开机。4、自检合格后,正常生产。5、把注塑件整齐放入托盘中,避免变形。6、记录工艺参数,每班一次。序号检验项目和要求样本检验仪器/方法控制方法容量频率1外观:成型件完整无缺,表面不得有未充满、浇口撕裂、飞边、变形、缩坑、气泡等缺陷。100%连续目测流转卡2孔中心距:Φ148.2±1.5mm5件/腔每次生产游标卡尺日常巡视检查表3内径:Φ11.2±1.0游标卡尺+检块4排水孔:Φ6±0.3mm游标卡尺5开口宽度:5.0(2.5~7mm)游标卡尺+检块6壁厚:1.5±0.3mm游标卡尺7壁厚:2.5±0.3mm5件/腔.次1次/4h游标卡尺_X-R图应急计划:停机、报告主管、记录(点检表)并对缺陷产品进行隔离、标识,同时调整工艺参数。必要时,维修模具。编制:审核:批准:日期:产品代号作业指导书产品名称产品图号等级BK02碰撞套10276595编号:KZ0901-03本页状态:1版本B第1页共3页工序名称原料准备设备及工装台秤、电子天平(0.1g)、搅拌机作业前准备领出原料,放入固定区域工序号15技术要求及操作规程简图技术要求:1、混合均匀。操作规程:1、按树脂:色母=100:1(Wt)的比例称重原料;2、将称重后的原料倒入搅拌机;设定搅拌时间1-3分钟,搅拌、卸料封存待用;序号检验项目和要求样本检验仪器/方法控制方法容量频率1外观:混合均匀100%每次目测配料加料记录-Ⅱ应急计划:隔离、标识、报告主管编制:审核:批准:产品代号作业指导书产品名称产品图号等级BK02碰撞套10276595编号:KZ0901-03本页状态:1版本B第3页共3页工序名称修边/包装/入库设备及工装修边刀、剪和包装纸箱作业前准备1.检查标签、合格证等;2.领出包装箱,放于固定位置。工序号25/35/45技术要求及操作规程简图技术要求:1、表面不得有未充满、浇口撕裂、飞边、变形、缩坑、气泡等缺陷;2、平整度≤15mm。操作规程:1、使用刀具剔除飞边;2、用铁丝串装后装箱(17个/串×11串+13个/串)/箱,贴包装箱外标签,并填写相关内容。3、清点数目后入库。序号检验项目和要求样本检验仪器/方法控制方法容量频率1外观:表面不得有未充满、浇口撕裂、飞边、变形、缩坑、气泡等缺陷。100%连续目测流转卡2平整度:≤15mm5件每班高度尺日常巡视检查表应急计划:隔离、标识、报告主管编制:审核:批准:

1、当您付费下载文档后,您只拥有了使用权限,并不意味着购买了版权,文档只能用于自身使用,不得用于其他商业用途(如 [转卖]进行直接盈利或[编辑后售卖]进行间接盈利)。
2、本站所有内容均由合作方或网友上传,本站不对文档的完整性、权威性及其观点立场正确性做任何保证或承诺!文档内容仅供研究参考,付费前请自行鉴别。
3、如文档内容存在违规,或者侵犯商业秘密、侵犯著作权等,请点击“违规举报”。

碎片内容

试生产作业指导书

黄金书屋+ 关注
实名认证
内容提供者

爱好英语教学和互联网行业,热爱教育事业,兢兢业业

确认删除?
VIP
微信客服
  • 扫码咨询
会员Q群
  • 会员专属群点击这里加入QQ群
客服邮箱
回到顶部