电脑桌面
添加小米粒文库到电脑桌面
安装后可以在桌面快捷访问

仪器设备送检通知单VIP免费

仪器设备送检通知单_第1页
1/9
仪器设备送检通知单_第2页
2/9
仪器设备送检通知单_第3页
3/9
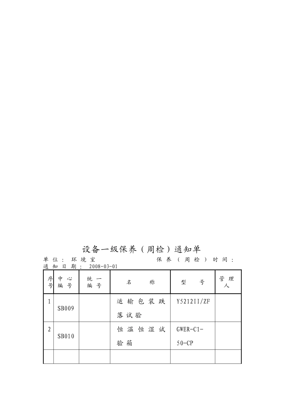
国家电子计算机外部设备质量监督检验中心仪器设备送检通知单送检单位:环境室送检时间:通知日期:2008-02-01序号中心编号统一编号名称型号管理人1SB008恒温恒湿试验箱THS-ETC-150设备一级保养(周检)通知单单位:环境室保养(周检)时间:通知日期:2008-03-01序号中心编号统一编号名称型号管理人1SB009运输包装跌落试验Y5212II/ZF2SB010恒温恒湿试验箱GWER-C1-50-CP设备一级保养(周检)通知单单位:电磁兼容室保养(周检)时间:通知日期:2008-03-01序号中心编号统一编号名称型号管理人1SB053电波暗室966设备一级保养(周检)通知单单位:安全实验室保养(周检)时间:通知日期:2008-03-01序号中心编号统一编号名称型号管理人1SB068电源线弯曲试验机DXQ-2设备一级保养(周检)通知单单位:性能实验室保养(周检)时间:通知日期:2008-04-01序号中心编号统一编号名称型号管理人1SB023色带抗拉强度试验机2SB030往复键试验台HP设备一级保养(周检)通知单单位:电磁兼容室保养(周检)时间:通知日期:2008-04-01序号中心编号统一编号名称型号管理人1SB067电线电缆曲绕试验机DLQ2SB071外加电压测试发生器WYD设备一级保养(周检)通知单单位:环境室保养(周检)时间:通知日期:2008-05-08序号中心编号统一编号名称型号管理人1SB001高低温湿试验箱T30RC2SB004低温恒温恒湿试验箱SDH1833SB005恒定湿热试验设备Y7240III4SB007机械振动台Y50250/ZF5SB008碰撞台Y52250/ZF6SB055高低温交变湿热试验箱ESL-10AGP7SB077电动振动台DC-1000-10设备一级保养(周检)通知单单位:安全室保养(周检)时间:通知日期:2008-05-08序号中心编号统一编号名称型号管理人1SB070电源线拉扭试验台DXL-A设备一级保养(周检)通知单单位:安全实验室保养(周检)时间:通知日期:2008-06-01序号中心编号统一编号名称型号管理人1SB011耐划痕试验仪AR-I2SB048燃烧性试验仪FB-I3SB049灼热燃油试验仪HFO-I4SB050大电流电弧引燃试验仪HCAI-II5SB051热线引燃试验仪HWI-I设备一级保养(周检)通知单单位:电磁兼容室保养(周检)时间:通知日期:2008-07-01序号中心编号统一编号名称型号管理人1SB072焊接式屏蔽室GP6设备一级保养(周检)通知单单位:安全室保养(周检)时间:通知日期:2008-08-01序号中心编号统一编号名称型号管理人1SB069显象管撞击试验机XGI2SB074电热鼓风恒温干燥箱101A-I设备一级保养(周检)通知单单位:环境室保养(周检)时间:通知日期:2008-09-01序号中心编号统一编号名称型号管理人1SB082恒温恒湿试验箱ITH-800-50-CP-AR设备一级保养(周检)通知单单位:电磁兼容室保养(周检)时间:通知日期:2008-10-08序号中心编号统一编号名称型号管理人1SB040横电磁波传输室MIN-8815设备一级保养(周检)通知单单位:环境室保养(周检)时间:通知日期:2008-11-01序号中心编号统一编号名称型号管理人1SB047盐雾腐蚀试验箱YWX/Q-750设备一级保养(周检)通知单单位:性能室保养(周检)时间:通知日期:2008-12-01序号中心编号统一编号名称型号管理人1SB021UPS测试台后备式

1、当您付费下载文档后,您只拥有了使用权限,并不意味着购买了版权,文档只能用于自身使用,不得用于其他商业用途(如 [转卖]进行直接盈利或[编辑后售卖]进行间接盈利)。
2、本站所有内容均由合作方或网友上传,本站不对文档的完整性、权威性及其观点立场正确性做任何保证或承诺!文档内容仅供研究参考,付费前请自行鉴别。
3、如文档内容存在违规,或者侵犯商业秘密、侵犯著作权等,请点击“违规举报”。

碎片内容

仪器设备送检通知单

确认删除?
VIP
微信客服
  • 扫码咨询
会员Q群
  • 会员专属群点击这里加入QQ群
客服邮箱
回到顶部