电脑桌面
添加小米粒文库到电脑桌面
安装后可以在桌面快捷访问

大宝山隧道爆破工程技术交底(四级)VIP免费

大宝山隧道爆破工程技术交底(四级)_第1页
1/11
大宝山隧道爆破工程技术交底(四级)_第2页
2/11
大宝山隧道爆破工程技术交底(四级)_第3页
3/11
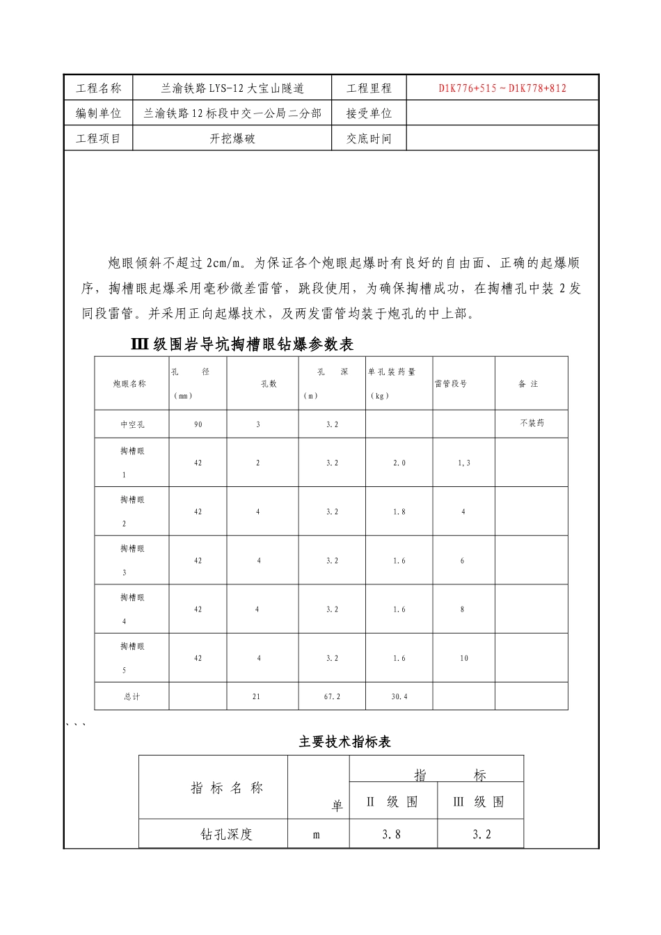
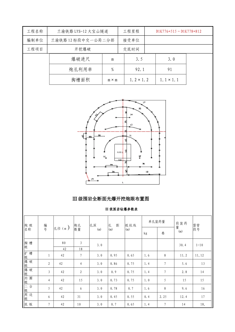
工程名称兰渝铁路LYS-12大宝山隧道工程里程D1K776+515~D1K778+812编制单位兰渝铁路12标段中交一公局二分部接受单位工程项目开挖爆破交底时间交底内容:交底范围:为保证开挖轮廓线,控制超欠挖,要求开挖方式采用光面爆破,钻爆设计如下:一、本工程采用预留光面层的爆破方法,爆破参数如下:(1)预留的光面层厚度Ⅴ:60-70cm;(2)周边眼间距E:40-50cm;按照E/V=0.8的目标控制参数的选择。另外,以上参数为拟选定参数,具体参数要根据现场的爆破效果,按照炮眼的留痕率:硬岩≥80%、中硬岩≥70%和软岩≥50%的标准,经多次试验以后,根据具体情况予以修正。二、为了保证开挖面的平整,掏槽眼应该比辅助眼深10cm,并且掏槽眼要求严格相互平行,眼口间距误差和眼底间距误差不得大于5cm;辅助眼的眼口排距,行距误差均不得大于5㎝,下台阶眼底不超过开挖轮廓线10㎝.三、拱部光面层钻孔的时间要搭设钻孔平台,以确保光面层周边眼沿隧道设计断面轮廓线上的间距误差不大于5㎝,外斜率不大于5㎝/m,两茬炮眼衔接时出现的台阶形误差不得大于15㎝.四、光面爆破宜采用小直径药卷,根据不同的围岩情况及药卷特性,经过试验后确定最佳装药参数。五、炮眼布置示意图及爆破参数如下Ⅲ级围岩大直径中空直眼掏槽法工程名称兰渝铁路LYS-12大宝山隧道工程里程D1K776+515~D1K778+812编制单位兰渝铁路12标段中交一公局二分部接受单位工程项目开挖爆破交底时间炮眼倾斜不超过2cm/m。为保证各个炮眼起爆时有良好的自由面、正确的起爆顺序,掏槽眼起爆采用毫秒微差雷管,跳段使用,为确保掏槽成功,在掏槽孔中装2发同段雷管。并采用正向起爆技术,及两发雷管均装于炮孔的中上部。Ⅲ级围岩导坑掏槽眼钻爆参数表炮眼名称孔径(mm)孔数孔深(m)单孔装药量(kg)雷管段号备注中空孔9033.2不装药掏槽眼14223.22.01,3掏槽眼24243.21.84掏槽眼34243.21.66掏槽眼44243.21.68掏槽眼54243.21.610总计2167.230.4、、、主要技术指标表指标名称单指标Ⅱ级围岩Ⅲ级围岩钻孔深度m3.83.2工程名称兰渝铁路LYS-12大宝山隧道工程里程D1K776+515~D1K778+812编制单位兰渝铁路12标段中交一公局二分部接受单位工程项目开挖爆破交底时间爆破进尺m3.53.0炮孔利用率%92.191掏槽面积m×m1.2×1.21.1×1.1Ⅲ级围岩钻爆参数表炮眼名称编号孔径(m)炮孔数量孔深(m)孔距(m)抵抗线(m)单孔装药量段装药量(m)雷管段号kg卷掏槽眼8033.030.41-104218扩槽眼14273.00.950.651.6811.211,12爆破眼24243.00.860.751.475.613爆破眼34223.00.90.751.472.814内圈眼442153.00.730.751.051515二台眼54263.00.780.71.689.616周边眼642313.00.450.550.42.2512.417底板742103.00.70.651.471418,Ⅲ级围岩全断面光爆开挖炮眼布置图工程名称兰渝铁路LYS-12大宝山隧道工程里程D1K776+515~D1K778+812编制单位兰渝铁路12标段中交一公局二分部接受单位工程项目开挖爆破交底时间眼19合计96288101钻爆设计技术经济分析指标名称单位指标Ⅱ级围岩Ⅲ级围岩作业数量循环进尺m3.53.0钻眼数量个9496钻孔总延米m329288材料消耗炸药消耗量kg115.05101雷管消耗个7074导爆索消耗m105107综合指标预计进尺m3.53.0炮眼利用率%92.190.9比钻眼量m/m33.132.96比耗药量kg/m31.091.02工程名称兰渝铁路LYS-12大宝山隧道工程里程D1K776+515~D1K778+812编制单位兰渝铁路12标段中交一公局二分部接受单位工程项目开挖爆破交底时间30304060cm堵塞长度13777777777776666665555555555333333111999999621111111113131313131313131313131313131313131313131313131313131313131313131313131313131313131313874966掏槽孔辅助孔周边孔底板孔孔数雷管段别单孔装药量炮孔装药量炮眼深度项目炮孔名称个段kgkgm合计191,3,56,7,9,11664813151514814φ40=2.89φ40=1.83φ32=0.4512φ40=2.453.2118.821.636229.643.83.83.8Ⅱ级围岩各孔装药参数表(进尺360cm)131313131515151515151515151515151515151111111111111111111111111111111111111111111199999999999999999工程名称兰渝铁路LYS-12大宝山隧道工程里程D1K776+515~D1K778+812编制单位兰渝铁路12标段中交一公局二分部接受单位工程项目开挖爆破...

1、当您付费下载文档后,您只拥有了使用权限,并不意味着购买了版权,文档只能用于自身使用,不得用于其他商业用途(如 [转卖]进行直接盈利或[编辑后售卖]进行间接盈利)。
2、本站所有内容均由合作方或网友上传,本站不对文档的完整性、权威性及其观点立场正确性做任何保证或承诺!文档内容仅供研究参考,付费前请自行鉴别。
3、如文档内容存在违规,或者侵犯商业秘密、侵犯著作权等,请点击“违规举报”。

碎片内容

大宝山隧道爆破工程技术交底(四级)

您可能关注的文档

确认删除?
VIP
微信客服
  • 扫码咨询
会员Q群
  • 会员专属群点击这里加入QQ群
客服邮箱
回到顶部