电脑桌面
添加小米粒文库到电脑桌面
安装后可以在桌面快捷访问

冲击成孔桩基施工方案VIP免费

冲击成孔桩基施工方案_第1页
1/27
冲击成孔桩基施工方案_第2页
2/27
冲击成孔桩基施工方案_第3页
3/27
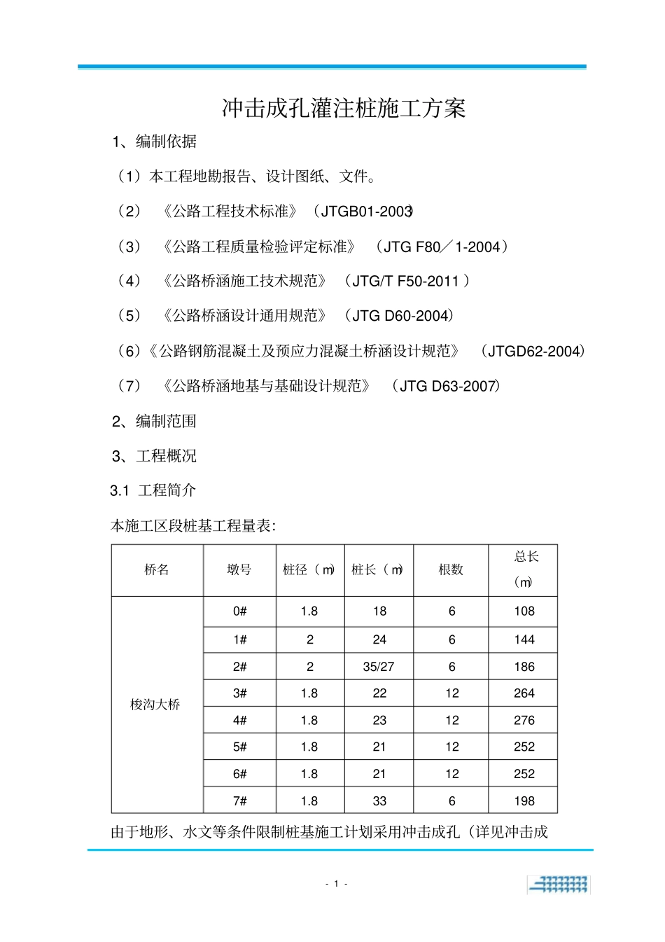
-1-冲击成孔灌注桩施工方案1、编制依据(1)本工程地勘报告、设计图纸、文件。(2)《公路工程技术标准》(JTGB01-2003)(3)《公路工程质量检验评定标准》(JTGF80∕1-2004)(4)《公路桥涵施工技术规范》(JTG/TF50-2011)(5)《公路桥涵设计通用规范》(JTGD60-2004)(6)《公路钢筋混凝土及预应力混凝土桥涵设计规范》(JTGD62-2004)(7)《公路桥涵地基与基础设计规范》(JTGD63-2007)2、编制范围3、工程概况3.1工程简介本施工区段桩基工程量表:桥名墩号桩径(m)桩长(m)根数总长(m)梭沟大桥0#1.81861081#22461442#235/2761863#1.822122644#1.823122765#1.821122526#1.821122527#1.8336198由于地形、水文等条件限制桩基施工计划采用冲击成孔(详见冲击成-2-孔施工方案),具体施工方法结合实际现场情况来确定。3.2地形、地貌线路所经地带为荥巩丘陵山地,山脉呈东西像展布。山脉和丘陵之间分布有不同规模的冲积平原,形成山川相间的地貌格局。地势总体上是西高东低;线路走廊带内最低标高141.89m,最高标高440.46,相对高差一般10-200m。山体走向多为东西向,山体多呈浑圆状平缓山丘,山坡坡度为10-37°。基岩裸露较少,多被坡积、坡洪积黄土状粉质粘土、碎石土覆盖,植被较发育。出露基岩主要为砂岩、泥岩、泥质砂岩、砂质泥岩。按照成因及形态,线路所经地段为丘陵岗地、冲洪积平原、构造剥蚀低山(K8+400-K20+300)。3.3气候、水文条件项目所在地区巩义市属暖温带大陆性季风型气候。年平均气温14.6℃,历年最高气温43℃,绝对最低气温-15.4℃,降水量多集中在7、8、9月份,占全年降水量的62%,年平均风速3m/s,年平均最大风速36m/s。勘察区地下水为松散岩类的孔隙水和基岩裂隙水组成,基岩裂隙水主要分布于泥岩、砂岩、砂质泥岩和泥质砂岩中。工程区主要河流有汜水河、东泗河等,水量随季节变化明显。4、施工总体布置4.1桩基机械选择根据本工程桥梁地质情况分析,桩基所处地质为粉质黏土、卵石、砂岩、砂质泥岩、泥质砂岩,其中砂岩深度为17~22m,强度普遍为17.8~55.6Mpa。所以我标段桩基施工使用机械为冲击钻,所有桩基采用冲击成孔-3-方法施工。4.2.实施目标4.2.1工期目标冲孔灌注桩计划开工时间2014年2月18日,总工期4个月。计划完工时间2014年6月1日。4.2.2质量目标——确保郑州市优质工程和业主满意工程——确保本项目工程质量等级为合格工程4.2.3安全目标——以人为本,在生产管理过程中保护所有相关方的健康安全,减少和避免伤害,体现人文关怀,彰显生命价值;——确保施工期间,地方交叉道路的行车安全;——杜绝重大工伤、死亡事故,杜绝重大交通事故;—一般事故率控制在3‰以内。4.2.4施工及环境控制目标——污染预防,积极采用和推广绿色材料,节能减排,低碳建筑,将企业生产经营活动的环境负面影响降低到最小。——达到郑州市文明样板工地标准,争国优、创部优。4.3.生活、施工用水用水:冲孔桩泥浆用水采用就近的水井或至施工进场后重新钻井引水至现场,水质化验合格后使用。生活用水采用附近居民的自来水,管接至生活营地,作为施工营地的生活用水-4-4.4.施工用电每座桥梁配备一台315kw变压器供钻机施工。4.5施工组织本工程采用项目管理的组织形式,项目部工作人员由经验丰富、服务态度好、责任心强、勤奋实干的工程技术人员和管理干部组成。建立以项目经理为首的管理层全权组织施工生产,对工程项目的质量、安全、工期、成本、文明施工等进行高效率、有计划的管理。表4-1施工队伍人员安排计划表人员组成工作内容管理队长2负责施工现场、调度、全面管理、组织工作等施工员4负责施工生产的落实工作等技术员3负责技术管理工作工作等质检员1负责质量管理工作等安全员2负责安全管理工作等统计员1负责统计工作等材料员2负责物资、设备管理工作等测量员3负责控制测量、施工测量工作等试验员2负责试验管理工作等桩基班钻机工、混凝土工等60负责护筒埋设、挖设泥浆池、沉淀池、挖孔、钻孔、清孔、安放钢筋笼、灌注水下混凝土、破桩头作业等-5-后勤保障班电工,水作业等20电气设备安装、维修;供水、管路维修等杂工班杂工30施工辅助作业等合计1305...

1、当您付费下载文档后,您只拥有了使用权限,并不意味着购买了版权,文档只能用于自身使用,不得用于其他商业用途(如 [转卖]进行直接盈利或[编辑后售卖]进行间接盈利)。
2、本站所有内容均由合作方或网友上传,本站不对文档的完整性、权威性及其观点立场正确性做任何保证或承诺!文档内容仅供研究参考,付费前请自行鉴别。
3、如文档内容存在违规,或者侵犯商业秘密、侵犯著作权等,请点击“违规举报”。

碎片内容

冲击成孔桩基施工方案

您可能关注的文档

确认删除?
VIP
微信客服
  • 扫码咨询
会员Q群
  • 会员专属群点击这里加入QQ群
客服邮箱
回到顶部