电脑桌面
添加小米粒文库到电脑桌面
安装后可以在桌面快捷访问

关于授予浙江省安全生产技术检测检验中心VIP专享VIP免费

关于授予浙江省安全生产技术检测检验中心_第1页
1/10
关于授予浙江省安全生产技术检测检验中心_第2页
2/10
关于授予浙江省安全生产技术检测检验中心_第3页
3/10
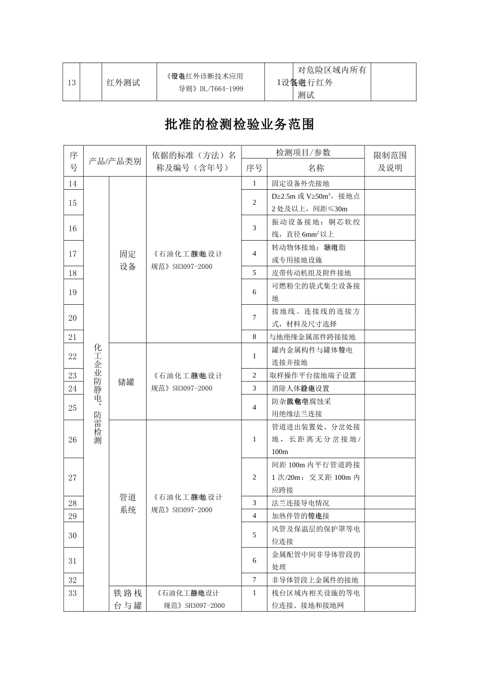
附件批准的检测检验业务范围机构名称:浙江省安全生产科学研究所(浙江省安全生产技术检测检验中心)证书编号:(2008)浙安监检乙0601有效期至:2011年9月1日序号产品/产品类别依据标准(方法)名称及编号(含年号)项目/参数限制范围及说明序号名称1电气安全检测变、配电系统;控制室《石油化工企业生产装置电力设计技术规范》SH3038-2000《石油化工企业设计防火规范》GB50160-92(1999年版)1选址和安全距离2《石油化工企业生产装置电力设计技术规范》SH3038-20002防爆专门要求3电气线路《爆炸和火灾危险环境电力装置施工及验收规范》GB50257-961敷设方式路径等要求42电缆线路要求53钢管配线要求64本质安全电路7防爆电气选型《爆炸和火灾危险环境电力装置设计规范》GB50058-92《爆炸性气体环境用电气设备第1部分:通用要求》GB3836.1-2000《爆炸性气体环境用电气设备第14部分:危险场所分类》GB3836.14-2000《石油化工企业生产装置电力设计技术规范》SH3038-20001防爆电气类别级别组别要求82气体环境电气设备选型93粉尘环境电气设备选型10接地及接地电阻《爆炸和火灾危险环境电力装置设计规范》GB50058-92《爆炸和火灾危险环境电力装置施工及验收规范》GB50257-96《接地系统的土壤电阻率,接地阻抗和地面电位测量导则第1部分:常规测量》GB/T17949.1-20001保护接地112防静电接地123接地电阻检测13红外测试《带电设备红外诊断技术应用导则》DL/T664-19991对危险区域内所有电气设备进行红外测试批准的检测检验业务范围序号产品/产品类别依据的标准(方法)名称及编号(含年号)检测项目/参数限制范围及说明序号名称14化工企业防静电、防雷检测固定设备《石油化工静电接地设计规范》SH3097-20001固定设备外壳接地152D≥2.5m或V≥50m3,接地点2处及以上,间距≤30m163振动设备接地:铜芯软绞线,直径6mm2以上174转动物体接地:导电润滑脂或专用接地设施185皮带传动机组及附件接地196可燃粉尘的袋式集尘设备接地207接地线、连接线的连接方式,材料及尺寸选择218与地绝缘金属部件跨接接地22储罐《石油化工静电接地设计规范》SH3097-20001罐内金属构件与罐体等电位连接并接地232取样操作平台接地端子设置243消除人体静电设施设置254防杂散电流和电化学腐蚀采用绝缘法兰连接26管道系统《石油化工静电接地设计规范》SH3097-20001管道进出装置处、分岔处接地,长距离无分岔接地/100m272间距100m内平行管道跨接1次/20m;交叉距100m内应跨接283法兰连接导电情况294加热伴管的等电位连接305风管及保温层的保护罩等电位连接316金属配管中间非导体管段的处理327非导体管段上金属件的接地33铁路栈台与罐《石油化工静电接地设计规范》SH3097-20001栈台区域内相关设施的等电位连接、接地和接地网序号产品/产品类别依据的标准(方法)名称及编号(含年号)检测项目/参数限制范围及说明序号名称车342区域内钢轨两端接地,跨接线、接地线材料和尺寸353操作平台人体静电接地棒设置;鹤位接地;罐车槽罐连接364金属注液管等电位连接和接地375非金属注液管材料处理要求386装卸作业时的等电位连接、接地批准的检测检验业务范围序号产品/产品类别依据的标准(方法)名称及编号(含年号)检测项目/参数限制范围及说明序号名称39化工企业防静电、防雷检测汽车栈台与罐车《石油化工静电接地设计规范》SH3097-20001栈台区域内相关设施的等电位连接、接地402操作平台人体静电接地棒设置413装卸作业时的等电位连接、接地424注液管系统43码头《石油化工静电接地设计规范》SH3097-20001码头区内相关设施的等电位连接、接地442较大码头管线按管道系统专门要求453装卸栈台按栈台专门要求464陆上入口处人体静电接地装置设置475防杂散电流措施48粉体加工与储运设备《石油化工静电接地设计规范》SH3097-20001填料出料部分静电接地措施492装粉体加入可燃性溶剂时应采取的接地措施503粉体筛分、研磨、混合部分导体部件的等电位连接和接地514粉尘采用气流输送时对管道的要求525粉尘分离器中导电部件的等电位连接和接地536大型料仓内部要求54气体与蒸汽的喷出设备《石油化工静电接地设计规范》SH3097-20001所有导电部件的等电...

1、当您付费下载文档后,您只拥有了使用权限,并不意味着购买了版权,文档只能用于自身使用,不得用于其他商业用途(如 [转卖]进行直接盈利或[编辑后售卖]进行间接盈利)。
2、本站所有内容均由合作方或网友上传,本站不对文档的完整性、权威性及其观点立场正确性做任何保证或承诺!文档内容仅供研究参考,付费前请自行鉴别。
3、如文档内容存在违规,或者侵犯商业秘密、侵犯著作权等,请点击“违规举报”。

碎片内容

关于授予浙江省安全生产技术检测检验中心

黄金书屋+ 关注
实名认证
内容提供者

爱好英语教学和互联网行业,热爱教育事业,兢兢业业

确认删除?
VIP
微信客服
  • 扫码咨询
会员Q群
  • 会员专属群点击这里加入QQ群
客服邮箱
回到顶部