电脑桌面
添加小米粒文库到电脑桌面
安装后可以在桌面快捷访问

黑岱沟露天煤矿生产安全事故应急救援指挥组织机构图22页VIP免费

黑岱沟露天煤矿生产安全事故应急救援指挥组织机构图22页_第1页
1/11
黑岱沟露天煤矿生产安全事故应急救援指挥组织机构图22页_第2页
2/11
黑岱沟露天煤矿生产安全事故应急救援指挥组织机构图22页_第3页
3/11
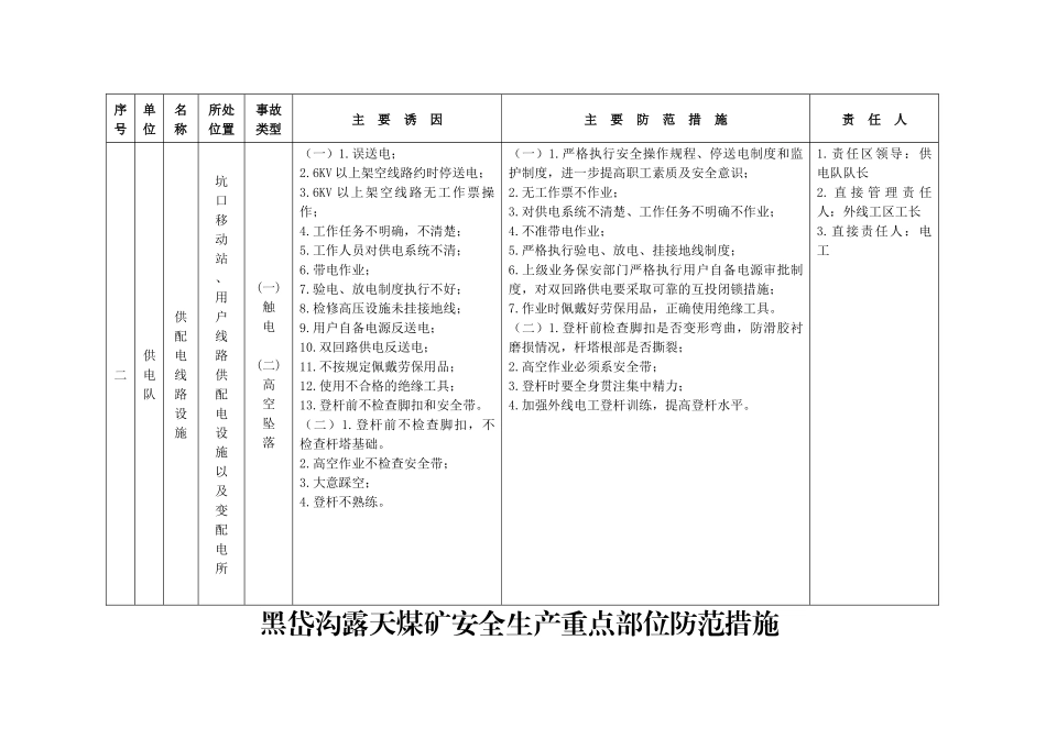
警戒保卫组组长:安全副矿长副组长:安监站站长善后处理指挥组组长:工会主席副组长:办公室主任工会副主席抢险救灾指挥组组长:生产副矿长副组长:轮斗队队长采掘队队长穿爆队队长运输队队长供电队队长工务队队长物资供应指挥组组长:机电副矿长副组长:机电管理部经理成员指挥部:矿长党委书记生产副矿长安全副矿长机电副矿长总工程师生产副总工程师安全副总工程师机电副总工程师工会主席安监站站长调度部主任生产技术部经理机电管理部经理人力资源部经理轮斗队队长采掘队队长穿爆队队长运输队队长供电队队长工务队队长副总指挥:生产副矿长副总指挥:总工程师副总指挥:安全副矿长副总指挥:机电副矿长指挥部办公室主任:生产副总工程师总指挥:矿长总指挥:矿长总指挥:矿长张勇黑岱沟露天煤矿生产安全事故应急救援指挥组织机构图黑岱沟露天煤矿安全生产重点部位防范措施序号单位名称所处位置事故类型主要诱因主要防范措施责任人一供电队采场供电移动站至各用电设备尾线间的电缆及设备触电1.班前没有交待清楚;2.工作票写的不详细或有错;3.室内记录与各站记录不一致造成误操作;4.所供设备更换后,挂牌没有及时更换,造成误操作;5.停电检修中,变电站和开关柜总开关未上锁或未挂牌,他人误送电;6.检修供电设施停电后没有进行验电程序;7.雷雨天作业,没佩戴绝缘保护;8.在部分停电和部分带电的检修中,乱投掷工器具造成联电;9.使用超高压检测设备时设备未接地;10.使用工器具与带电体的安全距离不够;11.地下动力电缆的标志不清。1.班前做好牌板模拟演示;2.布置工作的同时下发工作票,且要详细写明作业内容及安全措施;3.工作记录和各站记录必须一致,若在作业中有更改要及时与工长联系更正;4.各站所带设备更换的同时,将牌子也要更换,并做好记录;5.停电检修工作开始前,变电站和开关柜总开关必须上锁、挂牌;6.停电检修供电设施时,必须进行验电程序,并挂接地线,整个检修过程至少两人作业,做到一人监护一人操作;7.雷雨天在户外所有线路上的作业都应停止,特殊情况必须佩戴好合格的绝缘保护用品;8.在部分停电、部分带电的检修中严禁抛掷工具,应用绳索吊运;9.使用超高压检测设备时,设备必须接地;10.工器具与带电体要按规程有足够的距离;11.增设地下动力电缆的标志;12.停电后必须至少有一个明确的断开点;13.经常检查接地系统及接地检测系统是否可靠有效。1.责任区领导:供电队队长2.直接管理责任人:供电工长3.直接责任人:供电电工黑岱沟露天煤矿安全生产重点部位防范措施序号单位名称所处位置事故类型主要诱因主要防范措施责任人二供电队供配电线路设施坑口移动站、用户线路供配电设施以及变配电所(一)触电(二)高空坠落(一)1.误送电;2.6KV以上架空线路约时停送电;3.6KV以上架空线路无工作票操作;4.工作任务不明确,不清楚;5.工作人员对供电系统不清;6.带电作业;7.验电、放电制度执行不好;8.检修高压设施未挂接地线;9.用户自备电源反送电;10.双回路供电反送电;11.不按规定佩戴劳保用品;12.使用不合格的绝缘工具;13.登杆前不检查脚扣和安全带。(二)1.登杆前不检查脚扣,不检查杆塔基础。2.高空作业不检查安全带;3.大意踩空;4.登杆不熟练。(一)1.严格执行安全操作规程、停送电制度和监护制度,进一步提高职工素质及安全意识;2.无工作票不作业;3.对供电系统不清楚、工作任务不明确不作业;4.不准带电作业;5.严格执行验电、放电、挂接地线制度;6.上级业务保安部门严格执行用户自备电源审批制度,对双回路供电要采取可靠的互投闭锁措施;7.作业时佩戴好劳保用品,正确使用绝缘工具。(二)1.登杆前检查脚扣是否变形弯曲,防滑胶衬磨损情况,杆塔根部是否撕裂;2.高空作业必须系安全带;3.登杆时要全身贯注集中精力;4.加强外线电工登杆训练,提高登杆水平。1.责任区领导:供电队队长2.直接管理责任人:外线工区工长3.直接责任人:电工黑岱沟露天煤矿安全生产重点部位防范措施序号单位名称所处位置事故类型主要诱因主要防范措施责任人三采掘队穿爆队工务队运输队轮斗队采掘场各平盘边缘坍塌设备滑落1.钻机穿前排眼时,履带板平行坡顶线作...

1、当您付费下载文档后,您只拥有了使用权限,并不意味着购买了版权,文档只能用于自身使用,不得用于其他商业用途(如 [转卖]进行直接盈利或[编辑后售卖]进行间接盈利)。
2、本站所有内容均由合作方或网友上传,本站不对文档的完整性、权威性及其观点立场正确性做任何保证或承诺!文档内容仅供研究参考,付费前请自行鉴别。
3、如文档内容存在违规,或者侵犯商业秘密、侵犯著作权等,请点击“违规举报”。

碎片内容

黑岱沟露天煤矿生产安全事故应急救援指挥组织机构图22页

您可能关注的文档

确认删除?
VIP
微信客服
  • 扫码咨询
会员Q群
  • 会员专属群点击这里加入QQ群
客服邮箱
回到顶部