电脑桌面
添加小米粒文库到电脑桌面
安装后可以在桌面快捷访问

重点单位重要部位安全技术防范系统要求 第1部分:展览会场馆VIP免费

重点单位重要部位安全技术防范系统要求 第1部分:展览会场馆_第1页
1/7
重点单位重要部位安全技术防范系统要求 第1部分:展览会场馆_第2页
2/7
重点单位重要部位安全技术防范系统要求 第1部分:展览会场馆_第3页
3/7
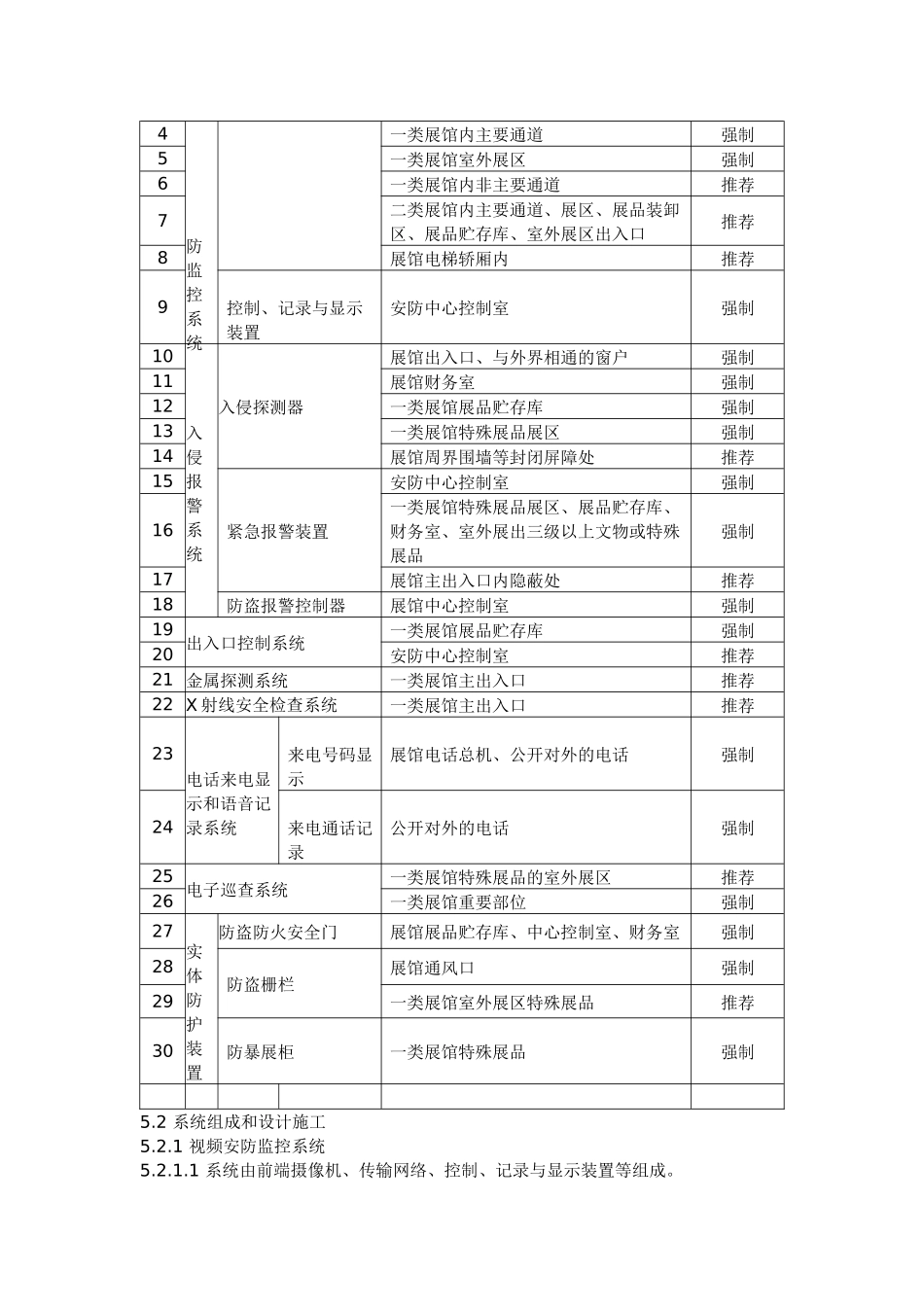
重点单位重要部位安全技术防范系统要求第1部分:展览会场馆1范围本标准规定了展览会场馆(以下简称展馆)安全技术防范系统的安全技术防范分类、系统设计、施工、检验、验收和维护。本标准适用于本市展馆的安全技术防范系统。2规范性引用文件下列文件中的条款通过本标准引用而成为本标准的条款。凡是注日期的引用文件,其随后所有的修改单(不包括勘误的内容)或修订版均不适用于本标准,然而,鼓励根据本标准达成协议的各方研究是否可使用这些文件的最新版本。凡是不注日期的引用文件,其最新版本适用于本标准。GB10408.1入侵探测器第1部分:通用要求GB10408.3入侵探测器第3部分:室内用微波多普勒探测器GB10408.4入侵探测器第4部分:主动红外入侵探测器GB10408.5入侵探测器第5部分:室内用被动红外入侵探测器GB10408.6微波和被动红外复合入侵探测器GB/T10408.8振动入侵探测器GB12663防盗报警控制器通用技术条件GB12899手持式金属探测器技术条件GB15208微剂量X射线安全检查设备GB15209磁开关入侵探测器GB15210通过式金属探测门通用技术条件GB50198民用闭路监视电视系统工程技术规范GA/T75安全防范工程程序与要求GA308安全防范系统验收规则GA/T367视频安防监控系统技术要求GA/T368入侵报警系统技术要求GA/T394出入口控制系统技术要求DB31/295安全技术防范监控用硬盘录像机通用技术要求DB31/321防盗防火安全门通用技术条件DB31/329.4重点单位重要部位安全技术防范系统要求第4部分:公共供水DB31/329.5重点单位重要部位安全技术防范系统要求第5部分:电力系统3术语和定义下列术语与定义适用于本标准。3.1展览会,简称展会在固定地点及预定时期内举办的,通过展示促进产品、技术或信息交流的社会活动。3.2展览会场馆,简称展馆举办展会的场所。3.3展区展示展品的区域。3.4展品展示物的总称。3.5特殊展品贵重金银珠宝饰品、字画、钟表等以及武器、《文物藏品定级标准》三级文物(含)以上的展品。3.6安全技术防范运用科学技术手段和相关设备,对应当进行治安安全防范的单位和部位进行有效防护和守卫,预防、制止、延缓违法犯罪行为和各类不安全因素,维护社会公共安全的活动。3.7实体防护装置以实体屏障作为防护手段的装置。4展馆的安全技术防范分类4.1一类展馆符合下列条件之一的为一类展馆:a)展示面积在5000m²(含)以上;b)举办国际性展览;c)举办特殊展品展览。4.2二类展馆不符合一类展馆条件的,均为二类展馆。4.3二类展馆举办国际性展览或特殊展品展览时,应按照一类展馆的要求采取安全技术防范措施。5系统设计和施工要求5.1总体要求5.1.1展馆的安全技术防范系统的设计原则应符合GB50348的规定,并应根据表1的要求设置安全技术防范系统。5.1.2安全技术防范系统的设计、施工程序应符合GA/T75的规定。5.1.3展馆二次供水设施中的泵房、水箱(水池)等部位的安全技术防范系统应符合DB31/329.4的规定。5.1.4展馆变(配)电站的安全技术防范系统应符合DB31/329.5的规定。5.1.5展馆的安全技术防范系统的建设,应纳入工程建设的总体规划,并综合设计、同步施工、独立验收、同时交付使用。表1展馆安全技术防范系统基本配置序号项目安装区域或覆盖范围配置要求1视频安彩色摄像机展馆、封闭式停车场(库)出入口强制2安防中心控制室出入口强制3一类展馆内特殊展品展区、展品装卸区、展品贮存库出入口强制防监控系统4一类展馆内主要通道强制5一类展馆室外展区强制6一类展馆内非主要通道推荐7二类展馆内主要通道、展区、展品装卸区、展品贮存库、室外展区出入口推荐8展馆电梯轿厢内推荐9控制、记录与显示装置安防中心控制室强制10入侵报警系统入侵探测器展馆出入口、与外界相通的窗户强制11展馆财务室强制12一类展馆展品贮存库强制13一类展馆特殊展品展区强制14展馆周界围墙等封闭屏障处推荐15紧急报警装置安防中心控制室强制16一类展馆特殊展品展区、展品贮存库、财务室、室外展出三级以上文物或特殊展品强制17展馆主出入口内隐蔽处推荐18防盗报警控制器展馆中心控制室强制19出入口控制系统一类展馆展品贮存库强制20安防中心控制室推荐21金属探测系统一类展馆主出入口推荐22X射线安全检查...

1、当您付费下载文档后,您只拥有了使用权限,并不意味着购买了版权,文档只能用于自身使用,不得用于其他商业用途(如 [转卖]进行直接盈利或[编辑后售卖]进行间接盈利)。
2、本站所有内容均由合作方或网友上传,本站不对文档的完整性、权威性及其观点立场正确性做任何保证或承诺!文档内容仅供研究参考,付费前请自行鉴别。
3、如文档内容存在违规,或者侵犯商业秘密、侵犯著作权等,请点击“违规举报”。

碎片内容

重点单位重要部位安全技术防范系统要求 第1部分:展览会场馆

黄金书屋+ 关注
实名认证
内容提供者

爱好英语教学和互联网行业,热爱教育事业,兢兢业业

确认删除?
VIP
微信客服
  • 扫码咨询
会员Q群
  • 会员专属群点击这里加入QQ群
客服邮箱
回到顶部