电脑桌面
添加小米粒文库到电脑桌面
安装后可以在桌面快捷访问

JIT看板生产系统WITNESS仿真建模和优化实现30VIP免费

JIT看板生产系统WITNESS仿真建模和优化实现30_第1页
1/29
JIT看板生产系统WITNESS仿真建模和优化实现30_第2页
2/29
JIT看板生产系统WITNESS仿真建模和优化实现30_第3页
3/29
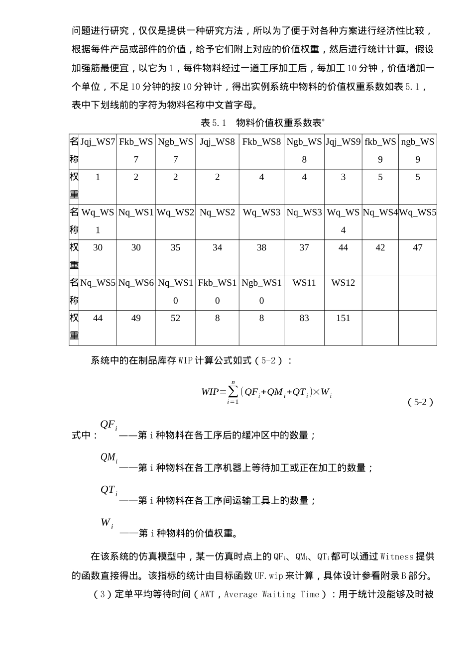
11,5产成品6需求314,53,4,53,4,51,21,21,2WS1WS21,2WS3WS4WS5WS7WS8WS9WS12WS10WS112物料流看板流WS:工作站图5.1实例生产/库存系统生产流程图4WS6JIT看板生产系统WITNESS仿真建模和优化实现1.1生产流程描述——实例系统生产制造单一类型的产品振动轮,其生产原材料为各种类型的钢板,通过机械加工,然后组装成一个空轮(没有安装轴承座、轴承和轴)。组成振动轮的部件主要为5类,分别为外圈、内圈、加强筋、内隔板和封口板,以数字1,2,3,4,5表示;其生产过程包括12个主要加工单元,分别为剪板切割(WS1)、打坡口(WS2)、卷圆(WS3)、轮圈焊接(WS4)、找圆(WS5)、车断面(WS6)、数控切割(WS7)、调平(WS8)、油漆(WS9)、钻孔(WS10)、内轮焊接(分装工作站)和轮子焊接(总装工作站)。其生产流程如图5.1所示。外圈原材料为特定型号的钢板,加工过程依次为两块外圈钢板通过卷板切割机切割成适合大小,通过坡口机将钢板两端结合处内外打出坡度,通过卷圆机将钢板卷成轮圈,经过轮圈焊接工段将轮圈接口处焊接起来,通过找圆机将轮圈找圆,然后进入轮子焊接工段,与内轮和封口板焊接成轮子。内圈原材料也为特定型号的钢板,加工过程为每次三块钢板通过卷板切割机切割成适合大小的板材,然后打坡口、卷圆、焊接、找圆,同外圈加工过程一样。在经过找圆工段之后,内轮圈再经过数控车床,进行端面对车,经过钻孔工段钻出工艺孔,到内轮焊接工段与加强筋和内隔板焊接成内轮。加强筋、内隔板和封口板原材料也为特定型号的钢板,首先经过数控切割机切割成型,然后调平、油漆,内隔板和封口板需要经过钻口工段,钻制工艺孔,然后,内隔板到内轮焊接工段进行与内圈和加强筋的焊接,封口板到轮子焊接工段与内轮和外圈焊接成轮子。1.2基本生产单元的分解该生产/库存系统包括四条串行线,分别为:(1)外圈加工串行线:剪板切割、打坡口、卷圆、轮圈焊接、找圆;(2)内圈加工串行线:剪板切割、打坡口、卷圆、轮圈焊接、找圆、车端面、钻孔;(3)加强筋加工串行线:数控切割、调平、油漆;(4)内隔板、封口板加工串行线:数控切割、调平、油漆、钻孔。该生产/库存系统包括两个并行加工模块,分别为:(1)内圈、加强筋、内隔板焊接为内轮的焊接工段,即分装工作站WS11;(2)外圈、内轮、封口板焊接为轮子的轮子焊接工段,即总装工作站WS12。生产流程中有资源共享和竞争的作业,如:(1)内、外圈在进行切割、打坡口、卷圆、焊接等工序时,使用的都是相同的设备;(2)加强筋、内隔板、封口板在进行切割、调平工序时,也是竞争使用相同的设备。1.3系统绩效指标设计系统绩效指标考虑系统产出量、在制品库存、设备稼动率和订单满意度四项。在进行Witness仿真程序设计的时候,将通过如下的数据模型和相关的程序进行统计计算获得。(1)系统产出量(TPUT,ThroughPUT):统计在特定时间长度内,生产/库存系统所产出的成品数量。该指标在Witness“中可以直接在成品缓冲区的actiononinput…”中进行变量的累计。每当一个成品进入缓冲区,执行式(5-1)的计算程序,即产出量增加了一个。TPUT=TPUT+1(5-1)在仿真模型中,该统计任务由订单队列DMD.b_order“的actiononinput…”和函数UF.tput来实现,具体程序参看附录B部分。(2)在制品库存(WIP):用来统计某一时点上,生产/库存系统中所拥有的原材料、半成品或成品的量,一般用价值来衡量。由于生产线上具有多种物料,如外圈、内圈、加强筋、封口板、内隔板,每种类型物料所具有的价值不一样,需要统计各种物料的实际价值。由于本实例并不是对实际的问题进行研究,仅仅是提供一种研究方法,所以为了便于对各种方案进行经济性比较,根据每件产品或部件的价值,给予它们附上对应的价值权重,然后进行统计计算。假设加强筋最便宜,以它为1,每件物料经过一道工序加工后,每加工10分钟,价值增加一个单位,不足10分钟的按10分钟计,得出实例系统中物料的价值权重系数如表5.1,表中下划线前的字符为物料名称中文首字母。表5.1物料价值权重系数表*名称Jqj_WS7Fkb_WS7Ngb_WS7Jqj_WS8Fkb_WS8Ngb_WS8Jqj_WS9fkb_WS9ngb_WS9权重122244355名称...

1、当您付费下载文档后,您只拥有了使用权限,并不意味着购买了版权,文档只能用于自身使用,不得用于其他商业用途(如 [转卖]进行直接盈利或[编辑后售卖]进行间接盈利)。
2、本站所有内容均由合作方或网友上传,本站不对文档的完整性、权威性及其观点立场正确性做任何保证或承诺!文档内容仅供研究参考,付费前请自行鉴别。
3、如文档内容存在违规,或者侵犯商业秘密、侵犯著作权等,请点击“违规举报”。

碎片内容

JIT看板生产系统WITNESS仿真建模和优化实现30

您可能关注的文档

黄金书屋+ 关注
实名认证
内容提供者

爱好英语教学和互联网行业,热爱教育事业,兢兢业业

确认删除?
VIP
微信客服
  • 扫码咨询
会员Q群
  • 会员专属群点击这里加入QQ群
客服邮箱
回到顶部