电脑桌面
添加小米粒文库到电脑桌面
安装后可以在桌面快捷访问

焊接工艺及焊接检验工艺[1]VIP免费

焊接工艺及焊接检验工艺[1]_第1页
1/19
焊接工艺及焊接检验工艺[1]_第2页
2/19
焊接工艺及焊接检验工艺[1]_第3页
3/19
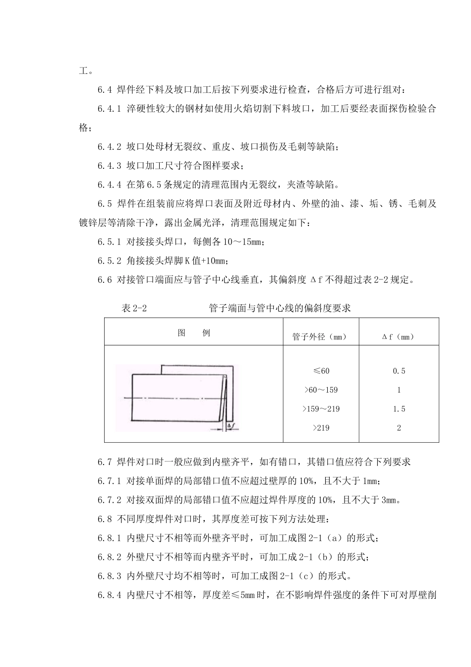
1目的本工艺从焊接人员、焊接材料、焊接工艺、焊接质量检验、焊接质量标准、焊接返修及焊接技术文件等七个方面进行规范,以指导锅炉安装工地的焊接全过程,以保证锅炉的焊接质量,确保锅炉安全正常地运行。2适用范围本工艺适用于工业锅炉、电力发电锅炉、承压管道、压力容器和钢结构的焊接。本工艺适用于碳素钢、普通低合金钢和耐热钢的手工电弧焊、手工钨极氩弧焊和氧-乙炔焊等焊接方法。3引用标准3.1DL5007-92《电力建设施工及验收技术规范》(火力发电厂焊接篇)3.2SD167-85《电力工业锅炉监察规程》3.3劳部发[1996]276号《蒸汽锅炉安全技术监察规程》3.4劳动人事部《锅炉压力容器焊工考试规则》3.5DL/T679-1999《焊工技术考核规程》4焊工4.1承担锅炉、压力容器、承压管道和钢结构焊接工作的焊工,必须经过焊接基本知识和实际操作技能的培训,并按SD263-88《焊工技术考核规程》和劳动人事部《锅炉压力容器焊工考试规则》的规定,进行考试并取得相应资格等级的焊工合格证书。4.2焊工承担上述内容的焊接时,只能在其考试合格的项目内,否则不得进行焊接。4.3应有良好的工艺作风,严格按照给定的焊接工艺和焊接技术措施进行施焊,严格遵守现行的国家标准和本工艺标准,并认真进行质量自检。4.4施焊前应认真熟悉作业指导书,凡遇到与作业指导书要求不符时,应拒绝施焊。当出现重大质量问题时,应及时报告有关人员,不得自行处理。4.5焊工合格证书有效期(三年)满后应重新考试。如合格焊工中断受监部件焊接工作六个月以上,再次担任受监部件焊接工作时,必须重新考试。5钢材及焊接材料5.1焊接前必须确认所焊母材的钢号,以便正确选用焊接材料和焊接工艺。5.2钢材质量必须符合国家标准(或部颁标准)的有关技术条件。5.3焊接材料(焊条、焊丝、钨棒、氩气、氧气、乙炔气和焊剂)的质量应符合国家标准(或有关标准)的技术条件。5.4钢材、焊条、焊丝等均应有质量证明书或出厂合格证。对没有质量证明书、合格证或对其材质、见证有怀疑时,应按批号抽查试验,合格后方可使用。5.5焊条、焊丝的选用,应按设计要求,设计无要求时,应根据母材的化学成份,机械性能和焊接接头的抗裂性、焊前预热,焊后热处理及使用条件等综合考虑。5.6焊条(焊丝)的选用原则5.6.1保证焊缝的金属性能和化学成分与母材相同。5.6.2碳素钢与普通低合金钢焊接,可选用强度与碳素钢相匹配而抗裂性能较好的焊条(焊丝)。5.6.3异种普通低合金钢的焊接,按强度较低的钢种选择。5.7钨极氩弧焊用的电极,采用铈钨棒,所用氩气纯度不低于99.96%。5.8氧-乙炔焊所用氧气纯度应在98.5%以上,乙炔纯度应符合GB6819-86《溶解乙炔》的规定。6焊前准备6.1焊口的位置应避开应力集中区,并便于施焊。6.2管道、压力容器和钢结构的坡口形式应按设计图纸规定加工。无规定时,坡口的型式和尺寸应按能保证焊接质量,填充金属量少、改善劳动条件、便于操作、减少焊接应力和变形、适应探伤要求等原则选用。焊接接头的基本形式及尺寸按表2-1规定。6.3焊件下料与坡口加工按下列要求进行:6.3.1焊件下料采用机械方法为宜,对淬硬倾向较大的合金钢材,公称直径小于100mm的管子和公称直径大于100mm、工作压力大于3.9MPa的汽水管道,应以机械方法加工。6.3.2如用热加工法(如等离子弧切割、气割)下料,切口部分应留有加工余量,以除去淬硬及过热金属。对淬硬倾向较大的合金钢材用热加工法下料后,切口部分应先进行退火处理再加工。6.4焊件经下料及坡口加工后按下列要求进行检查,合格后方可进行组对:6.4.1淬硬性较大的钢材如使用火焰切割下料坡口,加工后要经表面探伤检验合格;6.4.2坡口处母材无裂纹、重皮、坡口损伤及毛刺等缺陷;6.4.3坡口加工尺寸符合图样要求;6.4.4在第6.5条规定的清理范围内无裂纹,夹渣等缺陷。6.5焊件在组装前应将焊口表面及附近母材内、外壁的油、漆、垢、锈、毛刺及镀锌层等清除干净,露出金属光泽,清理范围规定如下:6.5.1对接接头焊口,每侧各10~15mm;6.5.2角接接头焊脚K值+10mm;6.6对接管口端面应与管子中心线垂直,其偏斜度Δf不得超过表2-2规定。表2-2管子端面与管中心线的偏斜度要求图例管子外径(mm...

1、当您付费下载文档后,您只拥有了使用权限,并不意味着购买了版权,文档只能用于自身使用,不得用于其他商业用途(如 [转卖]进行直接盈利或[编辑后售卖]进行间接盈利)。
2、本站所有内容均由合作方或网友上传,本站不对文档的完整性、权威性及其观点立场正确性做任何保证或承诺!文档内容仅供研究参考,付费前请自行鉴别。
3、如文档内容存在违规,或者侵犯商业秘密、侵犯著作权等,请点击“违规举报”。

碎片内容

焊接工艺及焊接检验工艺[1]

确认删除?
VIP
微信客服
  • 扫码咨询
会员Q群
  • 会员专属群点击这里加入QQ群
客服邮箱
回到顶部