电脑桌面
添加小米粒文库到电脑桌面
安装后可以在桌面快捷访问

大型自由锻造液压机车间工艺设计分析VIP专享VIP免费

大型自由锻造液压机车间工艺设计分析_第1页
1/6
大型自由锻造液压机车间工艺设计分析_第2页
2/6
大型自由锻造液压机车间工艺设计分析_第3页
3/6
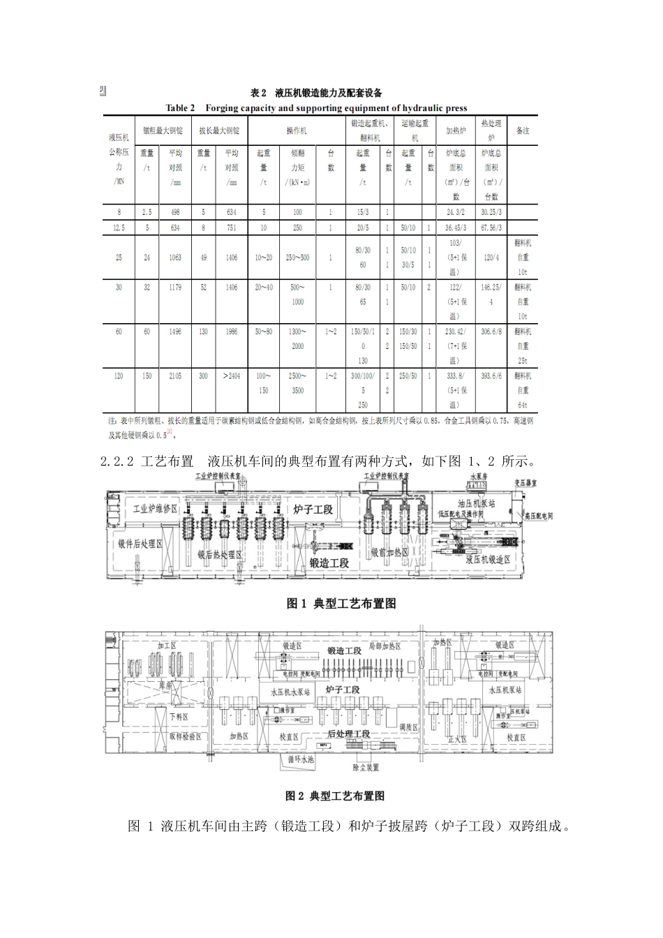
大型自由锻造液压机车间工艺设计分析摘要:介绍了自由锻造液压机车间工艺流程及工艺布置,提出了双跨和三跨两种布置方案,并分析了相应优缺点。另外,详细探讨了设备-设备、设备-厂房、设备-公用之间的相互影响关系。对自由锻造液压机车间的工艺设计具有较高的参考价值。关键词:自由锻造,液压机车间,工艺设计目前,我国已投入运行的8~160MN自由锻造液压机150多台,但是大多数自由锻造液压机为早期的水压机,数控化程度低,生产率低下,需要完成CNC改造[1]并配备锻造操作机,尤其要强化锻造和热处理工业炉的现代化改造。我国大锻件生产处于“过剩”和“短缺”的双重压力,即一般大锻件供大于求,技术含量和质量要求高的大锻件,如百万千瓦级火电和核电用汽轮机转子(超临界、超超临界)、特大支承辊、大型高温高压厚壁筒体、船用大马力低速柴油机组合曲轴等锻件,我们尚处于生产能力低或不能生产的状态。基于此,通过对现有锻造设备及工业炉设备进行升级改造或新建锻造车间,国内企业掀起了投资高品质大型自由锻件制造的热潮。本文通过对大型快速锻造液压机车间的工艺设计及相关配套设施的介绍,希望能对相关企业领导人及技术人员带来帮助。1.工艺设计1.1工艺流程大型自由锻造液压机车间(以下简称“液压机车间”)的工艺流程相对简单,主要为:钢锭→加热→锻造(镦粗、拔长)→热处理→取样→(粗车)。液压机车间接收的钢锭分两种:热钢锭、冷钢锭,装炉方式也分为热装炉、冷装炉两种方式。据统计在热装炉的情况下,1吨钢锭可节约天然气(8500kcal/m3)约60m3,采用该种装炉方式已成为锻造行业的发展趋势。锻造的主要工序为镦粗和拔长,为了反映锻件的变形程度,引入了锻造比(K)的概念,它是工程上常用的变形参数。典型锻件的锻造比见下表1:典型锻件的锻比[2]大锻件形体尺寸大,缺陷多,内应力大,温度分布不均匀,结晶、相变复杂,内部热扩散及氢气扩散困难。所以,冷却和热处理方式多,周期长、工艺过程复杂[2]。其热处理方式主要包括锻后冷却、退火(低温退火、中间退火、完全退火、等温退火等)正火、回火、调质,还有等温冷却及起伏等温退火等,具体热处理工艺根据不同锻件的要求而定,本文不再详述。热处理后的锻件一般取样检测物理性能,如果需要还可以完成粗车的工序,为下一道半精加工、精加工做好准备。2.2工艺布置2.2.1设备选型液压机车间主要设备为自由锻造液压机和工业炉。液压机的最大压力及其辅助设备由钢锭的重量、材质决定;而锻造液压机的数量配置情况由大型锻件的生产纲领决定。同样,工业炉的载重量、工作温度(升温速度)、工作尺寸等由锻件的重量、材质、尺寸、排料方式等决定。另外,需要特别注意的是压机的配置能力必须与工业炉的配置的能力配套,否则配置低的设备将制约整个液压机车间的锻件生产能力。另外,作为车间的运输(操作)设备同样起着关键的作用,如果这些配套设备的能力不足以满足车间大型锻件运输或锻造操作的要求的话,他们也会成为车间产能提升的瓶颈。液压机车间设备的配置在锻压行业已形成了一个经验性的总结,详见液压机锻造能力及配套设备[2]。2.2.2工艺布置液压机车间的典型布置有两种方式,如下图1、2所示。图1液压机车间由主跨(锻造工段)和炉子披屋跨(炉子工段)双跨组成。这种布置方式的优点如下:⑴烟道较短,烟囱抽力损失较少,可降低烟囱高度,减少土建投资,同时又能保证排烟顺畅。根据经验,大型自由锻造液压机车间的最长烟道不超过40m,否则将会导致烟囱高于正常高度(30m左右)或额外增设机械式抽烟设施而这种布置方式使炉尾靠近厂房外侧的烟囱,缩短烟道长度,避免了设超高烟囱的情况。⑵公用设施管线较短。由于液压泵站在厂房的一侧,这给循环水池、冷却塔的就近设置带来方便;压机配电的管线也是同样道理。较短的管线带来较小的路损和较少的投资。当然,图1的布置方式也有缺点,当液压机配置的数量较多时,将会造成厂房的长度加大,从而可能导致整个厂区的物流不顺。在这种情况下就出现了图2的布置方式。这种布置方式一般由两个锻造主跨和一个炉子跨共三跨组成,其优点如下:⑴工业炉机群式布置,便于集中控...

1、当您付费下载文档后,您只拥有了使用权限,并不意味着购买了版权,文档只能用于自身使用,不得用于其他商业用途(如 [转卖]进行直接盈利或[编辑后售卖]进行间接盈利)。
2、本站所有内容均由合作方或网友上传,本站不对文档的完整性、权威性及其观点立场正确性做任何保证或承诺!文档内容仅供研究参考,付费前请自行鉴别。
3、如文档内容存在违规,或者侵犯商业秘密、侵犯著作权等,请点击“违规举报”。

碎片内容

大型自由锻造液压机车间工艺设计分析

确认删除?
VIP
微信客服
  • 扫码咨询
会员Q群
  • 会员专属群点击这里加入QQ群
客服邮箱
回到顶部