电脑桌面
添加小米粒文库到电脑桌面
安装后可以在桌面快捷访问

某轴承公司工作环境(6S)管理程序( 36页)VIP免费

某轴承公司工作环境(6S)管理程序( 36页)_第1页
1/27
某轴承公司工作环境(6S)管理程序( 36页)_第2页
2/27
某轴承公司工作环境(6S)管理程序( 36页)_第3页
3/27
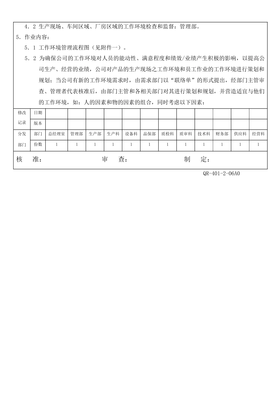
----有限公司程序文件标题工作环境管理程序文件编号QP/KCE2605页数1/17制订部门管理部制订日期200X年04月01日版本A01.目的:对生产产品的工作现场进行整理、整顿,保持生产设施处于清洁、整齐、有序的状态,并持续不断地改进工作环境的条件,以提高员工的工作积极性和工作效率,为确保产品质量创造条件。2.范围:凡与本公司产品质量有关的办公场所、生产现场、车间、仓储和厂房区域等均适用之。3.定义:3.1工作环境:指对制造和产品质量有影响的过程周围的条件;这种条件可以是人的因素(如:心理的、社会的)、物的因素(如:温度、湿度、洁净度、粉尘等),物的因素一般包括:厂房维护,灯光照明,噪声,取暖、通风、空调、电器装置的控制,以及与厂房维护有关的安全隐患。3.26S:指的是由6S的日文SEIRI(整理)、SEITON(整顿)、SEISO(清扫)、SEIKETSU(清洁)、SHITSUKE(素养)和英文SAFETY(安全)这六个单词,由于这六个单词前面的发音都是“S”,所以简称为“6S”。3.3整理:将办公场所和工作现场中的物品、设备清楚的区分为需要品和不需要品,对需要品进行妥善保管,对不需要品则进行处理或报废。3.4整顿:将需要品依据所规定的定位、定量等方式进行摆放整齐,并明确地对其予以标识,使寻找需要品的时间减少为零。3.5清扫:将办公场所和现场的工作环境打扫干净,使其保持在无垃圾、无灰尘、无脏污、干净整洁的状态,并防止其污染的发生。3.6清洁:将整理、整顿、清扫的实施做法进行到底,且维持其成果,并对其实施做法予以标准化、制度化。3.7素养:以“人性”为出发点,透过整理、整顿、清扫、清洁等合理化的改善活动,培养上下一体的共同管理语言,使全体人员养成守标准、守规定的良好习惯,进而促进全面管理水平的提升。3.8安全:指企业在产品的生产过程中,能够在工作状态、行为、设备及管理等一系列活动中给员工带来即安全又舒适的工作环境。4.权责:4.1生产现场、车间区域、厂房区域的工作环境执行、维持和管理:各相关部门。4.2生产现场、车间区域、厂房区域的工作环境检查和监督:管理部。5.作业内容:5.1工作环境管理流程图(见附件一)。5.2为确保公司的工作环境对人员的能动性、满意程度和绩效/业绩产生积极的影响,以提高公司生产、经营的业绩,公司对产品的生产现场之工作环境和员工作业的工作环境进行策划和规划;当公司有新的工作环境需求时,由需求部门以“联络单”的形式提出,经部门主管审查、管理者代表核准后,由部门主管和各相关部门对其进行策划和规划,并营造适宜与他们的工作环境,如:人的因素和物的因素的组合,同时考虑以下因素:修改记录日期版本分发部门部门总经理室管理部生产部生产科设备科品保部质检科质审科技术科财务部供应科经营科份数111111111111核准:审查:制定:QR-401-2-06A0程序文件标题工作环境管理程序文件编号QP/KCE2605页数2/17制订部门管理部制订日期2002年04月01日版本A05.2.1创造性的工作方法和更多的参与机会,以发挥公司内人员的潜力;5.2.2安全规则和指南,包括防护设备的使用;5.2.3人机工程;5.2.4工作场所的位置;5.2.5与社会的相互影响;5.2.6热度、湿度、光线、空气流动;5.2.7卫生、清洁度、噪声、振动和污染。5.3工作环境区域划分:以管理部和生产部为主导召集相关部门根据各部门实际的工作区域使用情况划分各部门的工作环境责任区域,明确各部门工作环境责任区域的负责人员,并赋予其职责和权限。5.4组建6S检查小组和工作环境卫生定期检查:以管理部为主导召集各部门工作环境责任区域的负责人员组成6S检查小组,选出小组组长,并于每月一次对公司内所有的生产现场、车间、厂房(包括办公室)等工作环境区域按公司工作环境区域规定的项目和内容进行6S检查,并将检查的结果记录于“6S检查表”中,对检查发现的不符合事项按《纠正和预防控制程序》中之规定填写“纠正和预防措施报告”要求相关缺失责任单位进行原因分析和提出纠正/预防措施,并于下次进行6S检查时对其执行的纠正/预防措施的效果进行确认、验证,直至其符合规定要求。5.5工作区域的环境要求:5.5.1地面上...

1、当您付费下载文档后,您只拥有了使用权限,并不意味着购买了版权,文档只能用于自身使用,不得用于其他商业用途(如 [转卖]进行直接盈利或[编辑后售卖]进行间接盈利)。
2、本站所有内容均由合作方或网友上传,本站不对文档的完整性、权威性及其观点立场正确性做任何保证或承诺!文档内容仅供研究参考,付费前请自行鉴别。
3、如文档内容存在违规,或者侵犯商业秘密、侵犯著作权等,请点击“违规举报”。

碎片内容

某轴承公司工作环境(6S)管理程序( 36页)

黄金书屋+ 关注
实名认证
内容提供者

爱好英语教学和互联网行业,热爱教育事业,兢兢业业

确认删除?
VIP
微信客服
  • 扫码咨询
会员Q群
  • 会员专属群点击这里加入QQ群
客服邮箱
回到顶部